指南生活
首页
美食营养
手工爱好
生活家居
返回
指南生活
首页
美食营养
游戏数码
手工爱好
生活家居
健康养生
运动户外
职场理财
情感交际
母婴教育
时尚美容
知识问答
生活知识
搜索
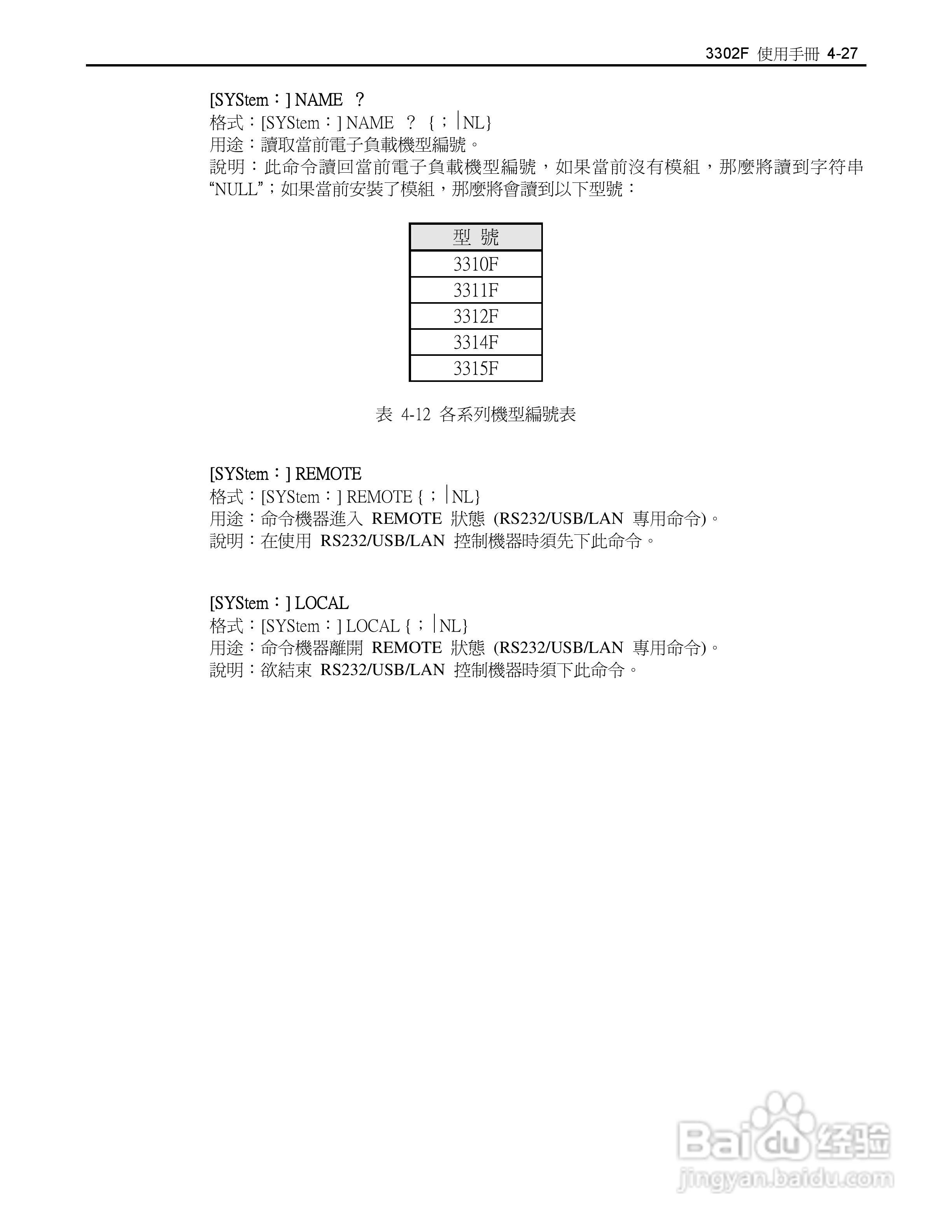
博计3302F单模组电子负载机框使用手册:[5]
2026-01-10 01:40:48
本篇为《博计3302F单模组电子负载机框使用手册》,主要介绍该产品的使用方法以及常见故障解决方案。
(共篇)
上一篇:
|
下一篇:
声明:
本网站引用、摘录或转载内容仅供网站访问者交流或参考,不代表本站立场,如存在版权或非法内容,请联系站长删除,联系邮箱:site.kefu@qq.com。
相关推荐
博计3302F单模组电子负载机框使用手册:[3]
阅读量:108
博计3305F四模组电子负载机框使用手册:[5]
阅读量:184
博计3305F四模组电子负载机框使用手册:[3]
阅读量:186
博计3305F四模组电子负载机框使用手册:[6]
阅读量:161
电子负载的工作原理
阅读量:89
猜你喜欢
绿茶是什么意思
三者险是什么意思
乳腺钙化是什么意思
教师节送什么礼物给老师好
fda是什么意思
什么时候最容易怀孕
车架号是什么
自媒体是什么
loser什么意思中文
脉压差小是什么原因
猜你喜欢
sick什么意思
荷花什么时候开花
usb是什么
什么是自主招生
市场专员是做什么的
ride是什么意思
笑靥如花什么意思
c1增驾b2需要什么条件
妥协是什么意思
社会保障卡有什么用