指南生活
首页
美食营养
手工爱好
生活家居
返回
指南生活
首页
美食营养
游戏数码
手工爱好
生活家居
健康养生
运动户外
职场理财
情感交际
母婴教育
时尚美容
知识问答
生活知识
生活百科
搜索
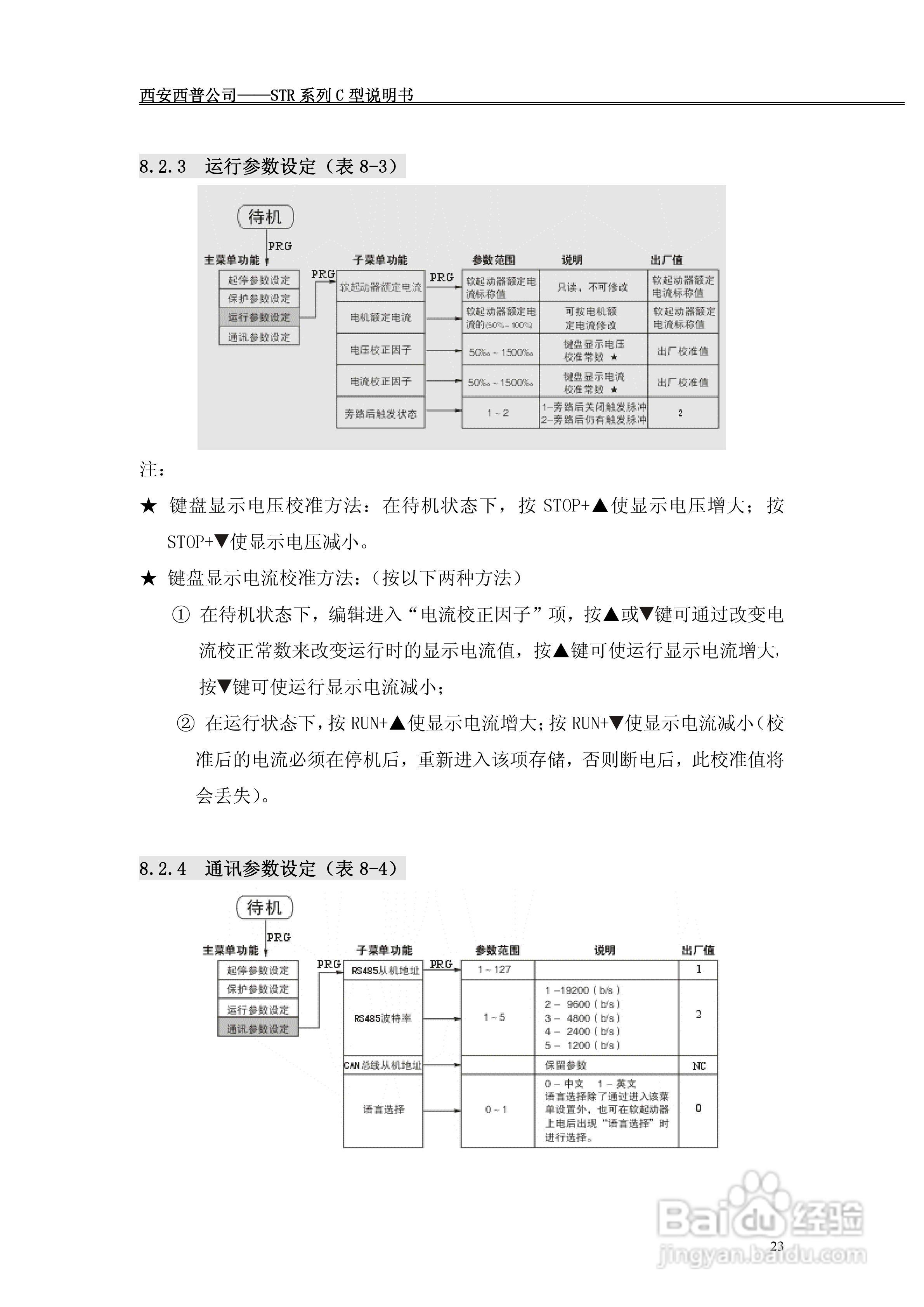
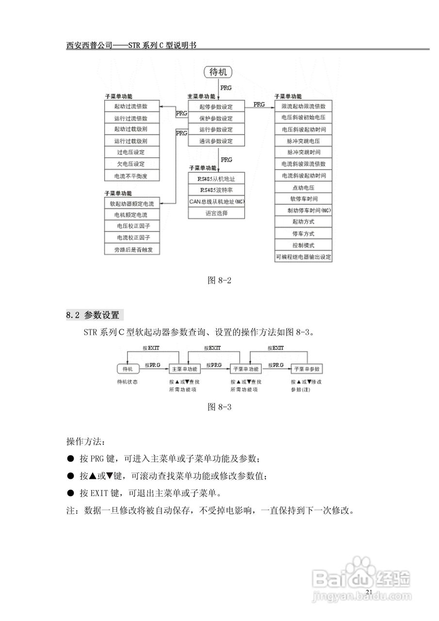
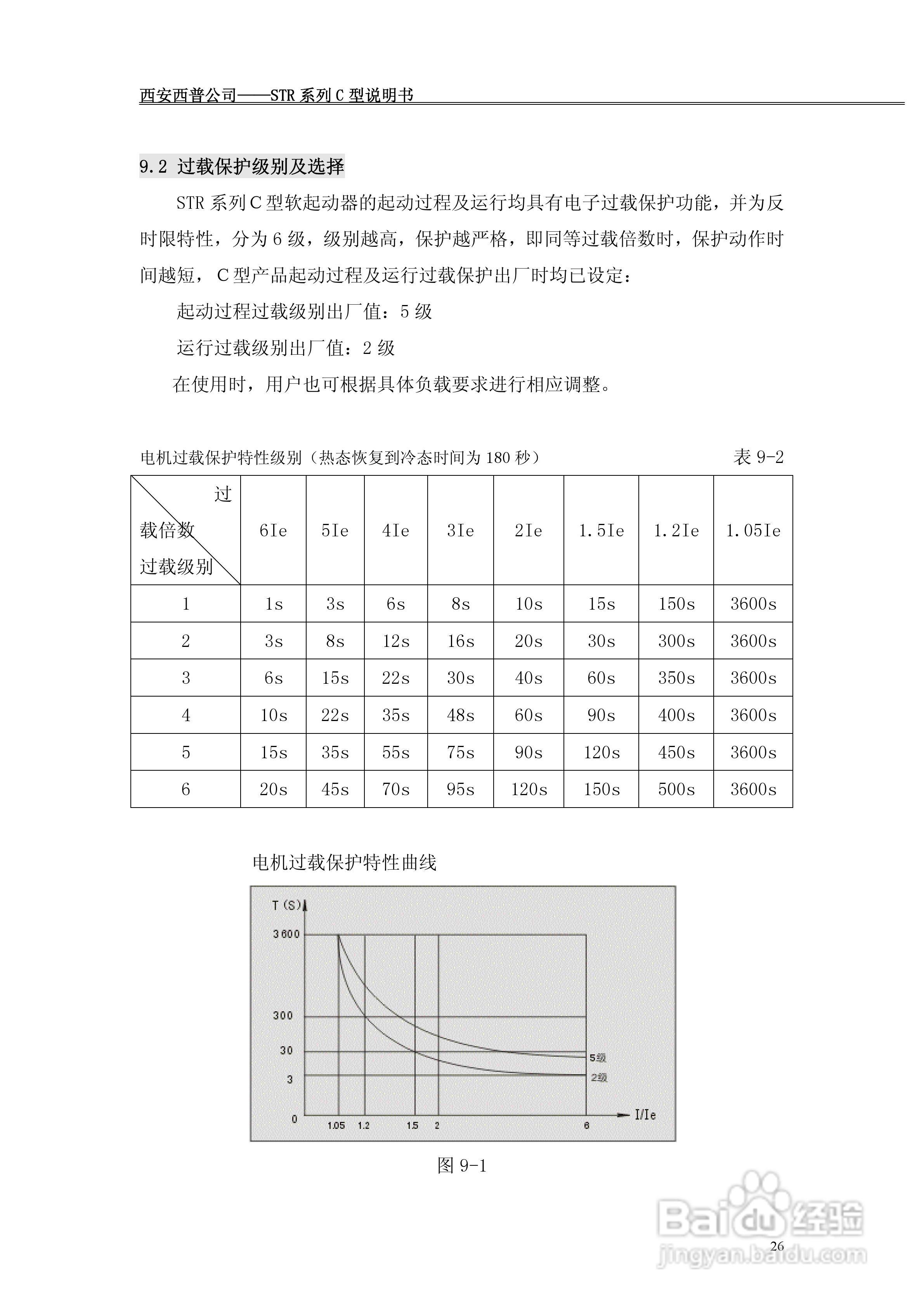
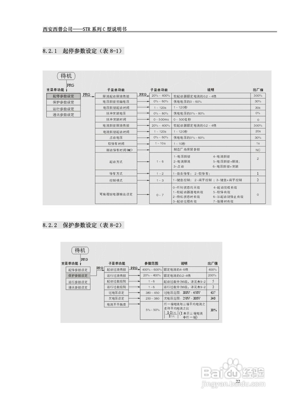
西普电子STR系列C型软起动器说明书V1.2版:[3]
2026-03-28 23:07:43
本篇为《西普电子STR系列C型软起动器说明书V1.2版》,主要介绍该产品的使用方法以及常见故障解决方案。
(共篇)
上一篇:
|
下一篇:
声明:
本网站引用、摘录或转载内容仅供网站访问者交流或参考,不代表本站立场,如存在版权或非法内容,请联系站长删除,联系邮箱:site.kefu@qq.com。
相关推荐
西普电子STR系列C型软起动器说明书V1.2版:[1]
阅读量:114
西普电子STR系列L型软起动器说明书V1.1版:[3]
阅读量:73
西普电子STR系列A/B/G型软起动器说明书V6.3版:[4]
阅读量:120
西普电子STR系列A/B/G型软起动器说明书V6.3版:[2]
阅读量:100
西普电子STR系列L型软起动器说明书V1.1版:[1]
阅读量:27
猜你喜欢
变色龙是怎么变色的
鹌鹑蛋的做法家常做法
治疗脚气的最佳方法
光子嫩肤效果怎么样
穿鞋带的漂亮方法
木须肉的家常做法
鸡肉怎么炒好吃又嫩
怎么看电脑是多少位的
脂肪瘤的治疗方法
动物成语大全 四字成语
猜你喜欢
泰国菜谱大全
永久脱毛方法
李白诗集大全
脖子上长小肉粒怎么办
慢性支气管炎的症状和治疗方法
香辣虾的家常做法
冬瓜汤怎么做好吃
门楼图片大全
心绞痛的治疗方法
六年级上册口算题大全