指南生活
首页
美食营养
手工爱好
生活家居
返回
指南生活
首页
美食营养
游戏数码
手工爱好
生活家居
健康养生
运动户外
职场理财
情感交际
母婴教育
时尚美容
知识问答
生活知识
生活百科
搜索
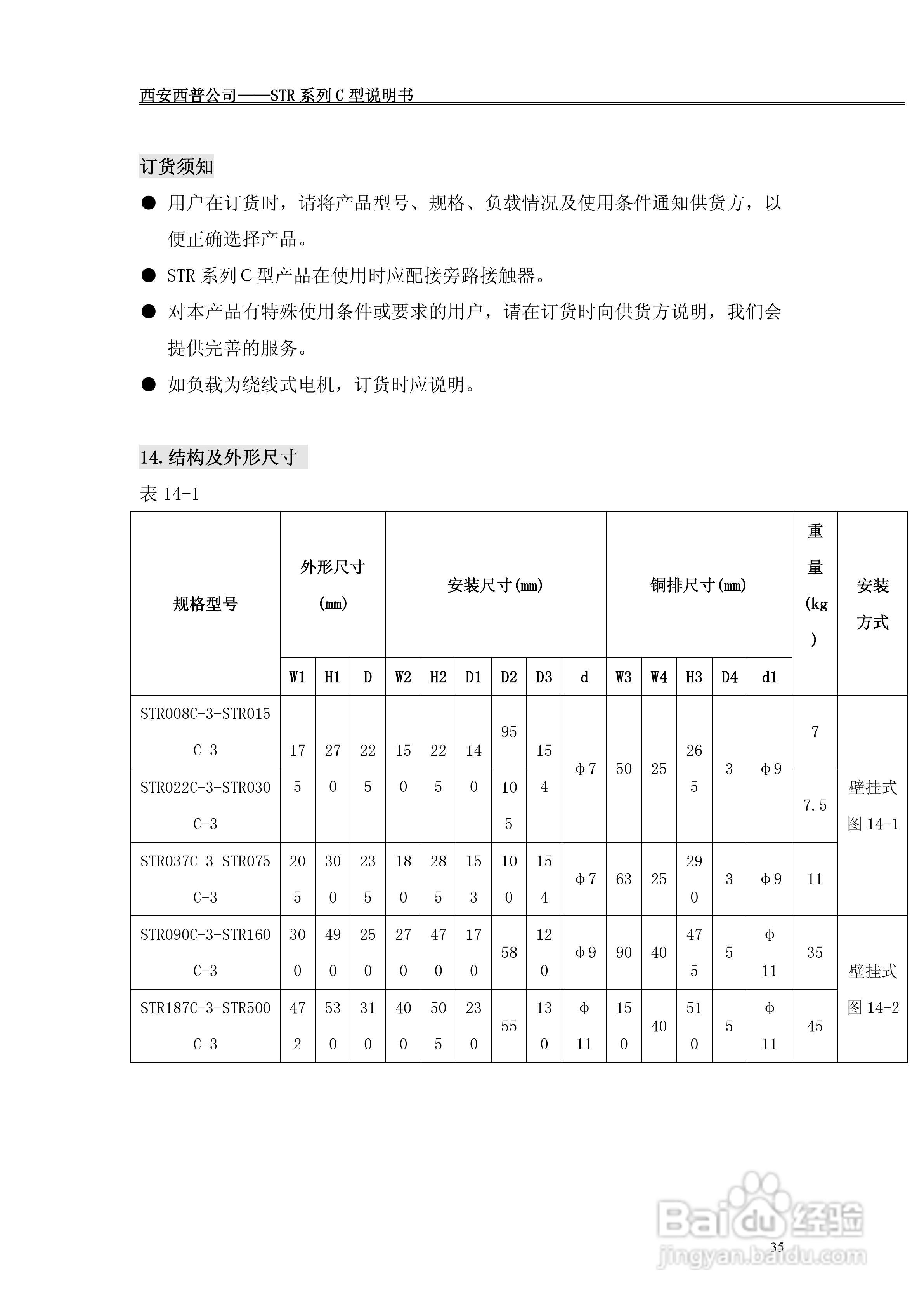
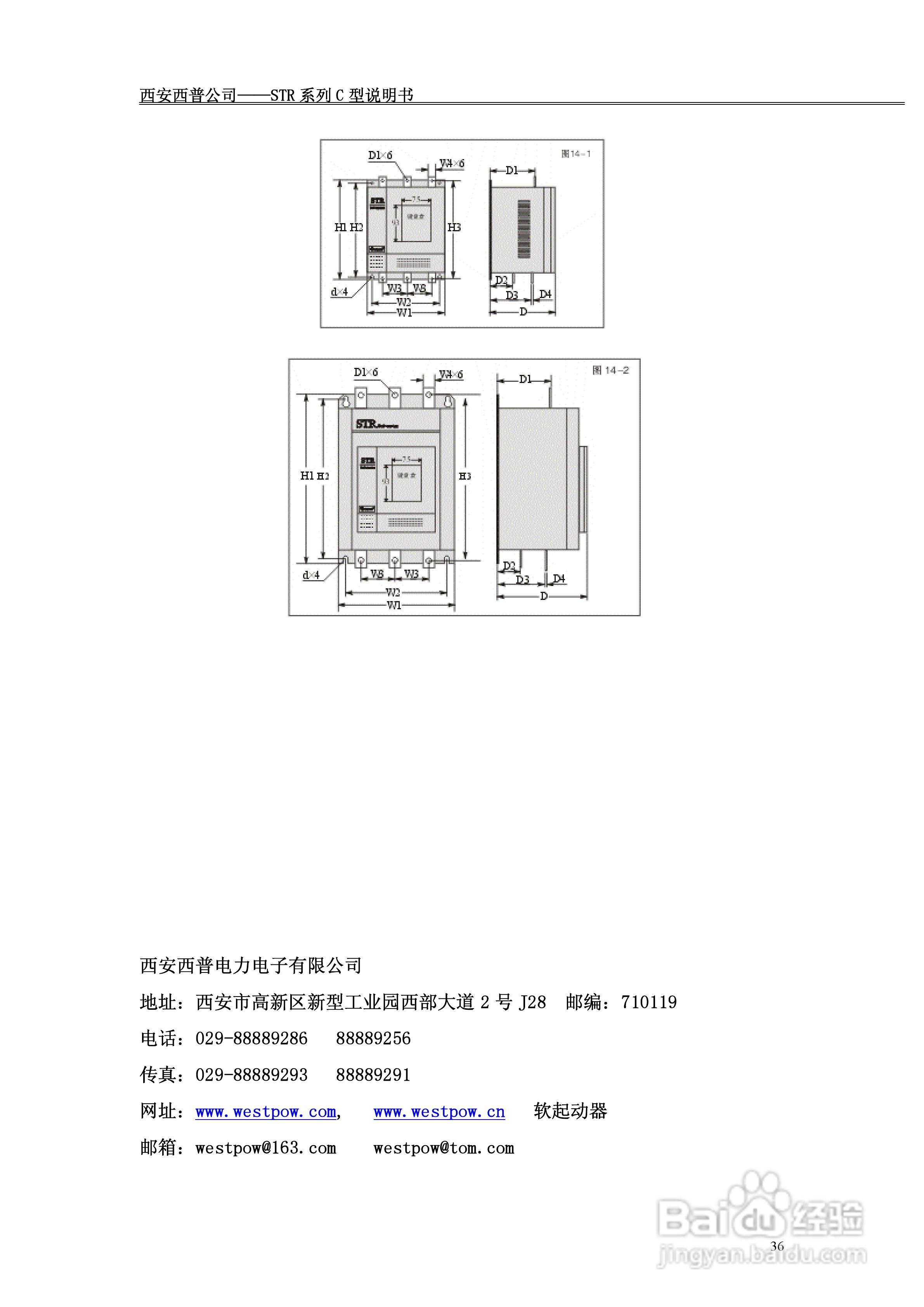
西普电子STR系列C型软起动器说明书V1.2版:[4]
2026-04-24 20:24:01
本篇为《西普电子STR系列C型软起动器说明书V1.2版》,主要介绍该产品的使用方法以及常见故障解决方案。
(共篇)
上一篇:
声明:
本网站引用、摘录或转载内容仅供网站访问者交流或参考,不代表本站立场,如存在版权或非法内容,请联系站长删除,联系邮箱:site.kefu@qq.com。
相关推荐
西普电子STR系列C型软起动器说明书V1.2版:[1]
阅读量:69
西普电子STR系列L型软起动器说明书V1.1版:[2]
阅读量:79
西普电子STR系列L型软起动器说明书V1.1版:[1]
阅读量:79
西普电子STR系列A/B/G型软起动器说明书V6.3版:[1]
阅读量:62
西普电子STR系列A/B/G型软起动器说明书V6.3版:[3]
阅读量:130
猜你喜欢
集美大学怎么样
天生皮肤黑怎么快速美白
袋鼠妈妈怎么样
小凤仙浮漂怎么样
脸上过敏红肿怎么办
初三考不上高中怎么办
容易紧张怎么办
英雄联盟怎么发所有人
凤雏怎么死的
手臂发麻是怎么回事
猜你喜欢
淘宝运费险怎么退
黑头是怎么形成的
单眼皮怎么画眼妆
怎么清理c盘垃圾
葡萄酒怎么开
孩子不爱学习怎么办
房顶漏水怎么办
干虾怎么做好吃
我怎么了作文
河北外国语学院怎么样