指南生活
首页
美食营养
手工爱好
生活家居
返回
指南生活
首页
美食营养
游戏数码
手工爱好
生活家居
健康养生
运动户外
职场理财
情感交际
母婴教育
时尚美容
知识问答
生活知识
生活百科
搜索
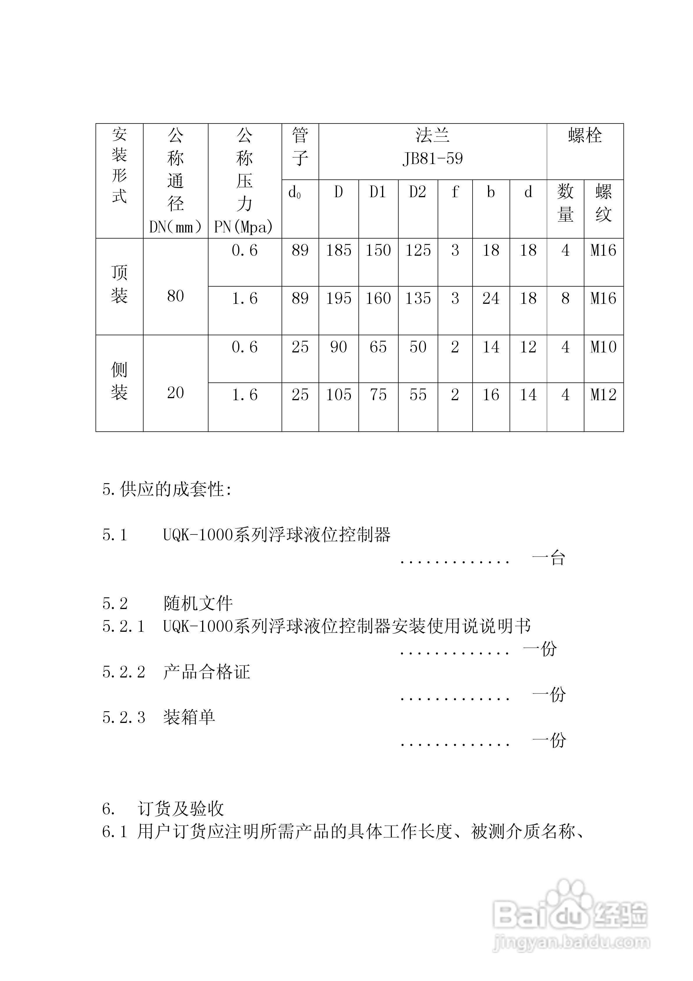
UQK-1000系列浮球液位控制器说明书
2026-05-04 13:37:15
声明:
本网站引用、摘录或转载内容仅供网站访问者交流或参考,不代表本站立场,如存在版权或非法内容,请联系站长删除,联系邮箱:site.kefu@qq.com。
相关推荐
OK-NS405 PID自整定控制仪使用说明书
阅读量:118
iPhone 4自己动手轻松制作PXL教程
阅读量:37
得福DFRL变压器容量测试仪说明书
阅读量:49
用jquery点击a标签怎么做?
阅读量:173
KVB PRIME教你辨识什么是优质的线上交易商
阅读量:44
猜你喜欢
苹果手机卡怎么办
隐藏文件夹怎么显示
突然头晕是怎么回事
怎么卸载360
怎么自己让下面喷水
我的世界工作台怎么做
消逝的光芒怎么联机
dnf卡片怎么升级
怎么申请微信号
活动方案怎么写
猜你喜欢
隐藏文件夹怎么显示
怎么用
牙齿松动怎么办
吃撑了怎么快速消化
电脑用户名怎么改
孔雀鱼怎么养
紧急避孕药怎么吃
雀氏纸尿裤怎么样
腿抽筋是怎么回事
眼睛肿了怎么快速消肿