指南生活
首页
美食营养
手工爱好
生活家居
返回
指南生活
首页
美食营养
游戏数码
手工爱好
生活家居
健康养生
运动户外
职场理财
情感交际
母婴教育
时尚美容
知识问答
生活知识
生活百科
搜索
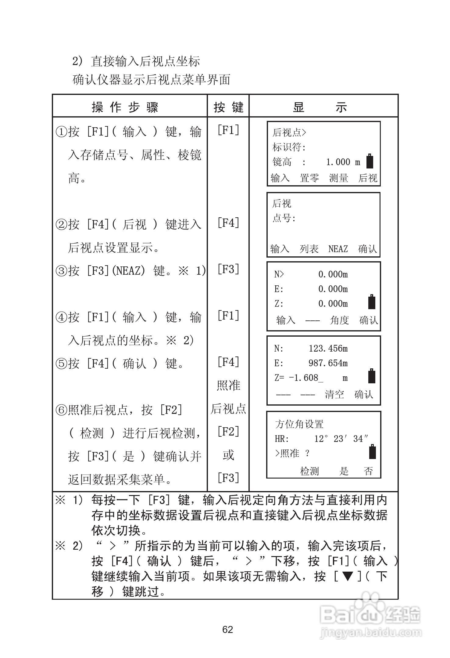
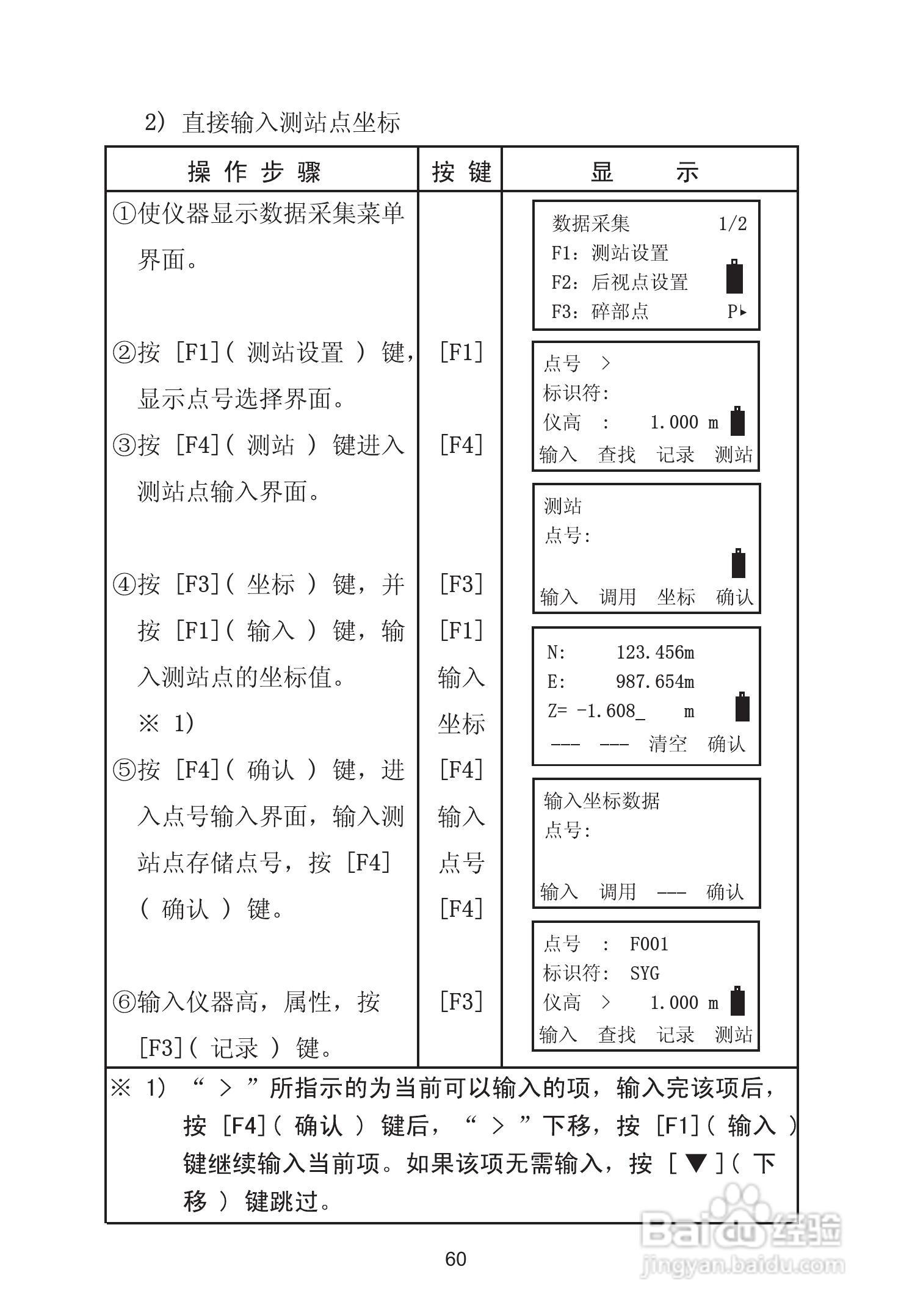
苏州一光RTS630D全站仪使用说明书:[8]
2026-05-10 21:14:41
本篇为《苏州一光RTS630D全站仪使用说明书》,主要介绍该产品的使用方法以及常见故障解决方案。
(共篇)
上一篇:
|
下一篇:
声明:
本网站引用、摘录或转载内容仅供网站访问者交流或参考,不代表本站立场,如存在版权或非法内容,请联系站长删除,联系邮箱:site.kefu@qq.com。
相关推荐
苏州一光RTS630D全站仪使用说明书:[9]
阅读量:30
苏州一光RTS630D全站仪使用说明书:[15]
阅读量:184
苏州一光RTS315L全站仪使用说明书:[8]
阅读量:25
苏州一光RTS322R5全站仪使用说明书:[8]
阅读量:67
使用说明书封面怎么做
阅读量:26
猜你喜欢
接驳是什么意思
rear是什么意思
微信公众号有什么用
热血江湖什么职业厉害
瑰丽的意思
鹏程万里是什么意思
登峰造极的意思
不名一文的意思
德高望重的望是什么意思
http是什么意思
猜你喜欢
冠冕堂皇的意思
悲痛欲绝的意思
敏感肌肤用什么洗面奶
99是什么意思
without是什么意思
sku是什么意思
each是什么意思
冲狗煞南是什么意思
air是什么意思
皮肤干用什么护肤品好