指南生活
首页
美食营养
手工爱好
生活家居
返回
指南生活
首页
美食营养
游戏数码
手工爱好
生活家居
健康养生
运动户外
职场理财
情感交际
母婴教育
时尚美容
知识问答
生活知识
生活百科
搜索
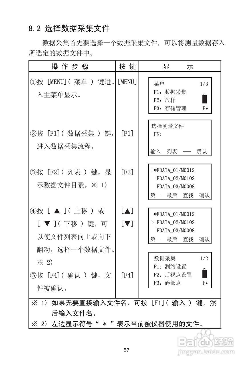
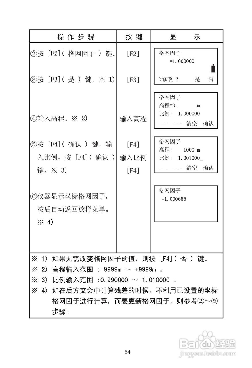
苏州一光RTS630D全站仪使用说明书:[7]
2026-03-26 01:43:53
本篇为《苏州一光RTS630D全站仪使用说明书》,主要介绍该产品的使用方法以及常见故障解决方案。
(共篇)
上一篇:
|
下一篇:
声明:
本网站引用、摘录或转载内容仅供网站访问者交流或参考,不代表本站立场,如存在版权或非法内容,请联系站长删除,联系邮箱:site.kefu@qq.com。
相关推荐
苏州一光RTS630D全站仪使用说明书:[8]
阅读量:136
苏州一光RTS315L全站仪使用说明书:[7]
阅读量:87
苏州一光RTS322R5全站仪使用说明书:[7]
阅读量:184
使用说明书封面怎么做
阅读量:105
使用说明书wf2651使用指南
阅读量:125
猜你喜欢
白皮书是什么意思
什么是政治面貌
diss是什么意思
1967年属什么
小腹疼痛是什么原因
什么是党的生命
ss是什么意思
呵呵是什么意思
相悖是什么意思
panda是什么意思
猜你喜欢
春雨像什么
last是什么意思
inch是什么单位
无间道是什么意思
广东有什么大学
不屑是什么意思
pahs是什么意思
12339是什么电话
burberry是什么牌子
天道酬勤什么意思