指南生活
首页
美食营养
手工爱好
生活家居
返回
指南生活
首页
美食营养
游戏数码
手工爱好
生活家居
健康养生
运动户外
职场理财
情感交际
母婴教育
时尚美容
知识问答
生活知识
生活百科
搜索
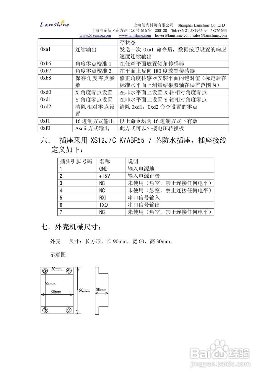
朗尚AT-201-SC型倾角传感器使用说明书
2026-05-17 14:28:01
声明:
本网站引用、摘录或转载内容仅供网站访问者交流或参考,不代表本站立场,如存在版权或非法内容,请联系站长删除,联系邮箱:site.kefu@qq.com。
相关推荐
朗尚AT-201-SD型倾角传感器使用说明书
阅读量:26
朗尚AT-201-SW型倾角传感器使用说明书
阅读量:124
朗尚AT-201-SC-001型倾角传感器使用说明书
阅读量:96
ZCT245JS-FTQ双轴倾角传感器使用说明书
阅读量:76
KHP156-Z1煤矿用带式输送机保护装置电控箱使用说明书:[1]
阅读量:143
猜你喜欢
仓位是什么意思
ots是什么意思
芬芳馥郁的意思
梦见厕所是什么意思
什么是焦裕禄精神
grant是什么意思
安康的意思
mom是什么意思
什么是4g
nba什么时候开赛
猜你喜欢
什么牌子的微波炉好
什么是二八法则
开药店要具备什么条件
五个一是什么
三八发什么
钙化是什么意思
体味的意思
什么是现货投资
什么牌子冰箱质量好
sync是什么意思车上的