指南生活
首页
美食营养
手工爱好
生活家居
返回
指南生活
首页
美食营养
游戏数码
手工爱好
生活家居
健康养生
运动户外
职场理财
情感交际
母婴教育
时尚美容
知识问答
生活知识
搜索
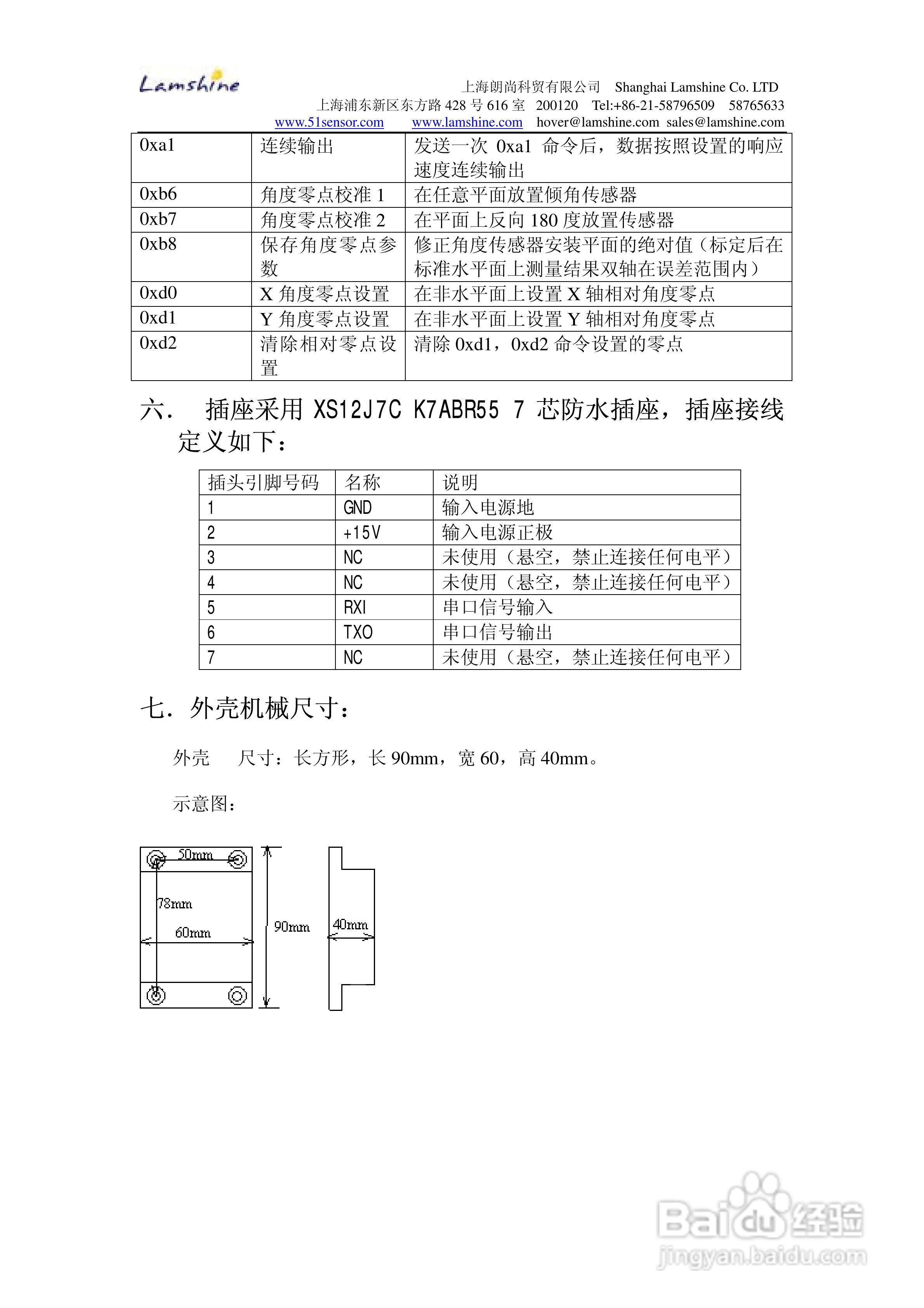
朗尚AT-201-SC-001型倾角传感器使用说明书
2025-12-29 09:22:08
声明:
本网站引用、摘录或转载内容仅供网站访问者交流或参考,不代表本站立场,如存在版权或非法内容,请联系站长删除,联系邮箱:site.kefu@qq.com。
相关推荐
朗尚AT-201-SC型倾角传感器使用说明书
阅读量:52
朗尚AT-201-SD型倾角传感器使用说明书
阅读量:48
倾角传感器安装版使用说明
阅读量:48
BWL328倾角传感器怎么使用
阅读量:65
ZCT215DL-I2 电流型双轴倾角传感器使用说明书
阅读量:131
猜你喜欢
红血丝怎么治疗
老公打呼噜怎么办
违章一般多少天可以查到
操场埋尸案怎么发现的
孕妇可以纹眉毛吗
海南岛旅游
狍子肉怎么做好吃
吃了头孢多久可以喝酒
胶布过敏怎么办
怎么获得root权限
猜你喜欢
饭后多久可以运动
尴尬五笔怎么打
凉拌豆腐的做法
东钱湖旅游度假区
穿越火线空格怎么打
碘伏可以涂在痘痘上吗
凤凰古城旅游攻略
刮宫后多久可以同房
淘宝的会员名怎么改
情侣旅游胜地