指南生活
首页
美食营养
手工爱好
生活家居
返回
指南生活
首页
美食营养
游戏数码
手工爱好
生活家居
健康养生
运动户外
职场理财
情感交际
母婴教育
时尚美容
知识问答
生活知识
生活百科
搜索
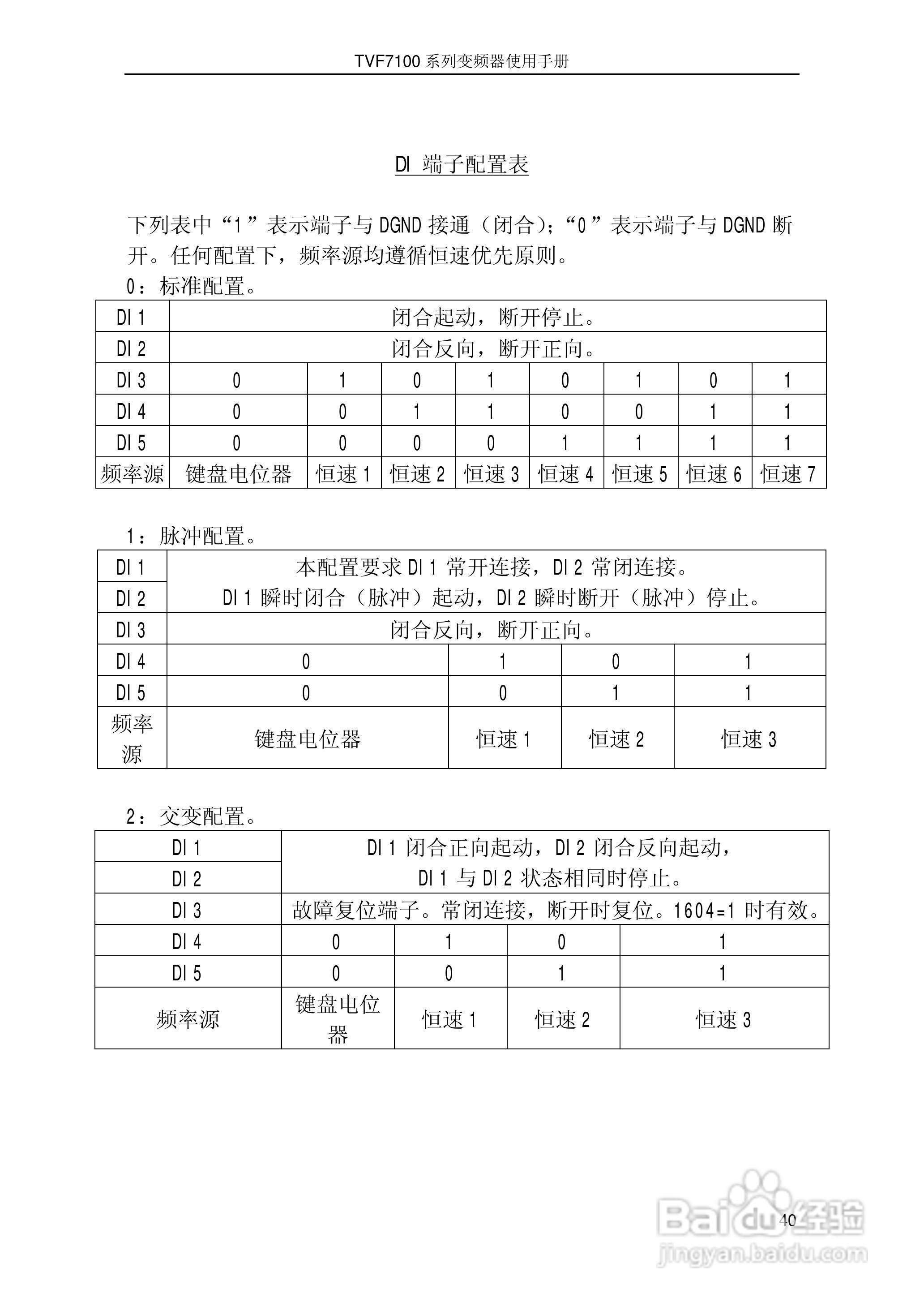
时代TVF7100-0015型变频器说明书:[4]
2026-03-23 13:11:25
本篇为《时代TVF7100-0015型变频器说明书》,主要介绍该产品的使用方法以及常见故障解决方案。
(共篇)
上一篇:
|
下一篇:
声明:
本网站引用、摘录或转载内容仅供网站访问者交流或参考,不代表本站立场,如存在版权或非法内容,请联系站长删除,联系邮箱:site.kefu@qq.com。
相关推荐
时代TVF7100-0015型变频器说明书:[2]
阅读量:98
时代TVF7100-0015型变频器说明书:[3]
阅读量:26
时代变频器TVF2750用户手册:[4]
阅读量:73
时代变频器TVF2750用户手册:[5]
阅读量:102
时代变频器TVF2750用户手册:[6]
阅读量:179
猜你喜欢
epdm是什么材料
酸菜的腌制方法
山芋是什么
补充公积金是什么意思
蚯蚓养殖技术
车衣什么材质好
维生素
8月23日是什么节日
悄悄地什么填空
羊肉串怎么腌制
猜你喜欢
种植什么药材最赚钱
mask是什么意思
补充养老保险是什么
ova是什么意思
幸福树的养殖方法和注意事项
周迅什么时候离的婚
鸡和什么生肖最配
broken什么意思
契机是什么意思
运动会广播稿大全