指南生活
首页
美食营养
手工爱好
生活家居
返回
指南生活
首页
美食营养
游戏数码
手工爱好
生活家居
健康养生
运动户外
职场理财
情感交际
母婴教育
时尚美容
知识问答
生活知识
生活百科
搜索
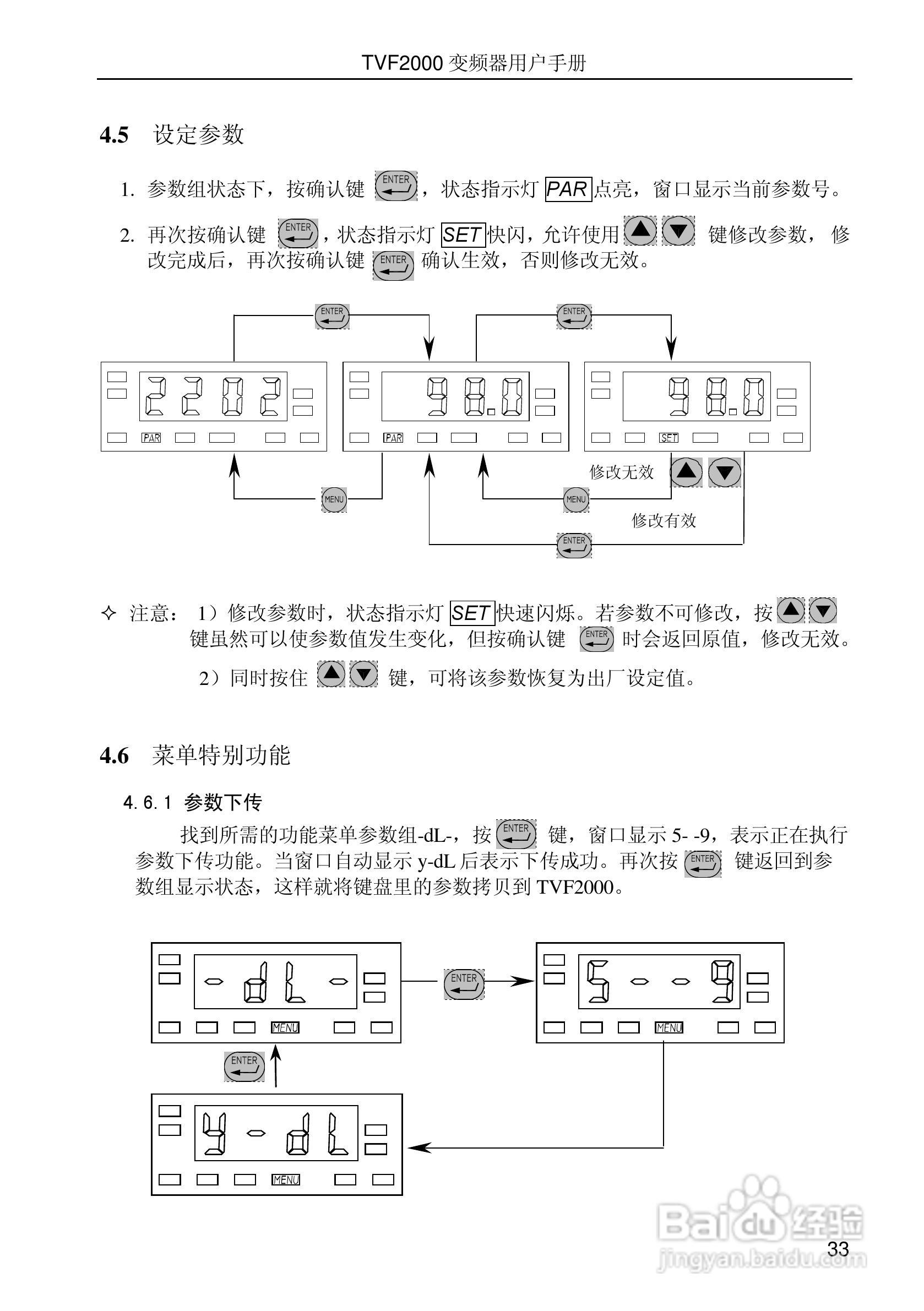
时代变频器TVF2750用户手册:[4]
2026-05-08 15:35:27
本篇为《时代变频器TVF2750用户手册》,主要介绍该产品的使用方法以及常见故障解决方案。
(共篇)
上一篇:
|
下一篇:
声明:
本网站引用、摘录或转载内容仅供网站访问者交流或参考,不代表本站立场,如存在版权或非法内容,请联系站长删除,联系邮箱:site.kefu@qq.com。
相关推荐
时代变频器TVF2750用户手册:[3]
阅读量:134
时代TVF7100-0015型变频器说明书:[4]
阅读量:56
TVF5000系列变频调速器使用手册V2.2:[4]
阅读量:142
时代TVF7100-0015型变频器说明书:[2]
阅读量:146
时代TVF7100-0015型变频器说明书:[3]
阅读量:143
猜你喜欢
青葱岁月是什么意思
dps是什么意思
pppoe是什么意思
1月19日是什么星座
股票xd开头什么意思
secx等于什么
什么是凤凰男
9月8日是什么星座
飞机上不能带什么
表白送什么礼物好
猜你喜欢
去澳门买什么好
1995年属什么
益母草什么时候喝最好
these是什么意思
征集志愿是什么意思
喀秋莎是什么意思
622848开头是什么银行
肺痨是什么病
code是什么意思
cloudy是什么意思