指南生活
首页
美食营养
手工爱好
生活家居
返回
指南生活
首页
美食营养
游戏数码
手工爱好
生活家居
健康养生
运动户外
职场理财
情感交际
母婴教育
时尚美容
知识问答
生活知识
生活百科
搜索
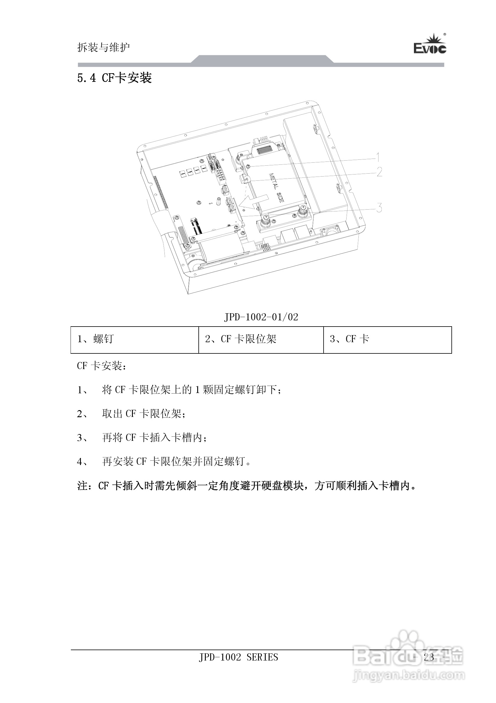
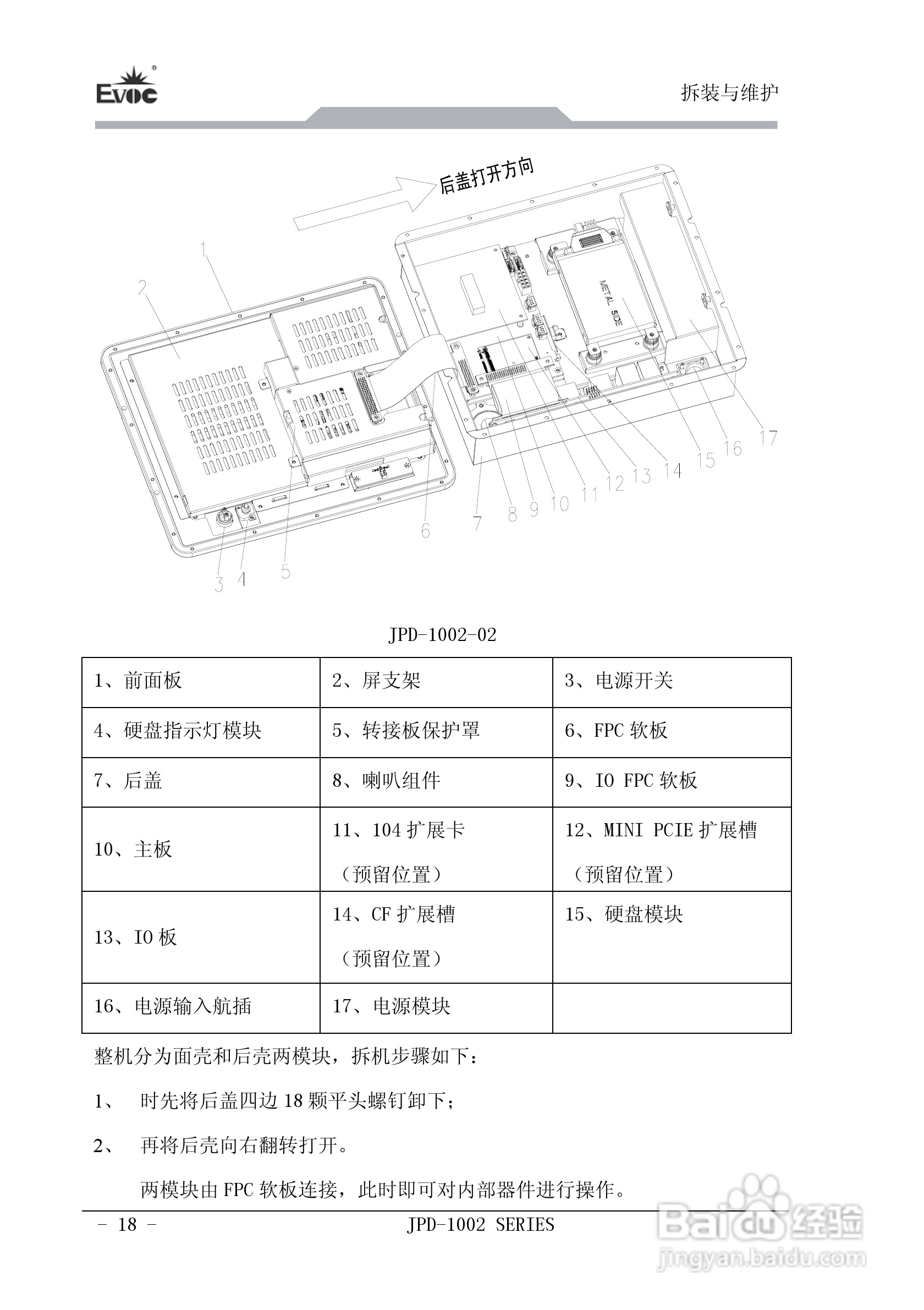
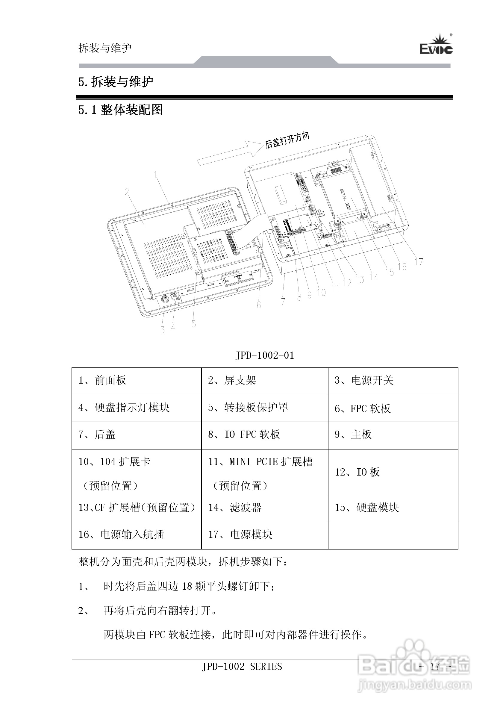
研祥JPD-1002加固平板电脑说明书:[3]
2026-04-27 03:58:12
本篇为《研祥JPD-1002加固平板电脑说明书》,主要介绍该产品的使用方法以及常见故障解决方案。
(共篇)
上一篇:
|
下一篇:
声明:
本网站引用、摘录或转载内容仅供网站访问者交流或参考,不代表本站立场,如存在版权或非法内容,请联系站长删除,联系邮箱:site.kefu@qq.com。
相关推荐
研祥JPD-1002加固平板电脑说明书:[7]
阅读量:48
研祥PDS-1902工业平板电脑说明书:[3]
阅读量:178
研祥PDS-1902工业平板电脑说明书:[2]
阅读量:54
研祥PDS-1502工业平板电脑说明书:[3]
阅读量:31
研祥PPC-1561工业平板电脑说明书:[3]
阅读量:97
猜你喜欢
韩国旅游买什么最值
本能的意思
本帮菜是什么意思
tired的意思
积分换话费发什么到10086
清洁度三度是什么意思
质朴无华的意思
phd是什么意思
日本有什么好买的
哀鸿遍野的意思
猜你喜欢
赟的读音和意思
cross是什么意思
什么电影最搞笑
风华正茂是什么意思
坚持不懈是什么意思
我的世界金矿用什么挖
秋天适合喝什么汤
dsp是什么意思
arrive是什么意思
pilot是什么意思