指南生活
首页
美食营养
手工爱好
生活家居
返回
指南生活
首页
美食营养
游戏数码
手工爱好
生活家居
健康养生
运动户外
职场理财
情感交际
母婴教育
时尚美容
知识问答
生活知识
搜索
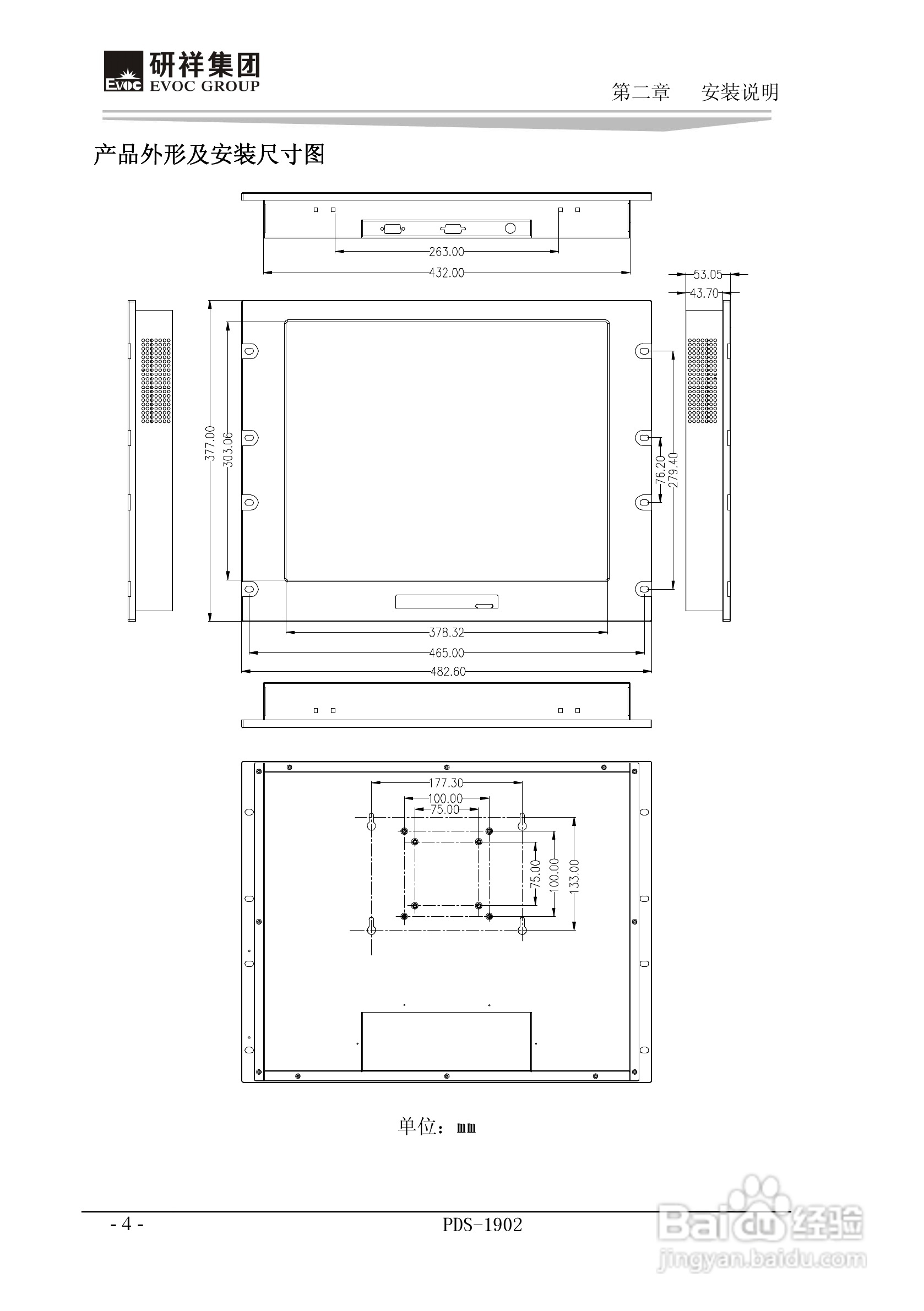
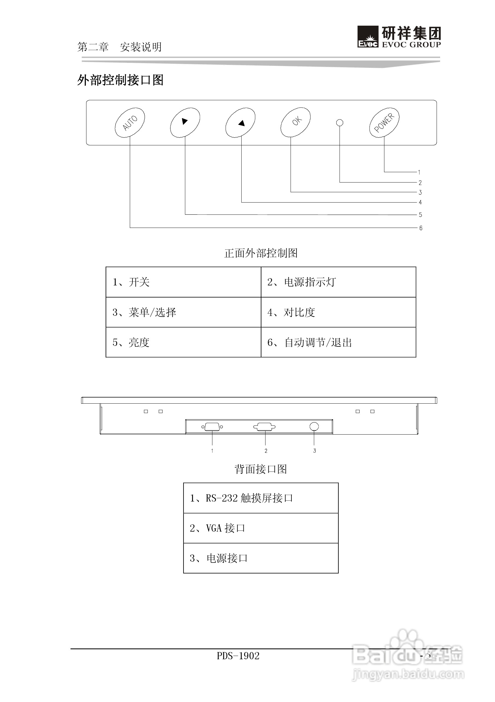
研祥PDS-1902工业平板电脑说明书:[2]
2025-12-11 07:53:31
本篇为《研祥PDS-1902工业平板电脑说明书》,主要介绍该产品的使用方法以及常见故障解决方案。
(共篇)
上一篇:
|
下一篇:
声明:
本网站引用、摘录或转载内容仅供网站访问者交流或参考,不代表本站立场,如存在版权或非法内容,请联系站长删除,联系邮箱:site.kefu@qq.com。
相关推荐
研祥PDS-1902工业平板电脑说明书:[3]
阅读量:179
研祥PDS-1502工业平板电脑说明书:[2]
阅读量:36
研祥PDS-1202工业平板电脑说明书
阅读量:45
研祥PPC-1005工业平板电脑说明书:[2]
阅读量:96
研祥PPC-1561工业平板电脑说明书:[2]
阅读量:127
猜你喜欢
微信怎么发状态
修改器大全
神奇宝贝图鉴大全
背背佳怎么穿
男运动鞋品牌大全
英雄联盟英雄图片大全
双胞胎名字大全
语录大全
滑翔纸飞机怎么折
指导思想怎么写
猜你喜欢
微信表情图片大全
第一次怎么接吻
李易峰照片大全
肛瘘是怎么回事
六年级周记大全
初中文言文大全
体积计算公式大全
小孩不吃奶粉怎么办
好听的微信名字大全
观音像图片大全