指南生活
首页
美食营养
手工爱好
生活家居
返回
指南生活
首页
美食营养
游戏数码
手工爱好
生活家居
健康养生
运动户外
职场理财
情感交际
母婴教育
时尚美容
搜索
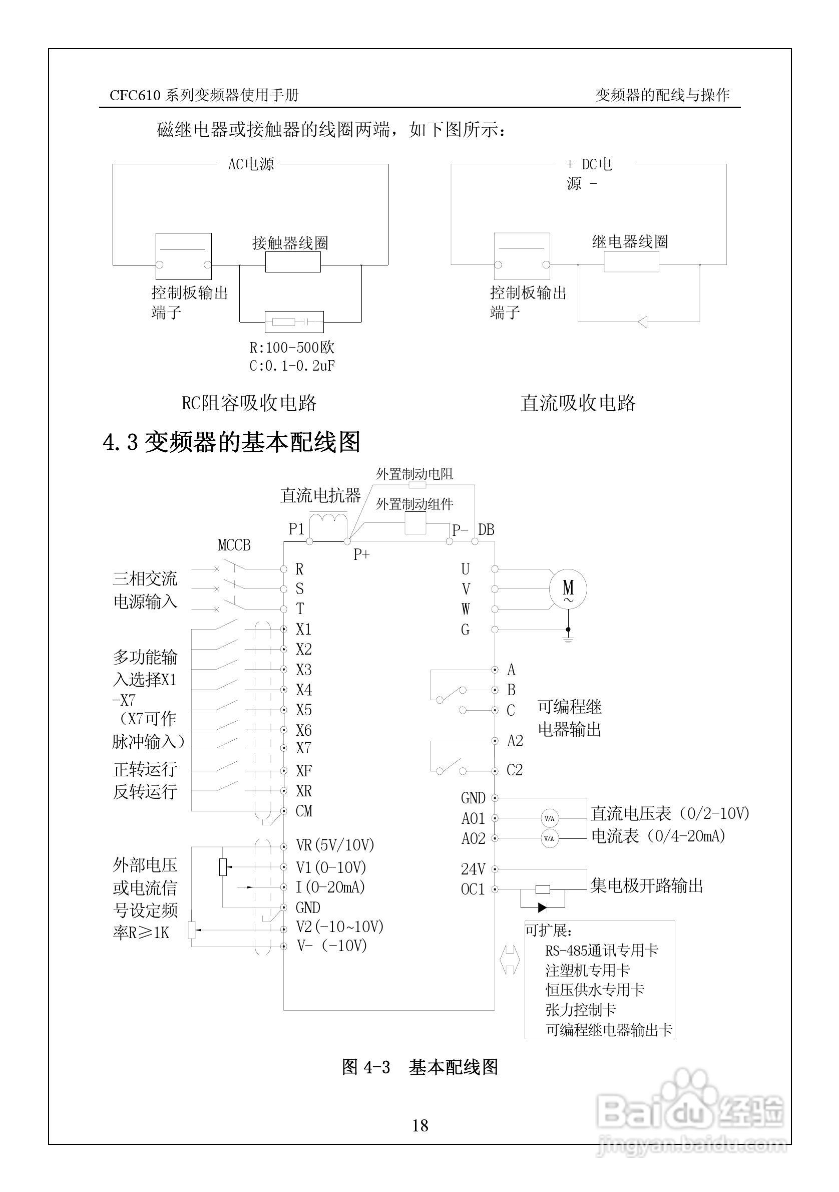
西驰CFC610-2T0900G变频器使用手册:[3]
2025-10-29 17:37:10
本篇为《西驰CFC610-2T0900G变频器使用手册》,主要介绍该产品的使用方法以及常见故障解决方案。
(共篇)
上一篇:
|
下一篇:
声明:
本网站引用、摘录或转载内容仅供网站访问者交流或参考,不代表本站立场,如存在版权或非法内容,请联系站长删除,联系邮箱:site.kefu@qq.com。
相关推荐
西驰CFC610-2T0900G变频器使用手册:[2]
阅读量:120
西驰CFC610-2T0900G变频器使用手册:[5]
阅读量:162
蓝海华腾变频器V6-H-2T2.2G说明书:[3]
阅读量:195
蓝海华腾变频器V5-H-2T2.2G说明书:[3]
阅读量:190
变频器调试接线教程
阅读量:163
猜你喜欢
会计核算方法
降血糖最有效的方法
打领带的方法
鼻子里面干疼结痂是怎么回事
不爱说话怎么办
优步跑步机怎么样
同学录留言大全
金华火腿怎么做好吃
清炖鸡块的家常做法
治疗牙疼的快速方法
猜你喜欢
扑克牌玩法大全
数学速算方法
墨兰的养殖方法
美的豆浆机怎么用
海藻面膜怎么用
成本核算方法
方法的近义词
乘法口诀速记方法
东风风光怎么样
宿州学院怎么样