指南生活
首页
美食营养
手工爱好
生活家居
返回
指南生活
首页
美食营养
游戏数码
手工爱好
生活家居
健康养生
运动户外
职场理财
情感交际
母婴教育
时尚美容
知识问答
生活知识
生活百科
搜索
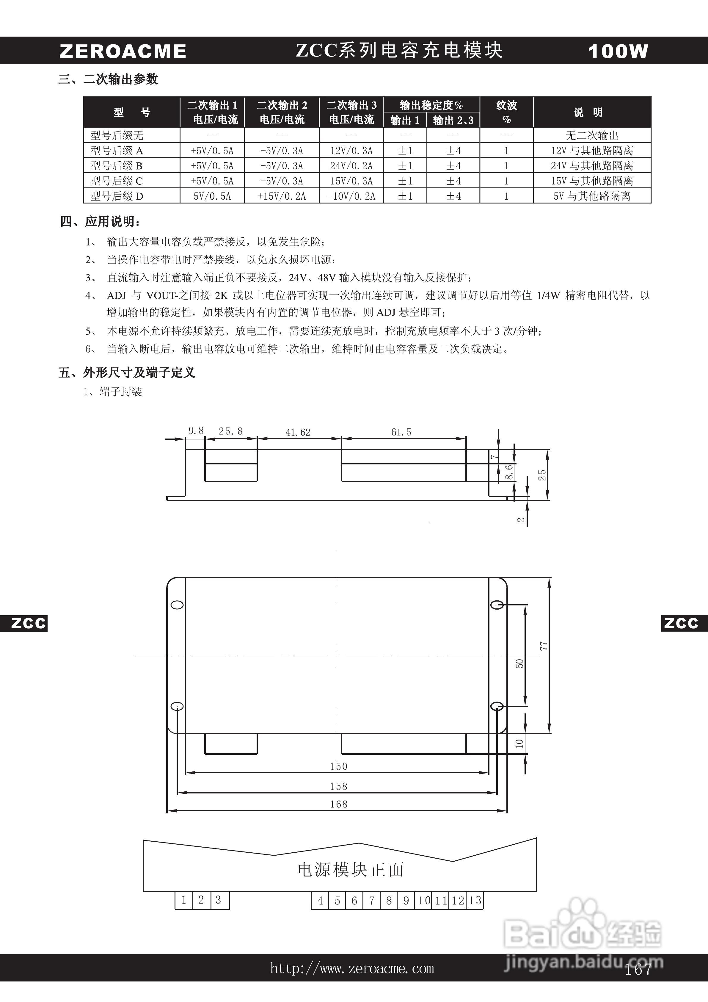
中盛科技ZCC系列电容充电电源产品说明书:[1]
2026-05-01 01:34:50
本篇为《中盛科技ZCC系列电容充电电源产品说明书》,主要介绍该产品的使用方法以及常见故障解决方案。
(共篇)
下一篇:
声明:
本网站引用、摘录或转载内容仅供网站访问者交流或参考,不代表本站立场,如存在版权或非法内容,请联系站长删除,联系邮箱:site.kefu@qq.com。
相关推荐
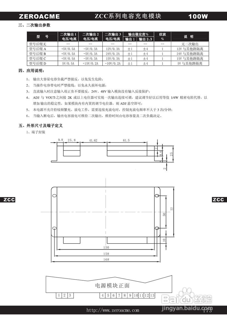
中盛科技ZCC系列电容充电电源产品说明书:[2]
阅读量:119
电容在电源中的应用
阅读量:57
MOS管的电容说明
阅读量:114
X7R电容说明书:[1]
阅读量:166
什么是电容及其分类
阅读量:43
猜你喜欢
戈壁的意思
夕阳无限好只是近黄昏的意思
交口称赞是什么意思
hook是什么意思
颐指气使的意思
however是什么意思
芸芸众生是什么意思
尿检阳性是什么意思
钻石戒指什么牌子好
cucumber是什么意思
猜你喜欢
李代桃僵是什么意思
迷惘的意思
ota是什么意思
重阳节的祝福
冰天雪地的意思
york是什么意思
truck是什么意思
异地审车需要什么手续
什么单机游戏可以联机
trap是什么意思