指南生活
首页
美食营养
手工爱好
生活家居
返回
指南生活
首页
美食营养
游戏数码
手工爱好
生活家居
健康养生
运动户外
职场理财
情感交际
母婴教育
时尚美容
知识问答
生活知识
搜索
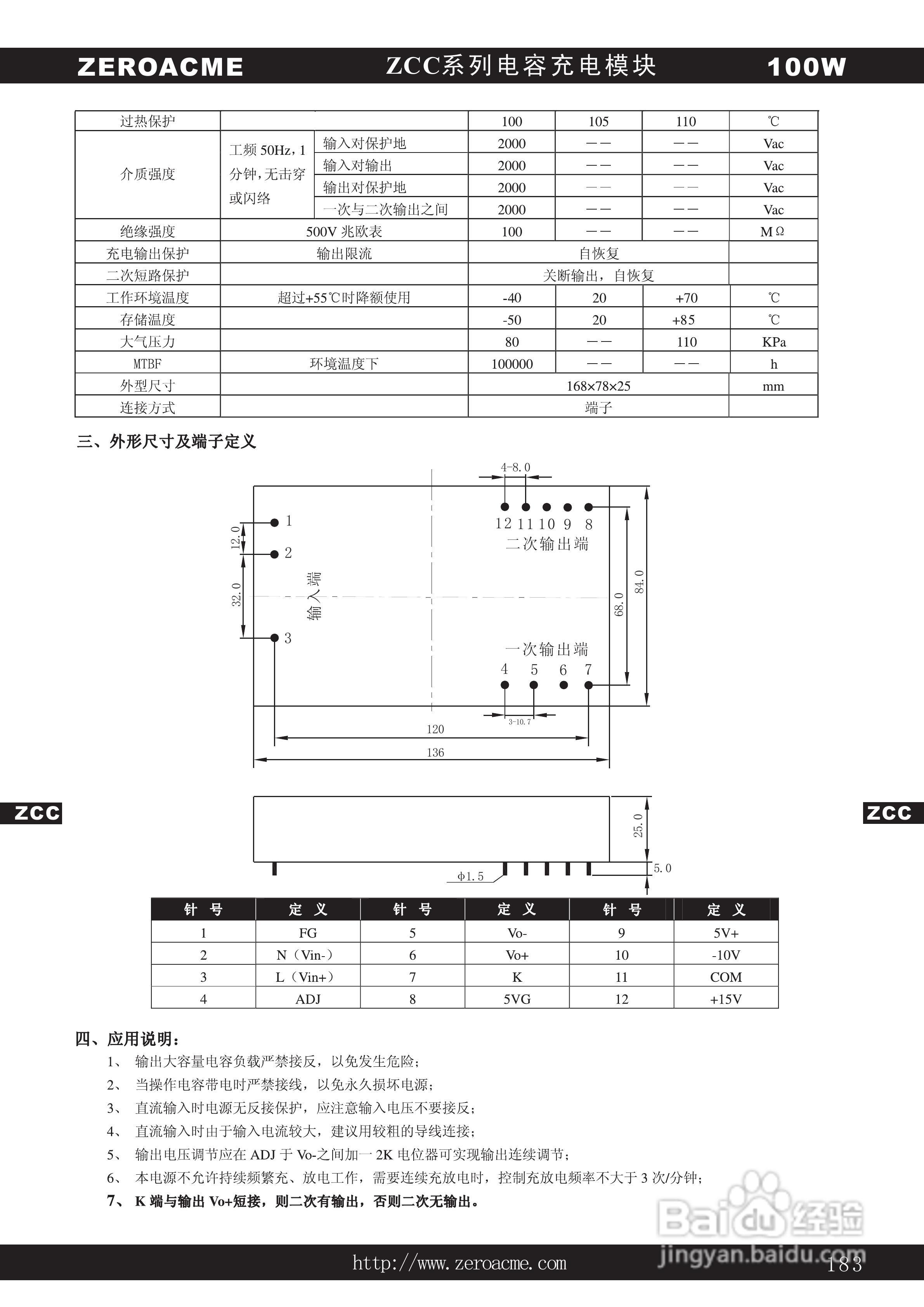
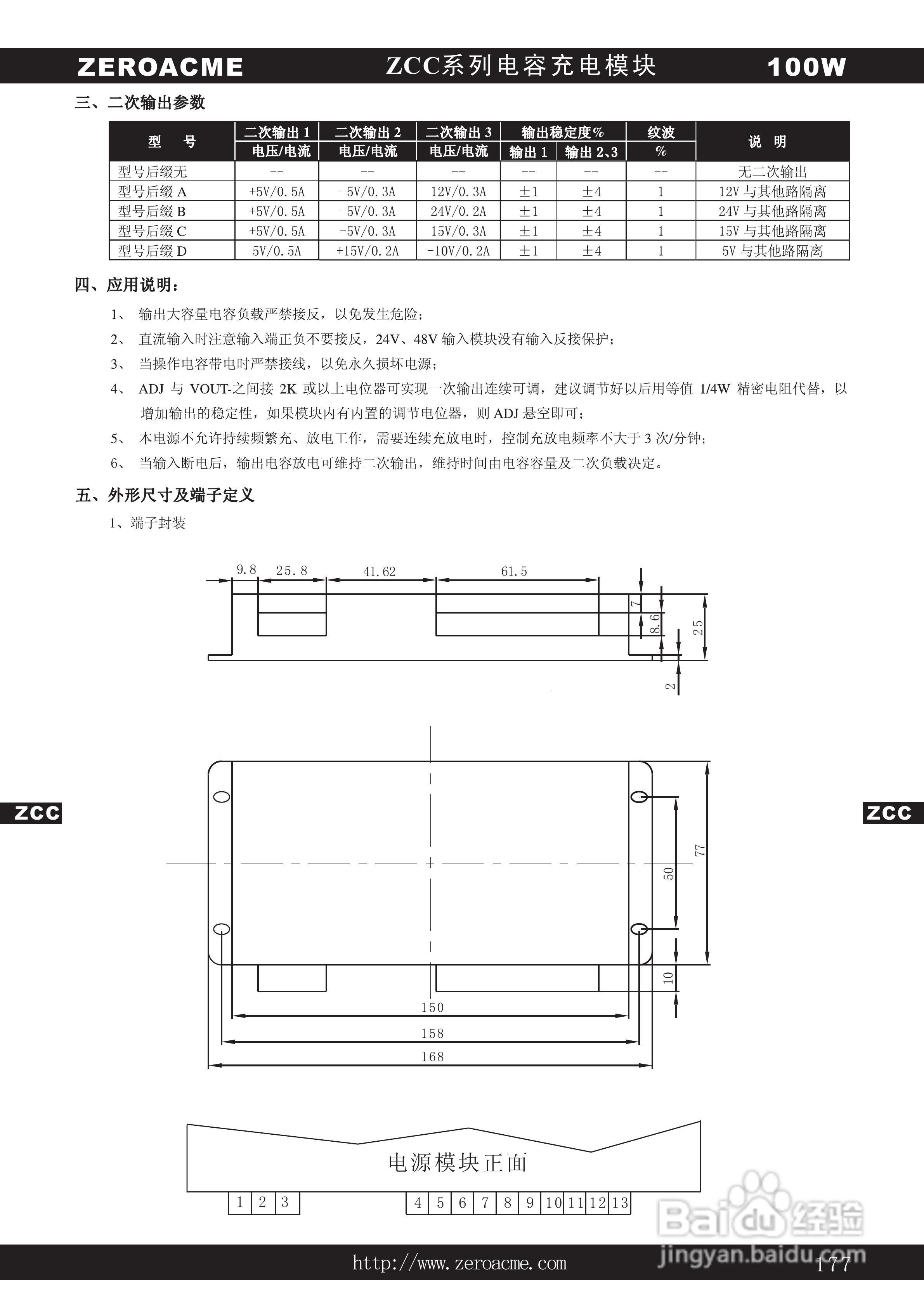
中盛科技ZCC系列电容充电电源产品说明书:[2]
2025-12-18 08:54:08
本篇为《中盛科技ZCC系列电容充电电源产品说明书》,主要介绍该产品的使用方法以及常见故障解决方案。
(共篇)
上一篇:
|
下一篇:
声明:
本网站引用、摘录或转载内容仅供网站访问者交流或参考,不代表本站立场,如存在版权或非法内容,请联系站长删除,联系邮箱:site.kefu@qq.com。
相关推荐
绿联20339六孔位双USB智能插线板功能使用
阅读量:186
海信TLM3207U液晶彩电使用说明书:[2]
阅读量:177
dlink无线路由器设置
阅读量:166
宏基P5271投影使用说明书:[2]
阅读量:36
怎么用NETGEAR网件WMS5316来管理WIFI信号
阅读量:196
猜你喜欢
酸辣粉怎么做好吃
怎么祛除青春痘
手机短信删除了怎么恢复
森林防火内容怎么写
怕冷是怎么回事
法令纹深怎么办
北京建筑大学怎么样
绞刑是怎么执行的
苹果快捷键怎么设置
网络电视怎么看直播
猜你喜欢
怎么样算包皮过长
产后妊娠纹怎么消除
阳光保险公司怎么样
月经疼痛怎么缓解
怎么更改苹果id账号
怎么搜索
安惠产品怎么样
孕妇上火了怎么办
葡萄英文怎么读
u盘进水了怎么办