指南生活
首页
美食营养
手工爱好
生活家居
返回
指南生活
首页
美食营养
游戏数码
手工爱好
生活家居
健康养生
运动户外
职场理财
情感交际
母婴教育
时尚美容
知识问答
生活知识
生活百科
搜索
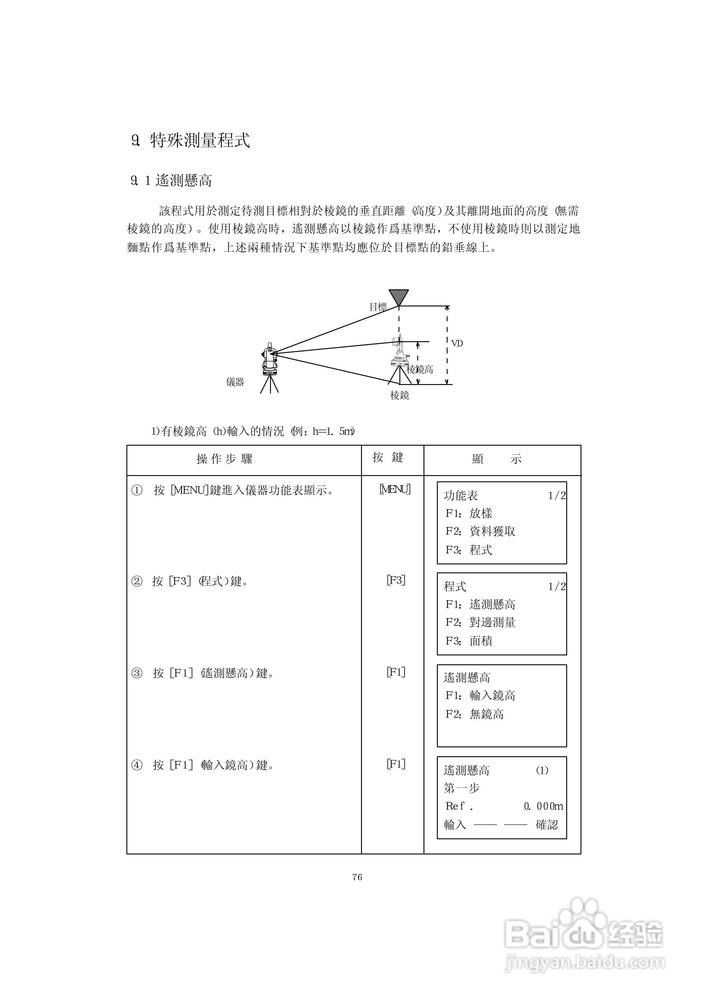
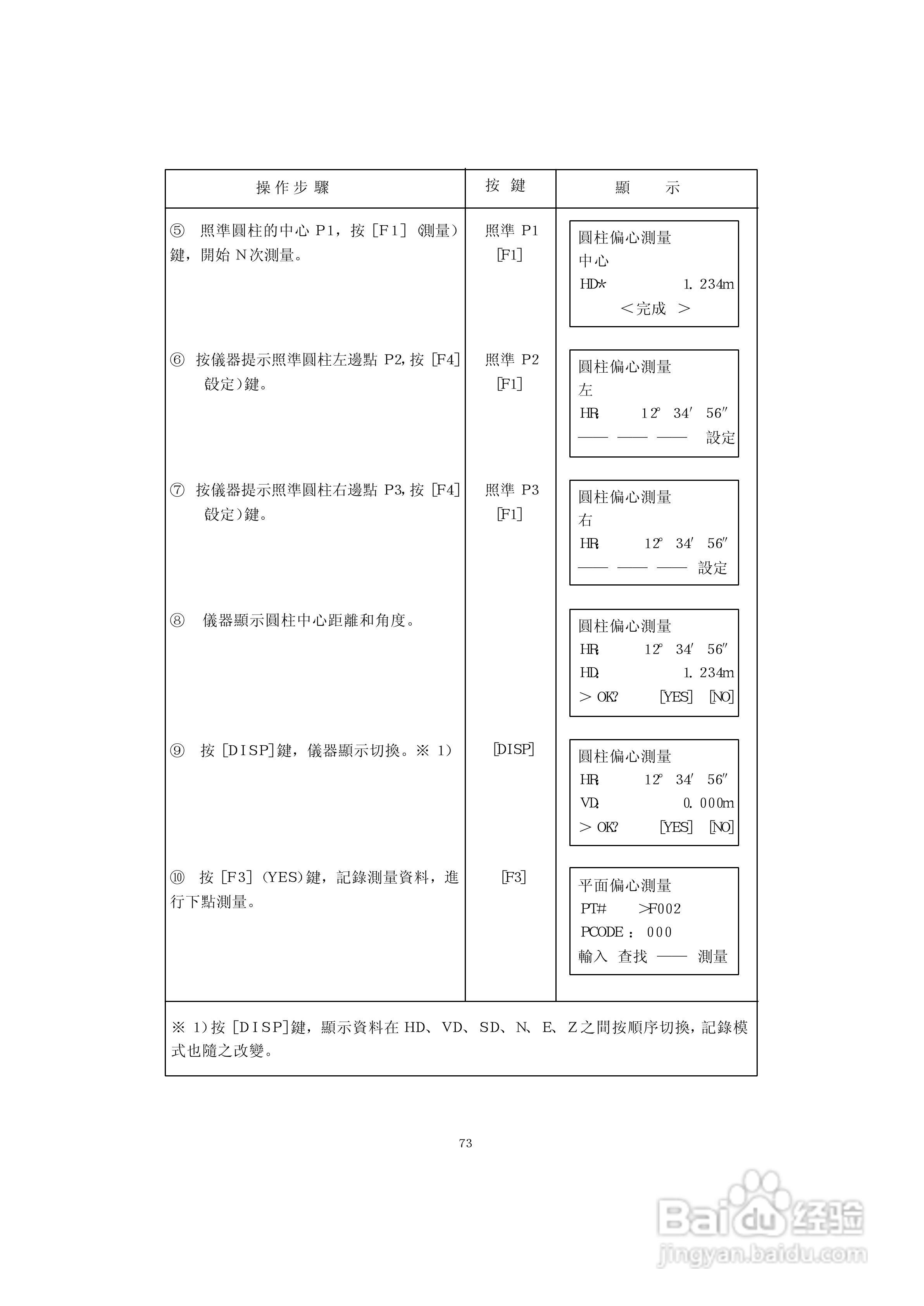
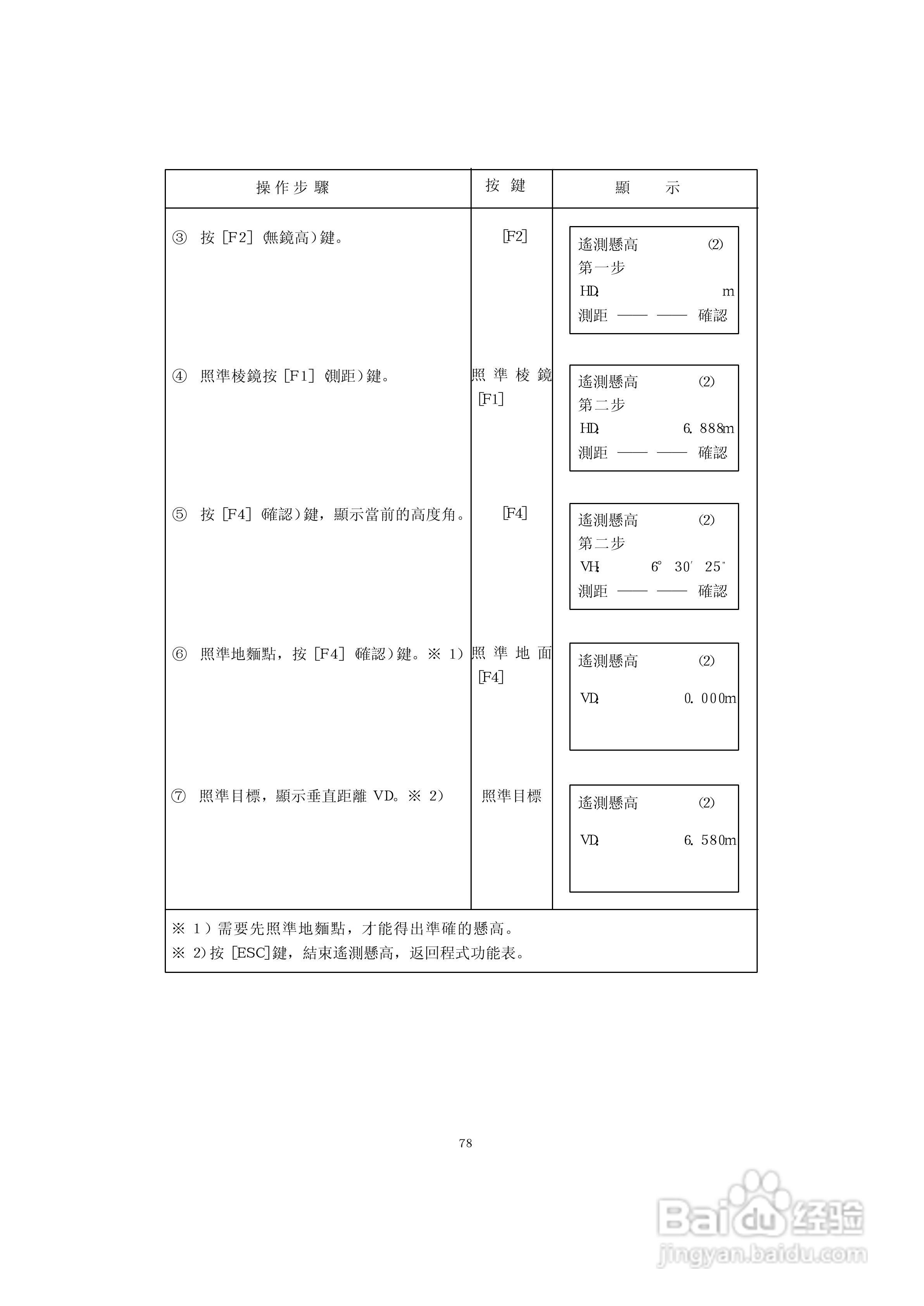
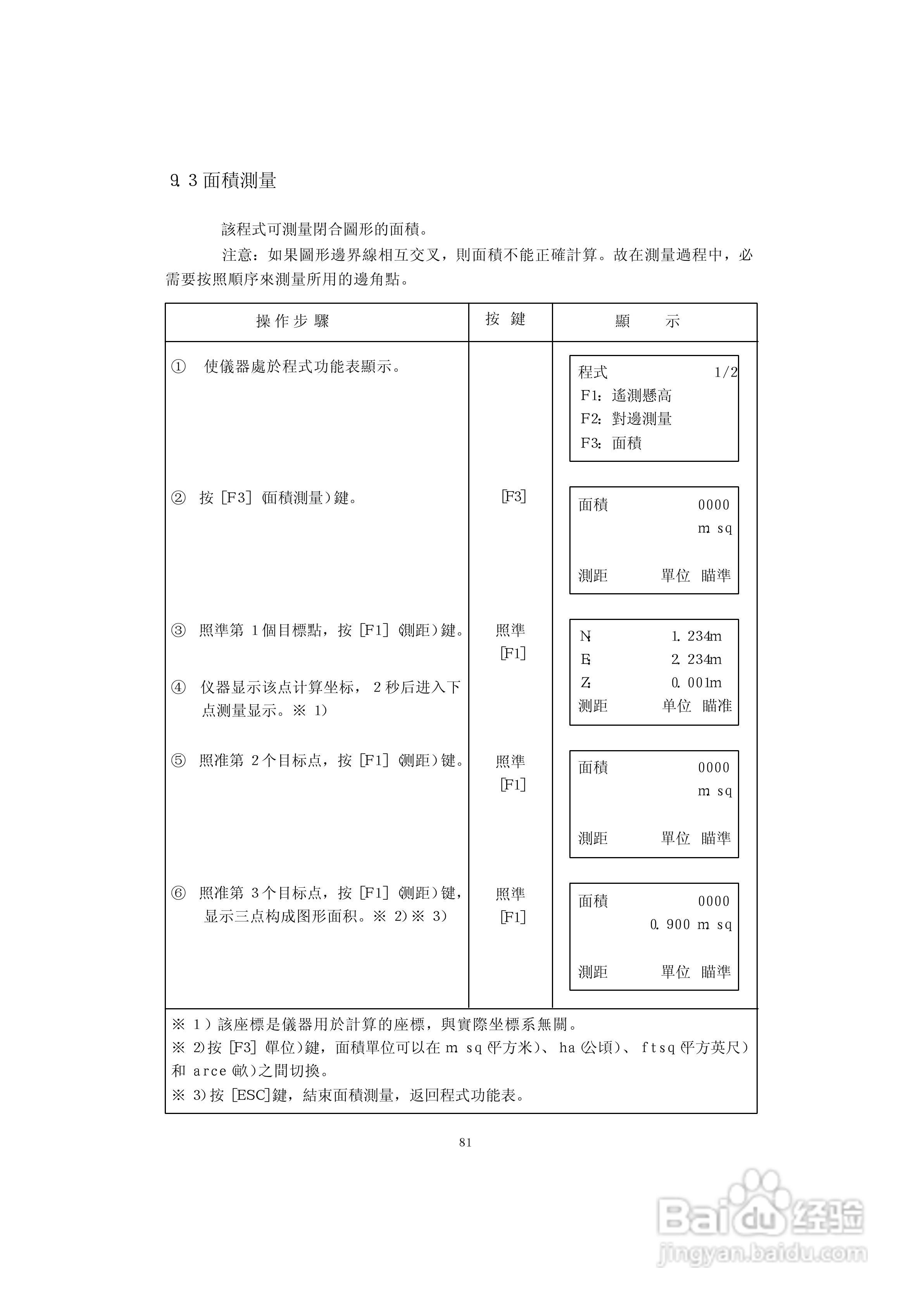
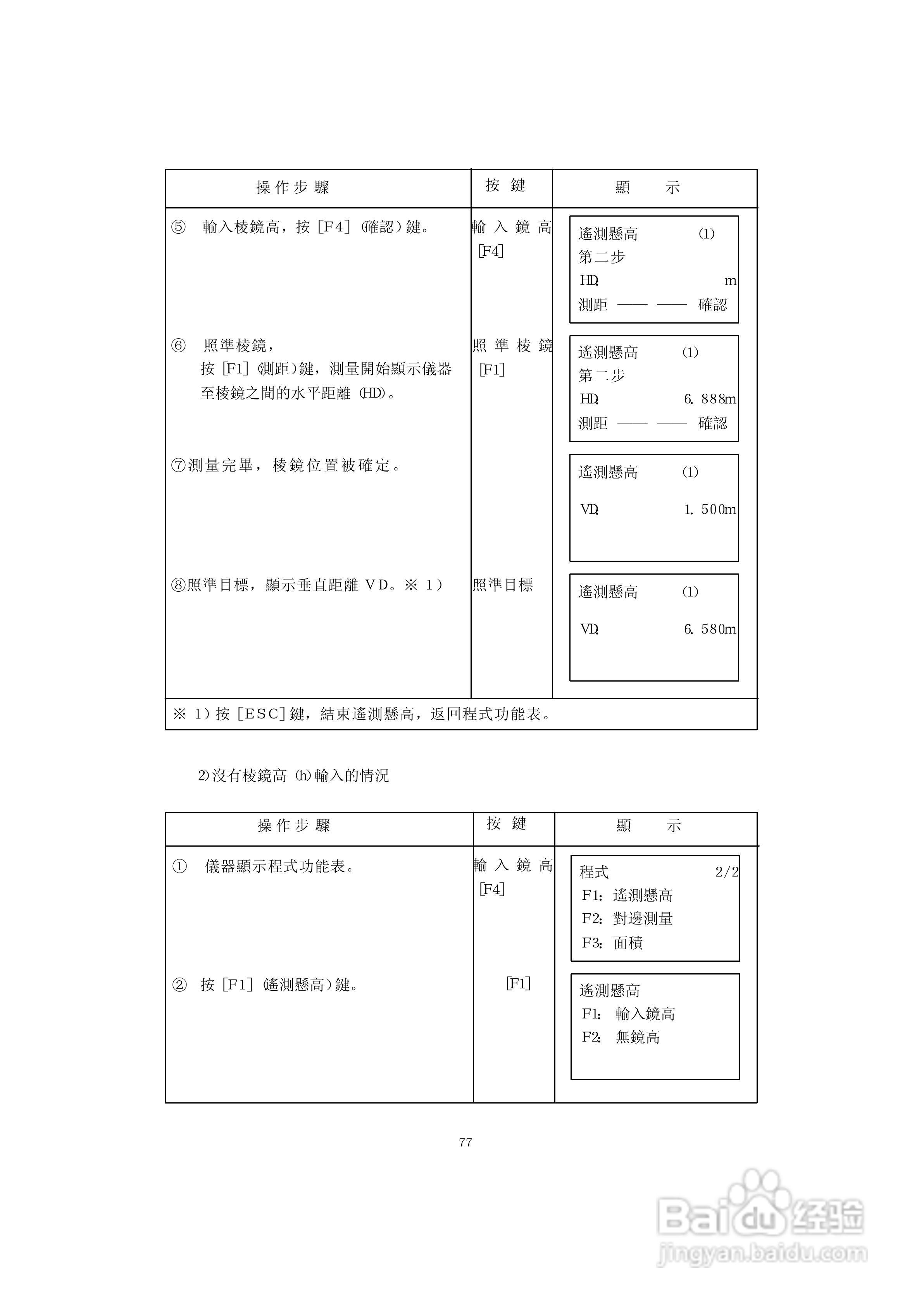
上煇RTS-630全站仪说明书:[9]
2026-05-11 00:18:06
本篇为《上煇RTS-630全站仪说明书》,主要介绍该产品的使用方法以及常见故障解决方案。
(共篇)
上一篇:
|
下一篇:
声明:
本网站引用、摘录或转载内容仅供网站访问者交流或参考,不代表本站立场,如存在版权或非法内容,请联系站长删除,联系邮箱:site.kefu@qq.com。
相关推荐
上煇RTS-630全站仪说明书:[8]
阅读量:68
上煇RTS-630全站仪说明书:[10]
阅读量:57
全站仪使用方法
阅读量:81
全站仪的操作技巧
阅读量:196
全站仪导线测量的方法
阅读量:133
猜你喜欢
焉知非福的意思
总起句的作用
什么是果酸换肤
领结婚证都需要什么
顽强地什么
布施是什么意思
md是什么意思
通感是什么意思
是可忍孰不可忍的意思
存续是什么意思
猜你喜欢
what是什么意思
洗浴中心有什么服务
多人运动什么意思
打call是什么意思
什么东西吸甲醛
中药黄精的作用
哄堂大笑的意思
乌托邦是什么意思
that girl什么意思
人生什么最重要