指南生活
首页
美食营养
手工爱好
生活家居
返回
指南生活
首页
美食营养
游戏数码
手工爱好
生活家居
健康养生
运动户外
职场理财
情感交际
母婴教育
时尚美容
知识问答
生活知识
生活百科
搜索
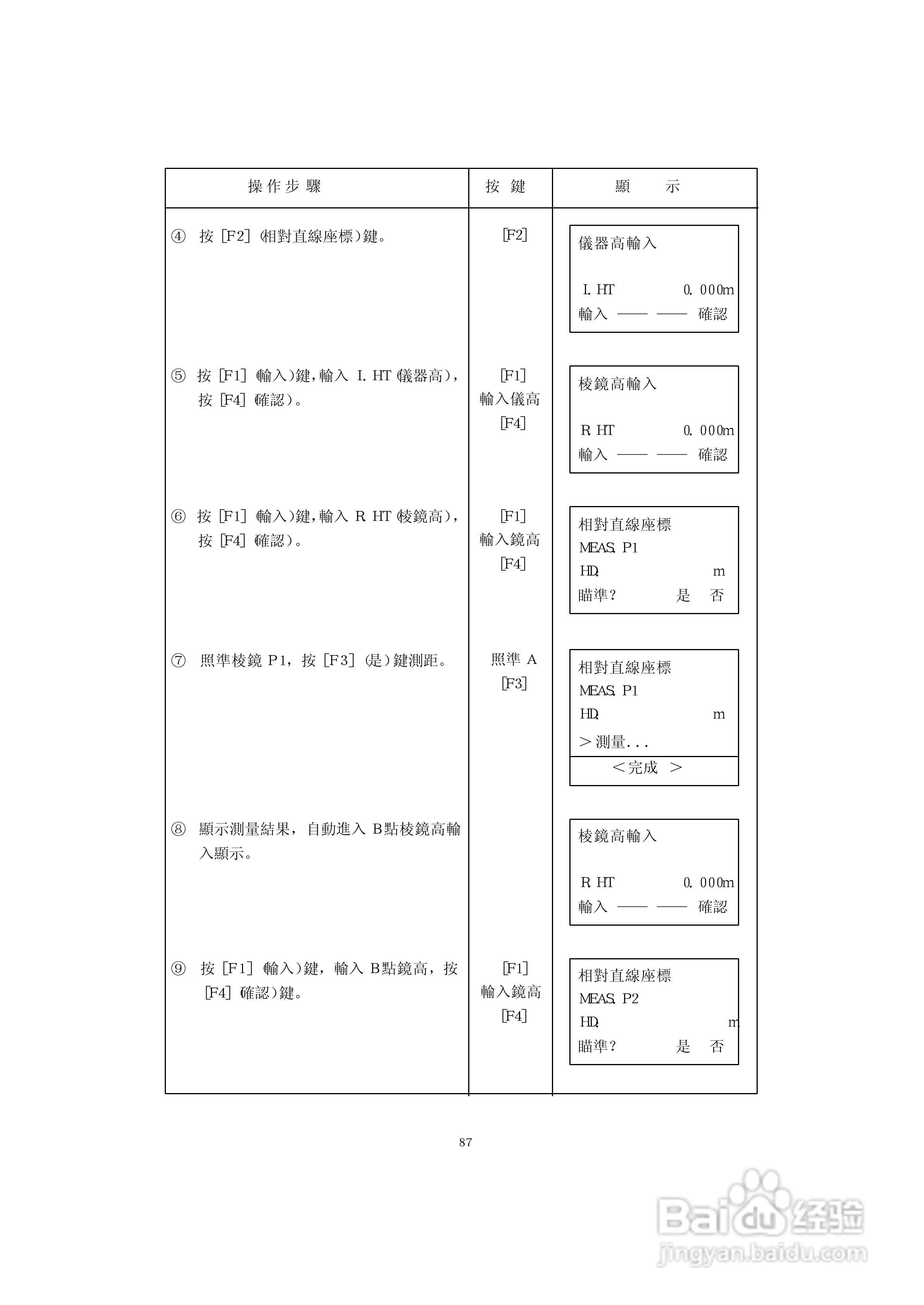
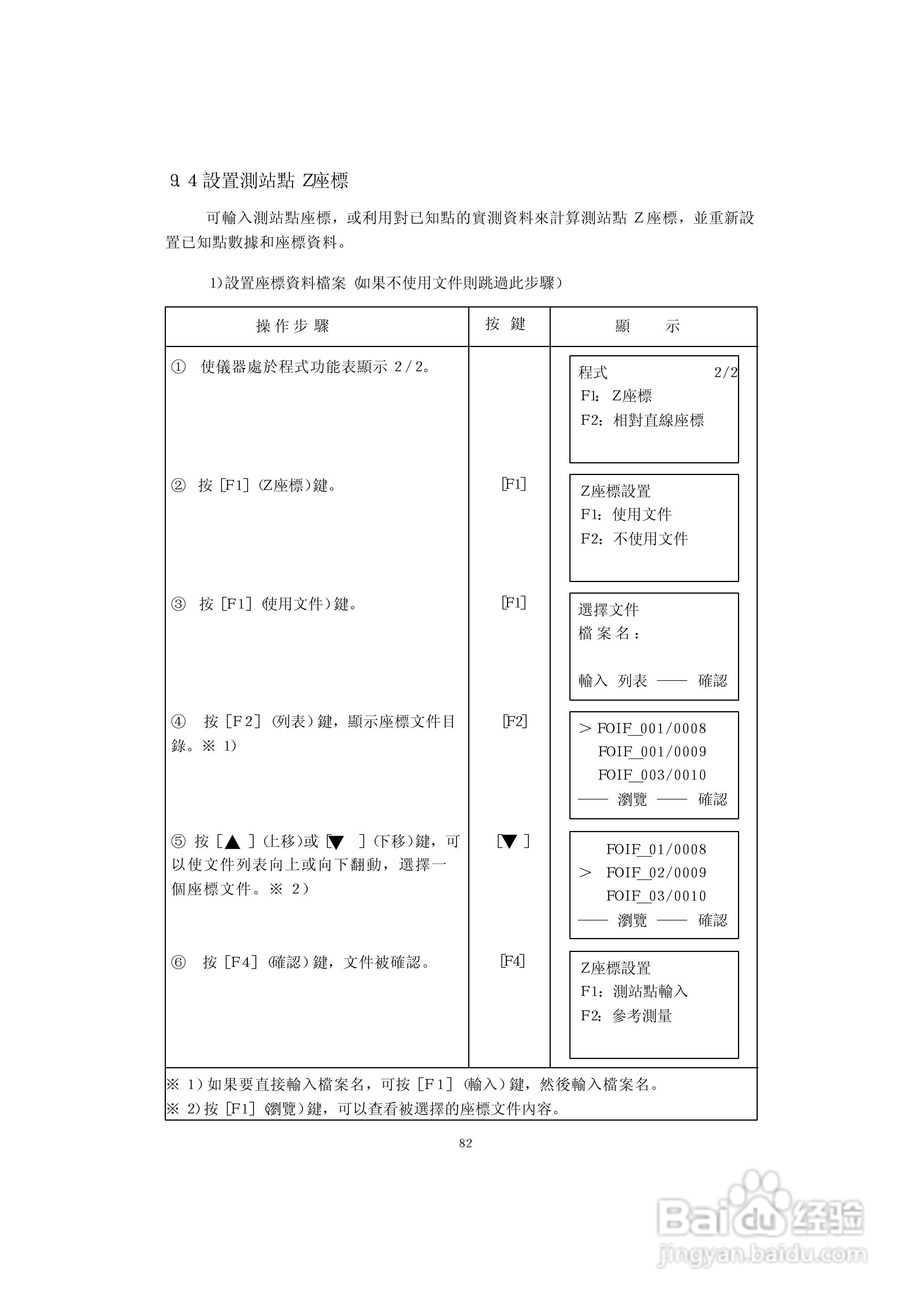
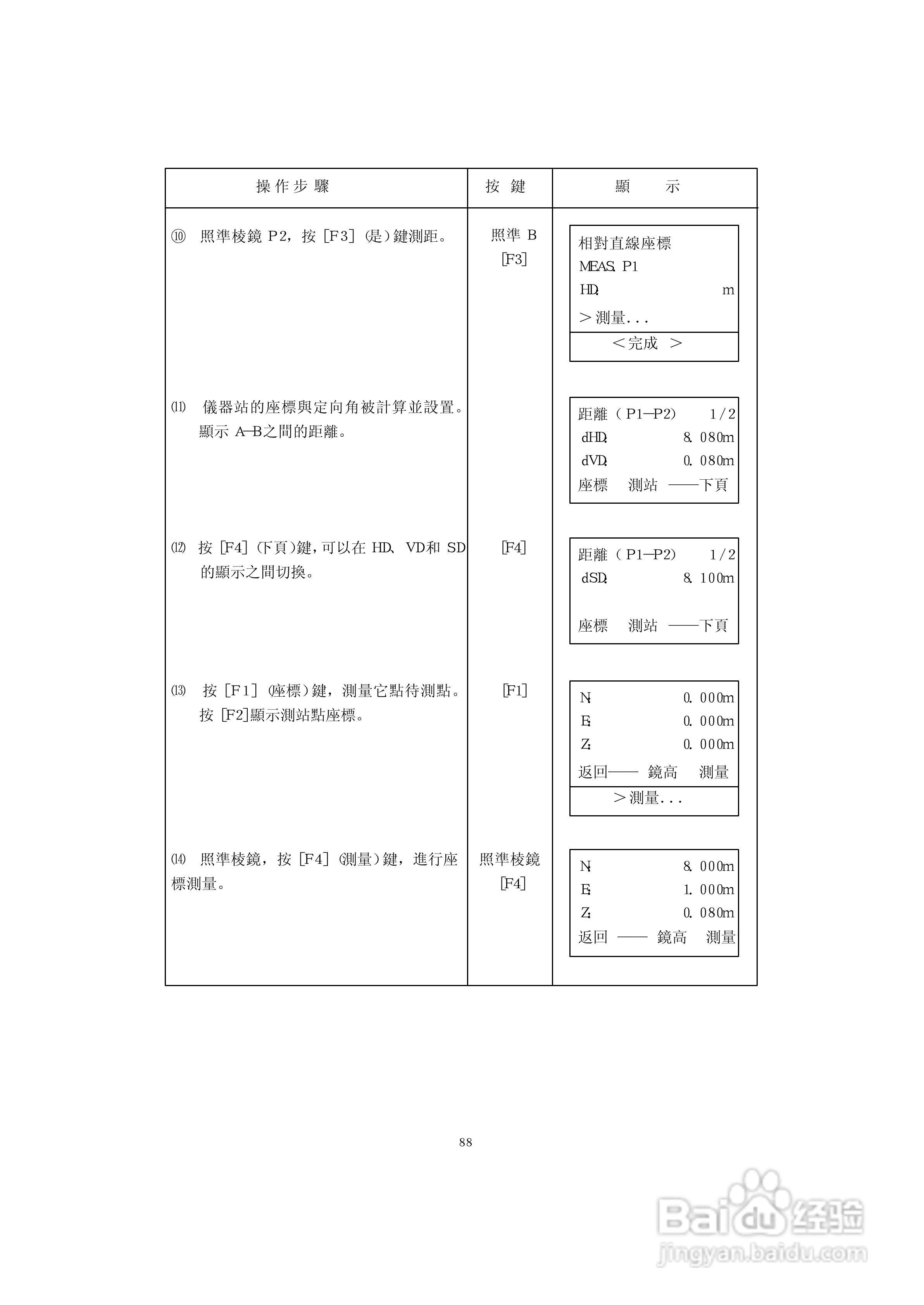
上煇RTS-630全站仪说明书:[10]
2026-05-10 23:38:26
本篇为《上煇RTS-630全站仪说明书》,主要介绍该产品的使用方法以及常见故障解决方案。
(共篇)
上一篇:
|
下一篇:
声明:
本网站引用、摘录或转载内容仅供网站访问者交流或参考,不代表本站立场,如存在版权或非法内容,请联系站长删除,联系邮箱:site.kefu@qq.com。
相关推荐
上煇RTS-630全站仪说明书:[6]
阅读量:93
上煇RTS-630全站仪说明书:[16]
阅读量:30
全站仪使用方法
阅读量:83
全站仪的操作技巧
阅读量:23
全站仪导线测量的方法
阅读量:129
猜你喜欢
虾怎么做好吃
郭沁为什么坐在椅子上
冰箱冷藏室排水孔堵塞怎么疏通
张钧甯怎么读
为什么北极没有企鹅
丸美化妆品怎么样
华为为什么不上市
苹果动态壁纸怎么设置
收据怎么写
自动挡车怎么开
猜你喜欢
履怎么读
梵怎么读
霉菌感染是怎么引起的
澶怎么读音
驾照丢了怎么补办
密码锁怎么改密码
凯迪拉克怎么样
内分泌失调怎么调理脸上长痘痘
葡萄英语怎么读
为什么会长斑