指南生活
首页
美食营养
手工爱好
生活家居
返回
指南生活
首页
美食营养
游戏数码
手工爱好
生活家居
健康养生
运动户外
职场理财
情感交际
母婴教育
时尚美容
知识问答
生活知识
搜索
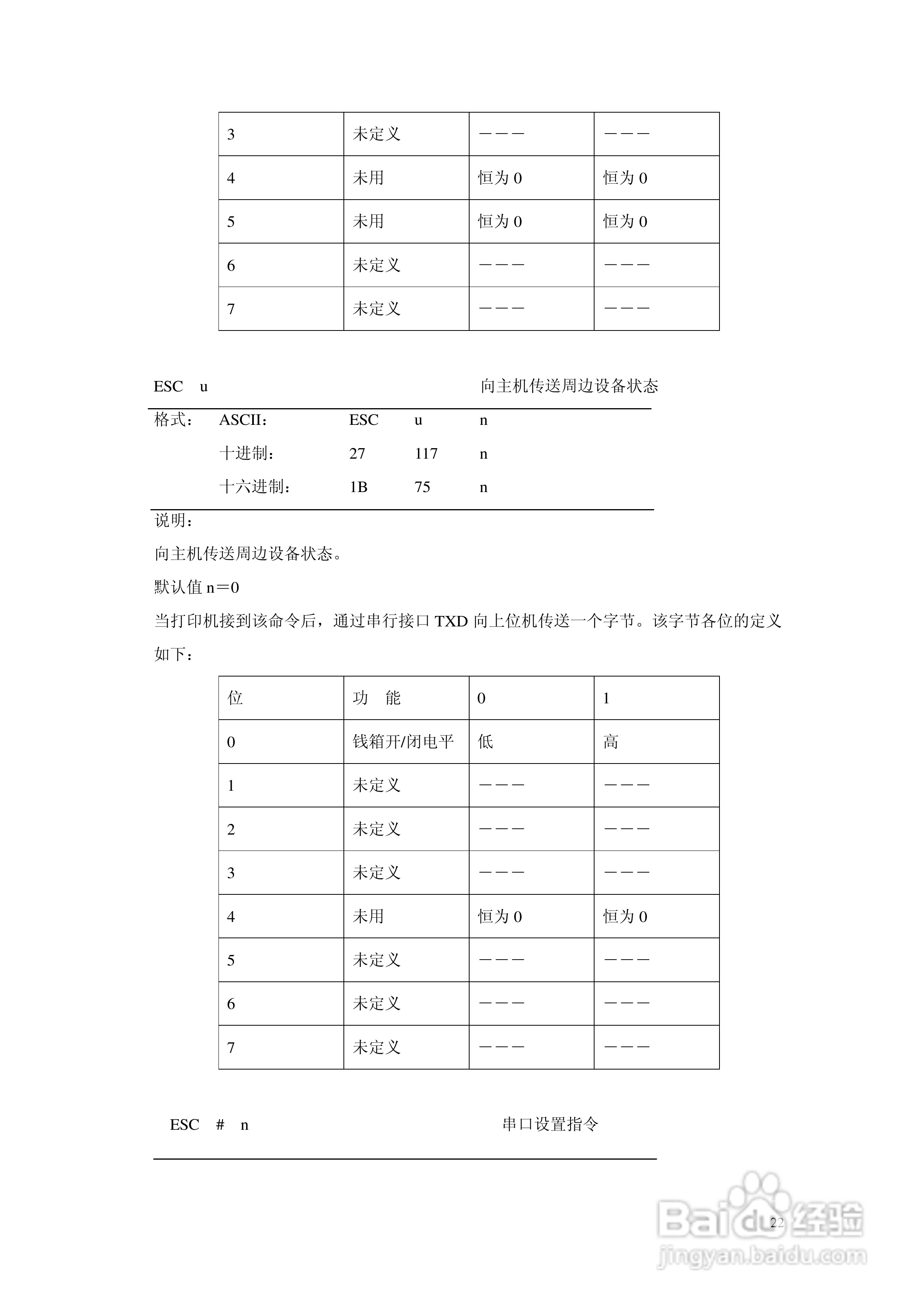
SPRT SP-POS58IV热敏打印机使用说明书:[3]
2026-03-17 02:11:36
本篇为《SPRT SP-POS58IV热敏打印机使用说明书》,主要介绍该产品的使用方法以及常见故障解决方案。
(共篇)
上一篇:
声明:
本网站引用、摘录或转载内容仅供网站访问者交流或参考,不代表本站立场,如存在版权或非法内容,请联系站长删除,联系邮箱:site.kefu@qq.com。
相关推荐
ipad恢复出现3194的方法
阅读量:72
iOS 10常见问题
阅读量:132
UC629手机说明书:[3]
阅读量:30
纽曼M926型MP4播放器使用说明书:[2]
阅读量:115
Photoshop CS6下载安装教程
阅读量:150
猜你喜欢
十字绣勾边怎么勾
电脑安全模式怎么解除
怎么抓野鸡
打印机怎么换色带
怎么给狗狗剪指甲
宾卡达手表怎么样
爱奇艺怎么切换账号
时风电动汽车怎么样
cad图纸怎么看
公章怎么加印油
猜你喜欢
广东麻将怎么打
地狱传送门怎么做
怎么修改图片大小
抵抗力差怎么办
感冒流鼻涕怎么办
12306怎么注销账号
一到十大写怎么写
鼠标怎么拆
墙上挂画怎么安装
word怎么看字数