指南生活
首页
美食营养
手工爱好
生活家居
返回
指南生活
首页
美食营养
游戏数码
手工爱好
生活家居
健康养生
运动户外
职场理财
情感交际
母婴教育
时尚美容
知识问答
生活知识
生活百科
搜索
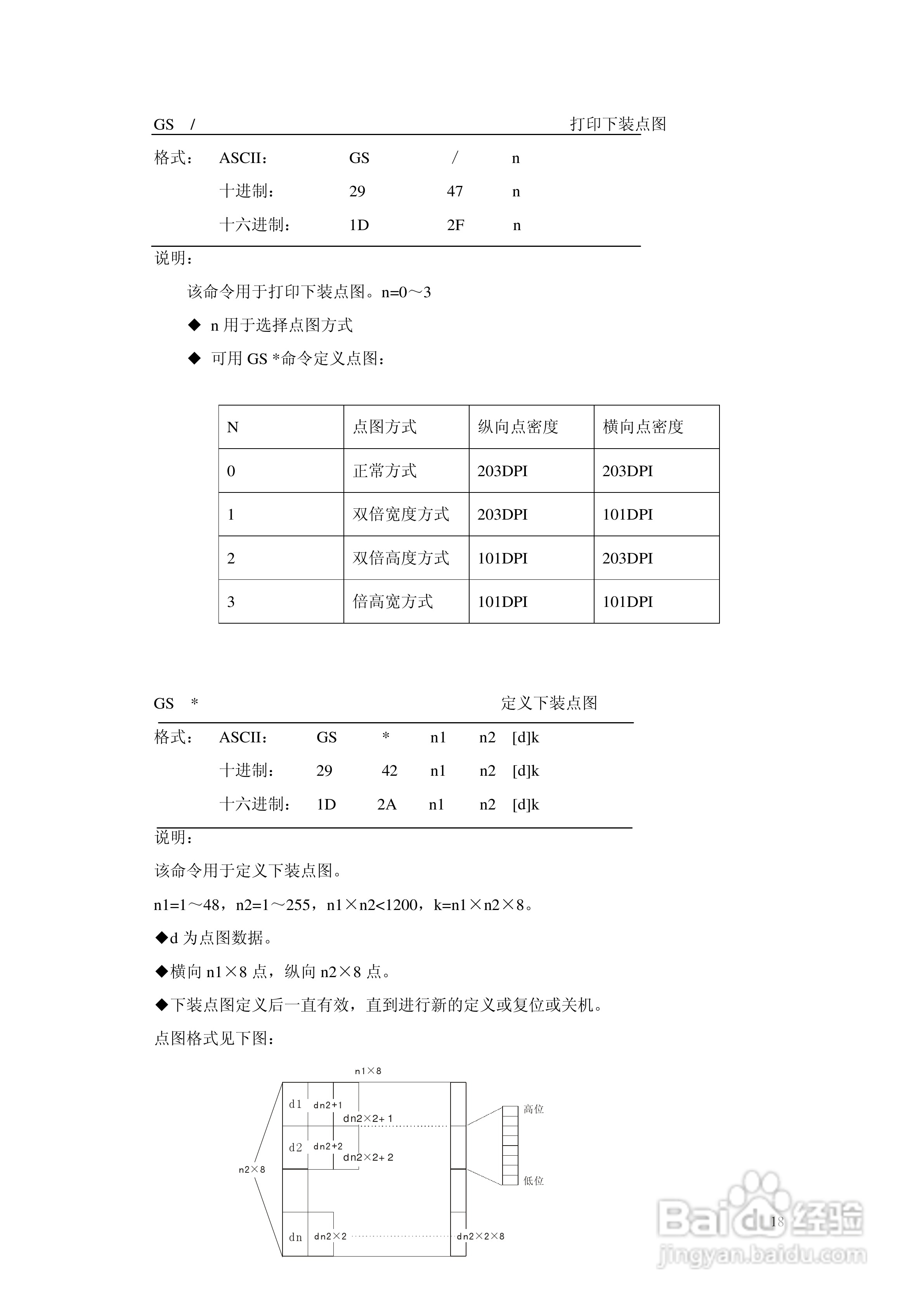
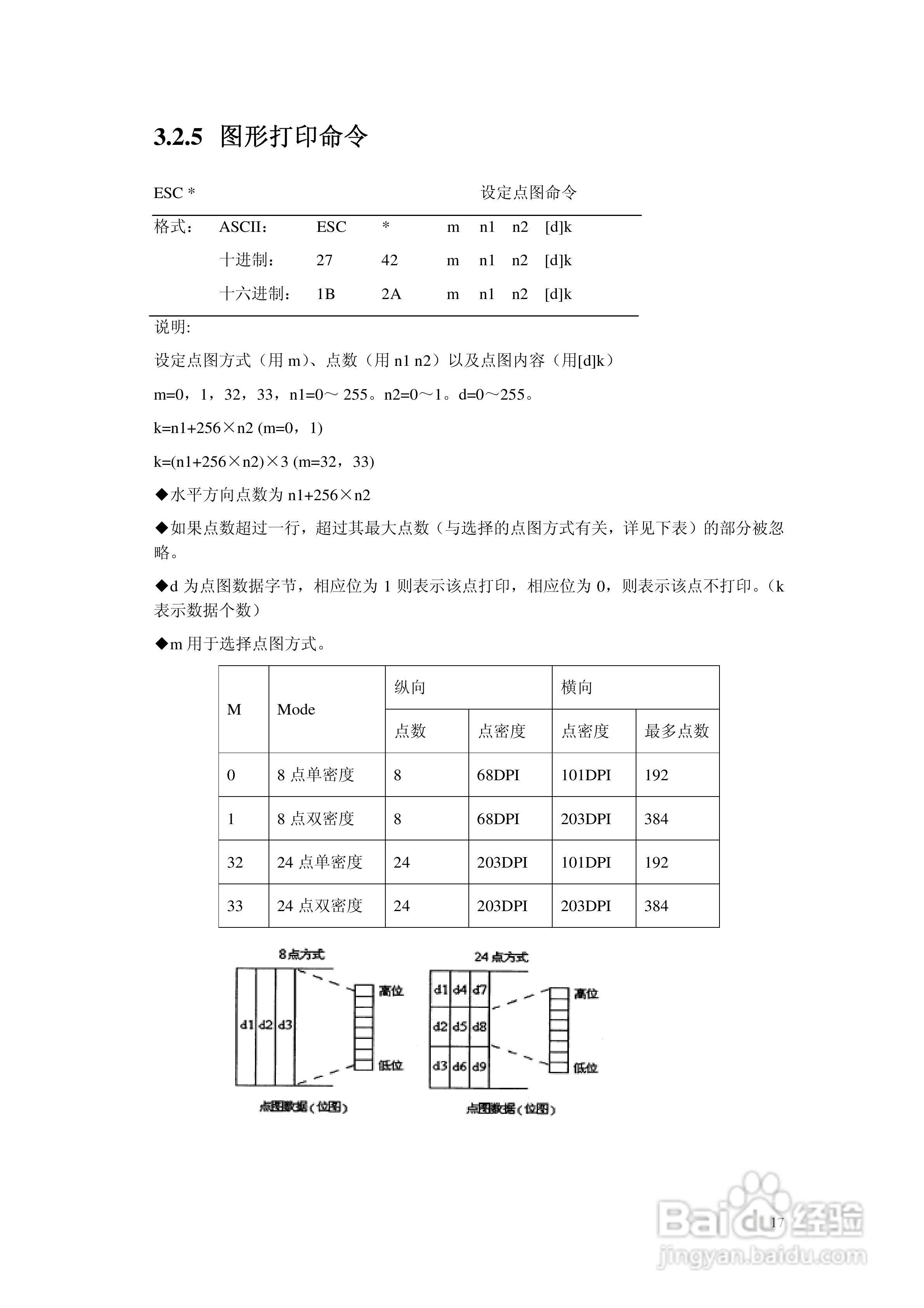
SPRT SP-POS58IV热敏打印机使用说明书:[2]
2026-05-10 07:29:01
本篇为《SPRT SP-POS58IV热敏打印机使用说明书》,主要介绍该产品的使用方法以及常见故障解决方案。
(共篇)
上一篇:
|
下一篇:
声明:
本网站引用、摘录或转载内容仅供网站访问者交流或参考,不代表本站立场,如存在版权或非法内容,请联系站长删除,联系邮箱:site.kefu@qq.com。
相关推荐
办理公积金贷款程序
阅读量:102
小米盒子增强版安装软件排名
阅读量:26
华为手机怎么设置成热点
阅读量:114
万能支撑器厂家真假如何判别?
阅读量:80
怎么做红烧带鱼?
阅读量:98
猜你喜欢
肝炎有什么症状
圆脸适合什么短发
木耳不能和什么一起吃
胚芽发育成什么
末日时在做什么
回购是什么意思
dota是什么
头晕是什么原因
拾人牙慧是什么意思
什么猫粮好
猜你喜欢
xoxo什么意思
迭代是什么意思
touch什么意思
什么的鼓励
货币基金是什么意思
正方形纸可以折什么
第一次去女方家带什么礼物
显卡超频有什么用
都是浮云是什么意思
所有都被一笔带过什么歌