指南生活
首页
美食营养
手工爱好
生活家居
返回
指南生活
首页
美食营养
游戏数码
手工爱好
生活家居
健康养生
运动户外
职场理财
情感交际
母婴教育
时尚美容
知识问答
生活知识
生活百科
搜索
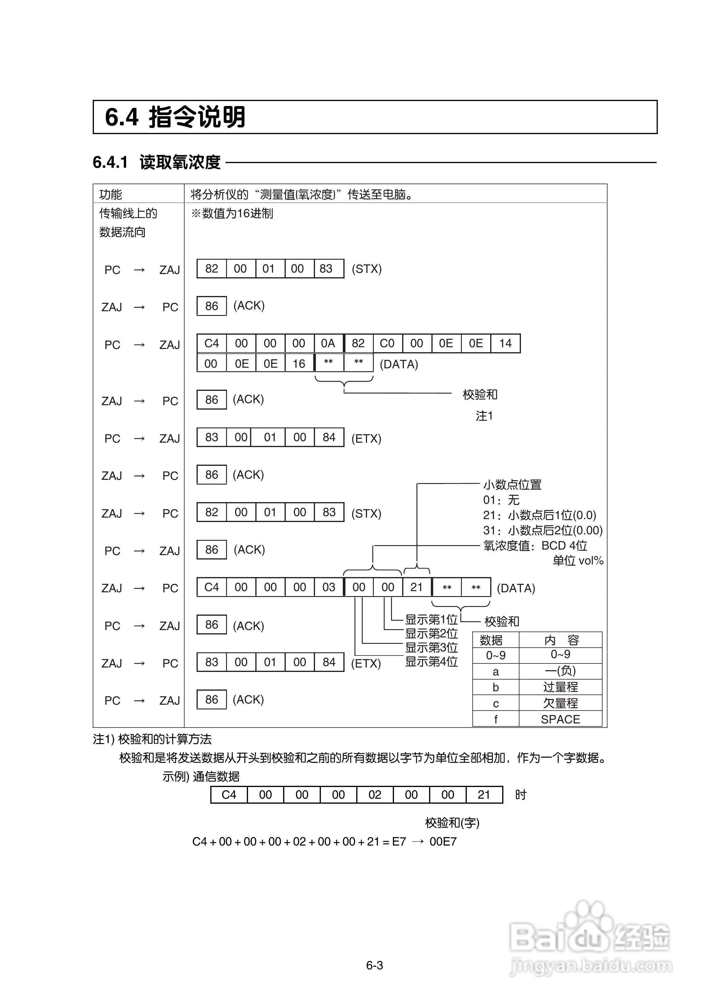
富士ZAJ磁氧分析仪使用手册:[5]
2026-04-16 17:36:00
本篇为《富士ZAJ磁氧分析仪使用手册》,主要介绍该产品的使用方法以及常见故障解决方案。
(共篇)
上一篇:
|
下一篇:
声明:
本网站引用、摘录或转载内容仅供网站访问者交流或参考,不代表本站立场,如存在版权或非法内容,请联系站长删除,联系邮箱:site.kefu@qq.com。
相关推荐
富士ZAJ磁氧分析仪使用手册:[6]
阅读量:87
富士ZAJ磁氧分析仪使用手册:[2]
阅读量:175
富士ZAF 热导式气体分析仪使用手册:[5]
阅读量:180
富士ZAF 热导式气体分析仪使用手册:[6]
阅读量:95
富士ZAF 热导式气体分析仪使用手册:[3]
阅读量:145
猜你喜欢
化妆水怎么用
怎么写剧本
ps索引怎么解锁
win7运行怎么打开
广东海洋大学怎么样
鼻子上有黑头怎么办
手机型号怎么看
柠檬怎么泡水
玛莎拉蒂怎么样
卡罗拉怎么样
猜你喜欢
我的世界告示牌怎么做
倒车影像怎么安装
china怎么读
黑加仑怎么吃
怎么联系淘宝客服
牙齿酸痛是怎么回事
我的世界怎么做机器人
hold怎么读
罗宋汤怎么做
药流后怎么判断流干净