指南生活
首页
美食营养
手工爱好
生活家居
返回
指南生活
首页
美食营养
游戏数码
手工爱好
生活家居
健康养生
运动户外
职场理财
情感交际
母婴教育
时尚美容
知识问答
生活知识
生活百科
搜索
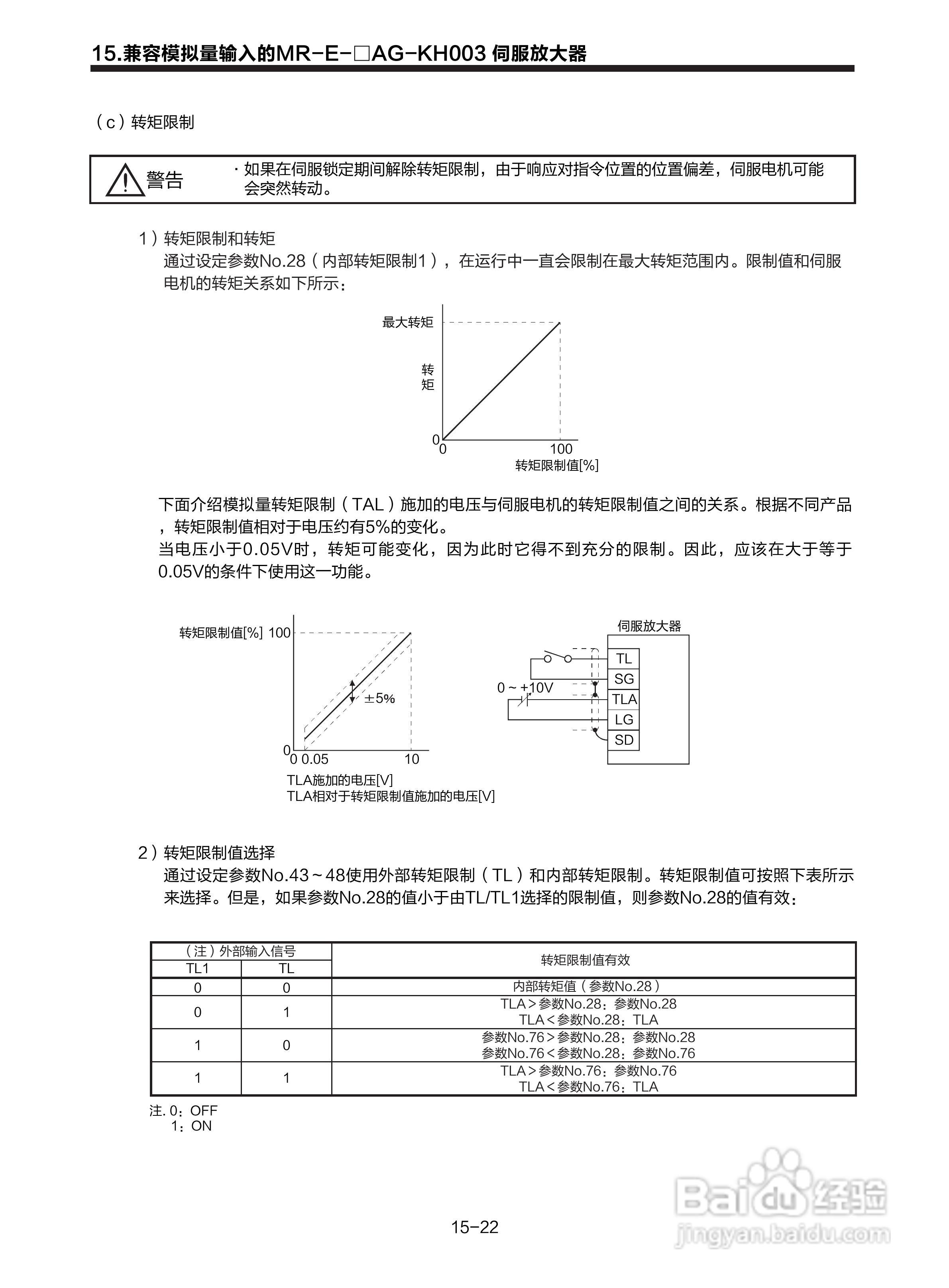
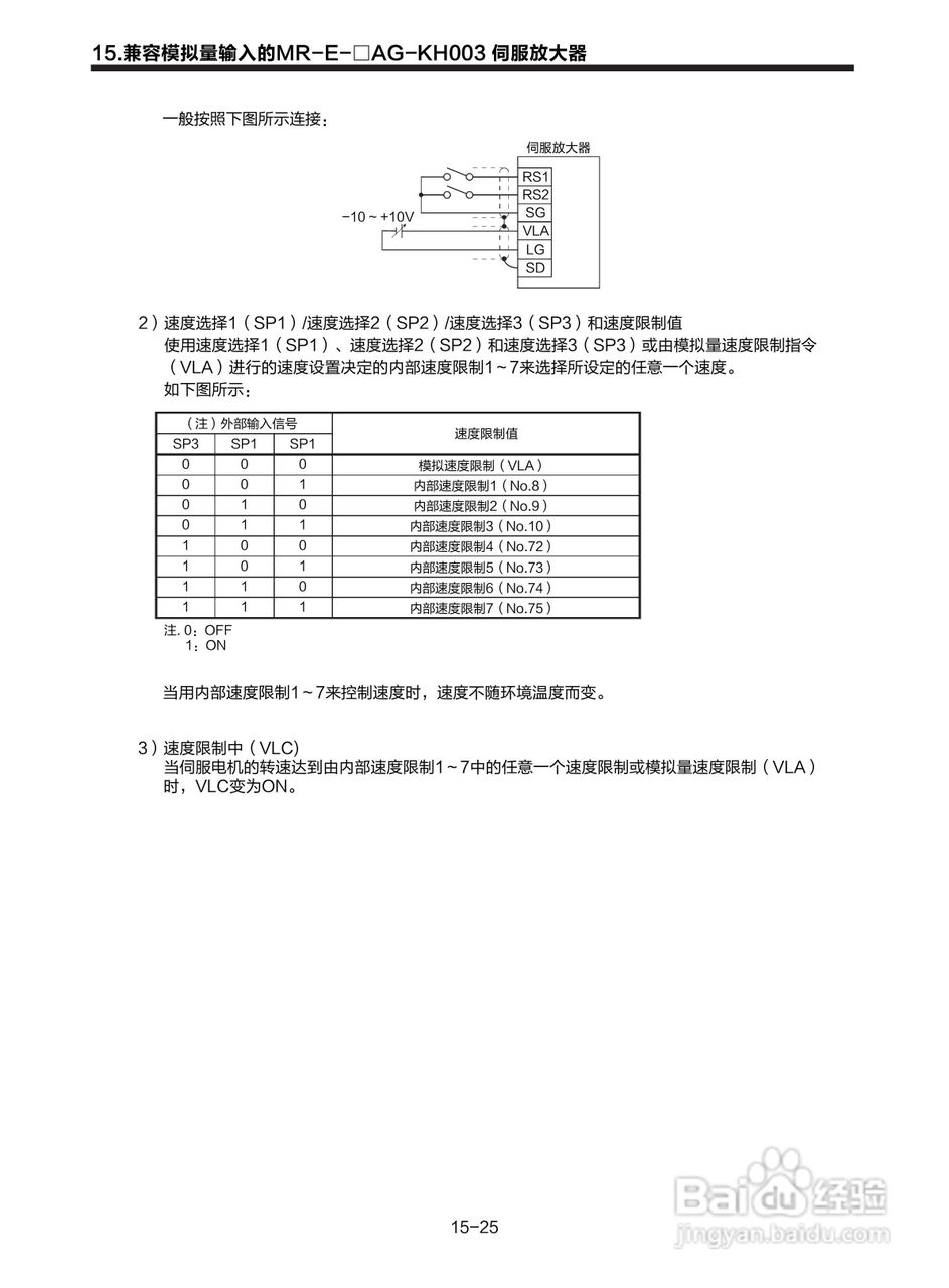
三菱 MR-E-□A-KH003 MR-E-□AG-KH003通用交流伺服接:[29]
2026-04-03 13:05:25
本篇为《三菱 MR-E-□A-KH003 MR-E-□AG-KH003通用交流伺服接》,主要介绍该产品的使用方法以及常见故障解决方案。
(共篇)
上一篇:
|
下一篇:
声明:
本网站引用、摘录或转载内容仅供网站访问者交流或参考,不代表本站立场,如存在版权或非法内容,请联系站长删除,联系邮箱:site.kefu@qq.com。
相关推荐
三菱 MR-E-□A-KH003 MR-E-□AG-KH003通用交流伺服接:[28]
阅读量:129
三菱 MR-E-□A-KH003 MR-E-□AG-KH003通用交流伺服接:[15]
阅读量:117
三菱plc红绿灯设计
阅读量:54
三菱 MR-E-□A-KH003 MR-E-□AG-KH003通用交流伺服接:[18]
阅读量:63
三菱 MR-E-□A-KH003 MR-E-□AG-KH003通用交流伺服接:[17]
阅读量:129
猜你喜欢
男人怎么才能时间长
空调清洗方法
板栗怎么煮好吃
番号大全
怎么挽回男朋友
花臂纹身图案大全
eighth怎么读
修改密码怎么改
白盒测试方法
腌辣椒最好吃的做法
猜你喜欢
电脑垃圾怎么清理
成都周边旅游景点大全
鼻炎的症状及治疗方法
卡通画图片大全
万斯怎么辨别真假
教育研究方法
瘦腰瘦肚子最快方法
土豆怎么做好吃又简单
严重贫血怎么办
dnf怎么退工会