指南生活
首页
美食营养
手工爱好
生活家居
返回
指南生活
首页
美食营养
游戏数码
手工爱好
生活家居
健康养生
运动户外
职场理财
情感交际
母婴教育
时尚美容
知识问答
生活知识
生活百科
搜索
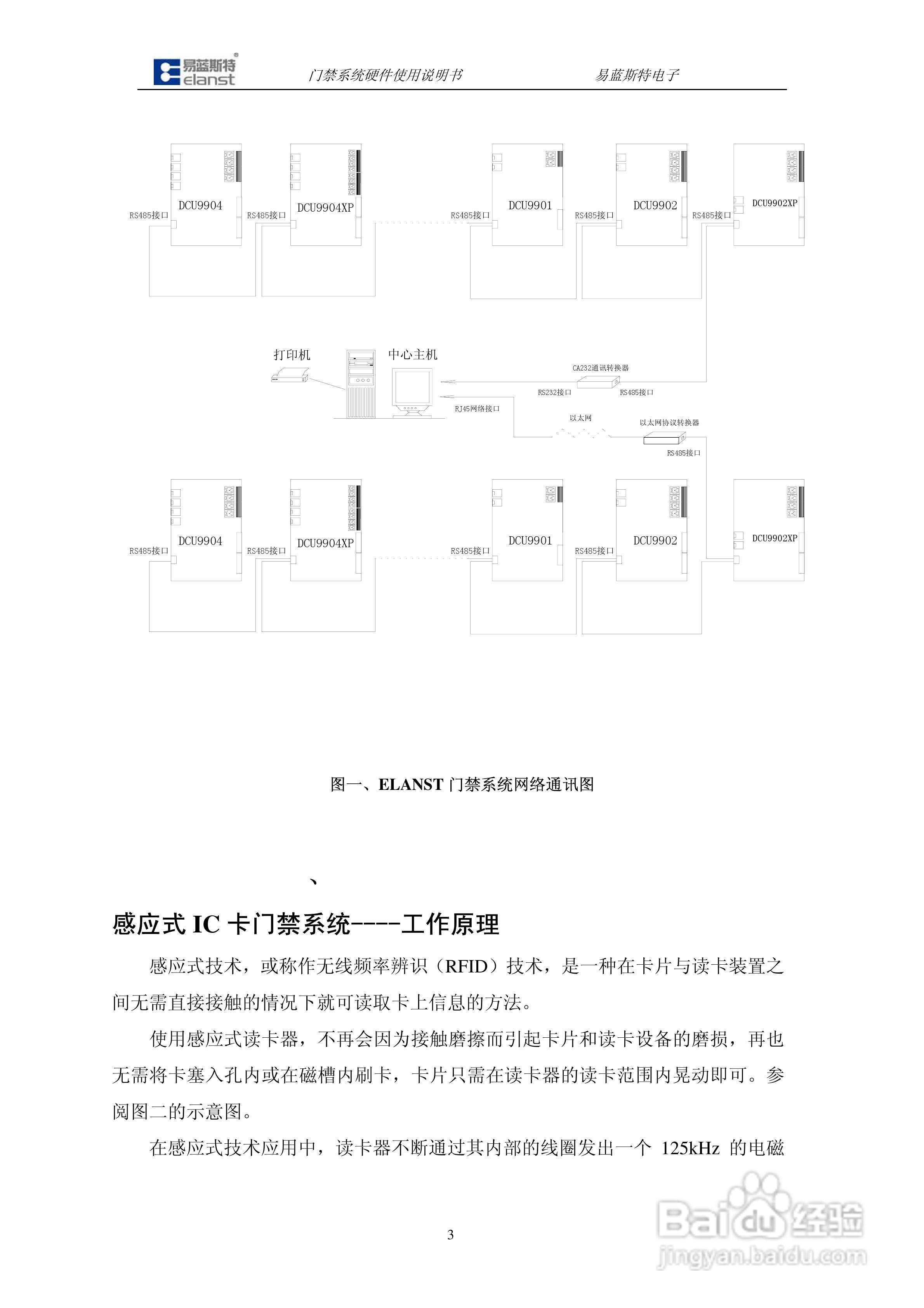
DCU9904门禁控制器硬件说明书:[1]
2026-03-25 19:10:33
本篇为《DCU9904门禁控制器硬件说明书》,主要介绍该产品的使用方法以及常见故障解决方案。
(共篇)
下一篇:
声明:
本网站引用、摘录或转载内容仅供网站访问者交流或参考,不代表本站立场,如存在版权或非法内容,请联系站长删除,联系邮箱:site.kefu@qq.com。
相关推荐
DCU9904门禁控制器硬件说明书:[4]
阅读量:35
易蓝斯特DCU990X门禁控制器使用说明书:[1]
阅读量:89
易蓝斯特DCU990X门禁控制器使用说明书:[4]
阅读量:183
易蓝斯特DCU990X门禁控制器使用说明书:[2]
阅读量:52
易蓝斯特DCU990X门禁控制器使用说明书:[5]
阅读量:108
猜你喜欢
平板电脑怎么打电话
咖啡的故乡是哪里
热水器泄压阀怎么调节
新手如何开网店
深圳周边旅游景点
鼻子短怎么办
西双版纳旅游图片
额济纳旅游攻略
福建旅游路线
如何介绍自己
猜你喜欢
qq收藏在哪里
黄芪枸杞泡水喝的功效
win7旗舰版怎么激活
乡村旅游案例
如何加盟一点点
如何报考公务员
侠盗飞车怎么存档
穿山甲鳞片怎么吃
192.168.1.1 路由器
杨氏之子的回答妙在哪里