指南生活
首页
美食营养
手工爱好
生活家居
返回
指南生活
首页
美食营养
游戏数码
手工爱好
生活家居
健康养生
运动户外
职场理财
情感交际
母婴教育
时尚美容
知识问答
生活知识
生活百科
搜索
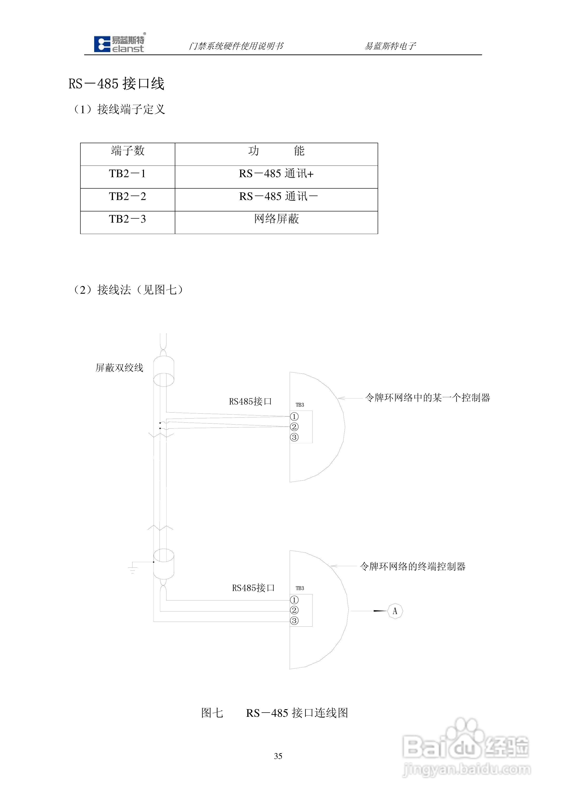
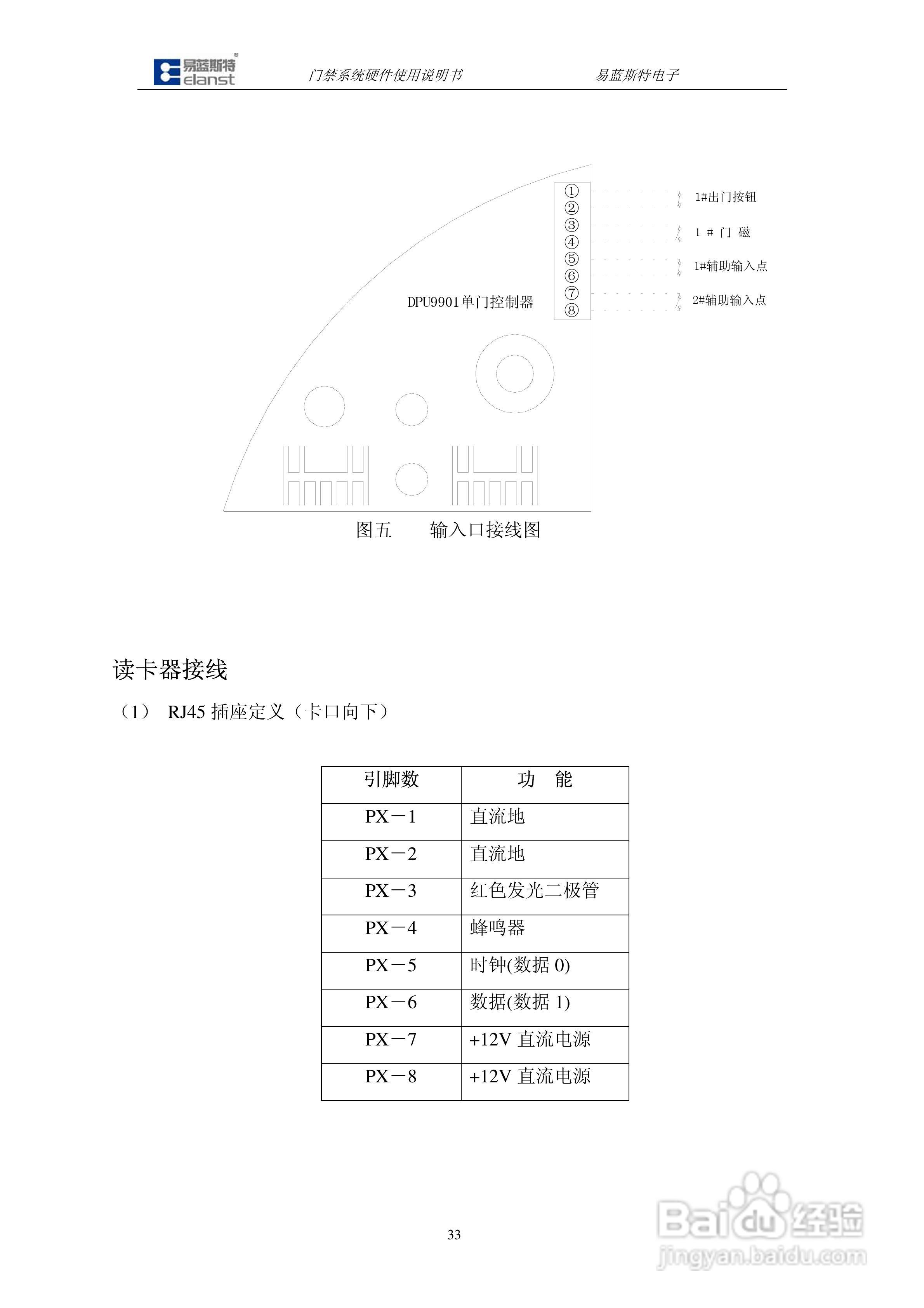
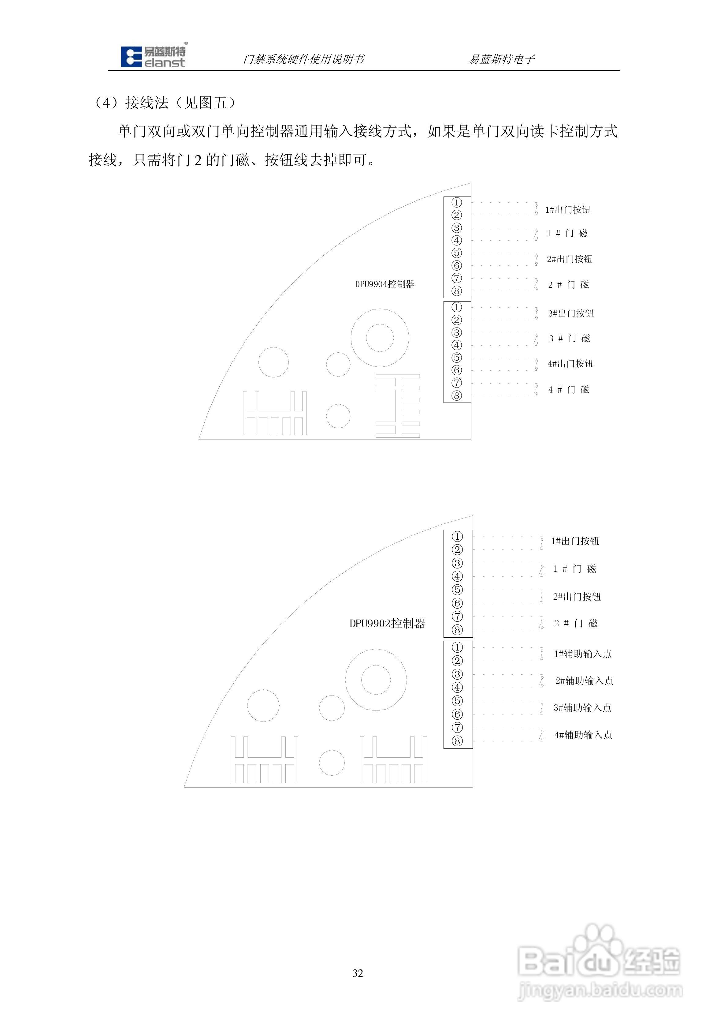
易蓝斯特DCU990X门禁控制器使用说明书:[4]
2026-05-03 23:52:23
本篇为《易蓝斯特DCU990X门禁控制器使用说明书》,主要介绍该产品的使用方法以及常见故障解决方案。
(共篇)
上一篇:
|
下一篇:
声明:
本网站引用、摘录或转载内容仅供网站访问者交流或参考,不代表本站立场,如存在版权或非法内容,请联系站长删除,联系邮箱:site.kefu@qq.com。
相关推荐
易蓝斯特DCU990X门禁控制器使用说明书:[3]
阅读量:37
DCU9904门禁控制器硬件说明书:[4]
阅读量:69
DCU9904门禁控制器硬件说明书:[3]
阅读量:35
DCU9904门禁控制器硬件说明书:[5]
阅读量:79
DCU9904门禁控制器硬件说明书:[1]
阅读量:105
猜你喜欢
vivo手机最新款是什么型号
女人什么时候绝经
一般贸易是什么意思
托福是什么
剃须刀什么牌子好
前列腺在什么位置
张靓颖什么时候离的婚
卵泡期是什么时候
股癣用什么药
等什么君真人照片
猜你喜欢
凌波仙子是什么花
tnt是什么
潜血是什么意思
什么不什么什么
橘红色配什么颜色好看
adobe是什么
滥情是什么意思
怀孕什么不能吃
草木皆兵是什么生肖
以卵击石是什么意思