指南生活
首页
美食营养
手工爱好
生活家居
返回
指南生活
首页
美食营养
游戏数码
手工爱好
生活家居
健康养生
运动户外
职场理财
情感交际
母婴教育
时尚美容
知识问答
生活知识
生活百科
搜索
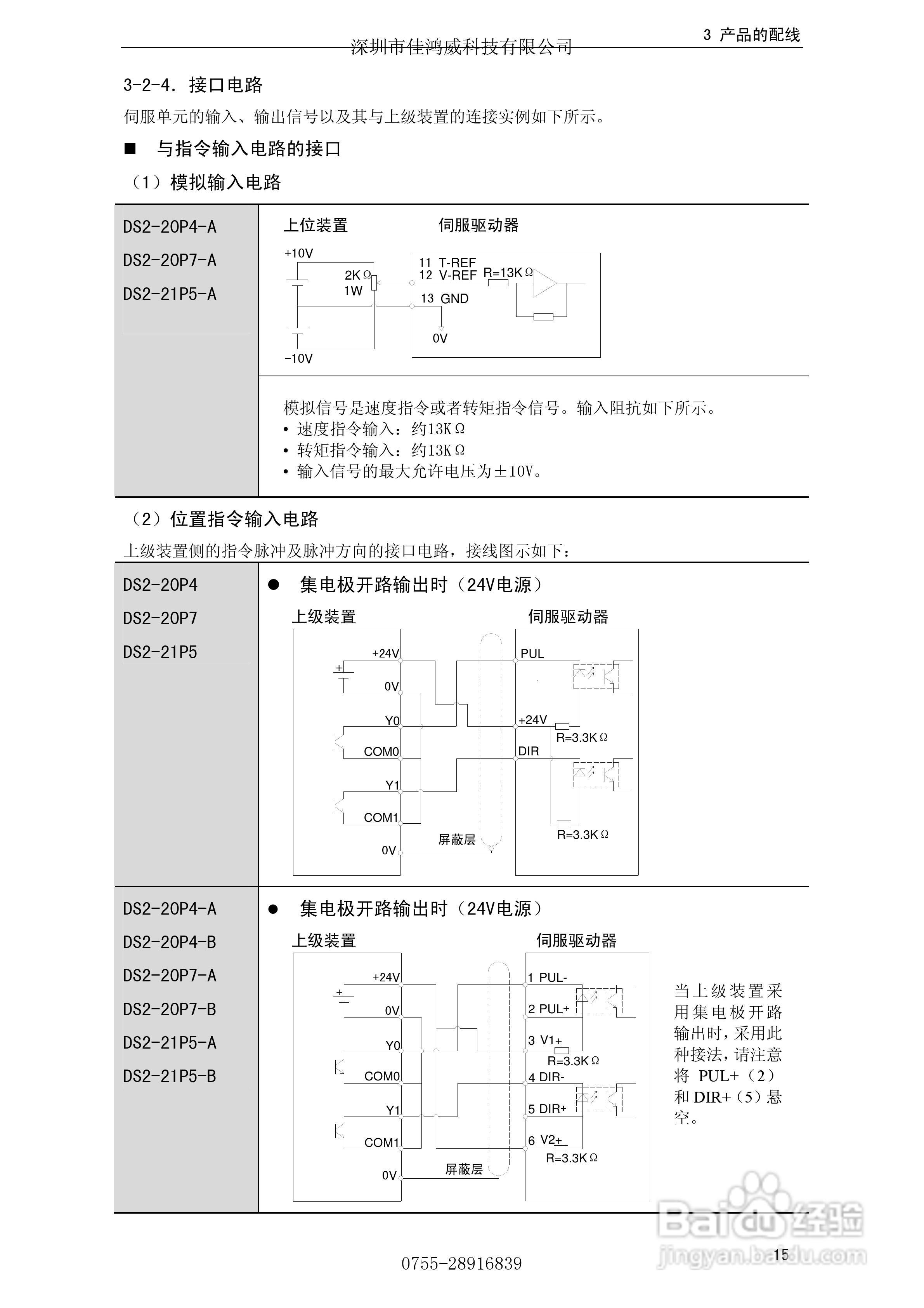
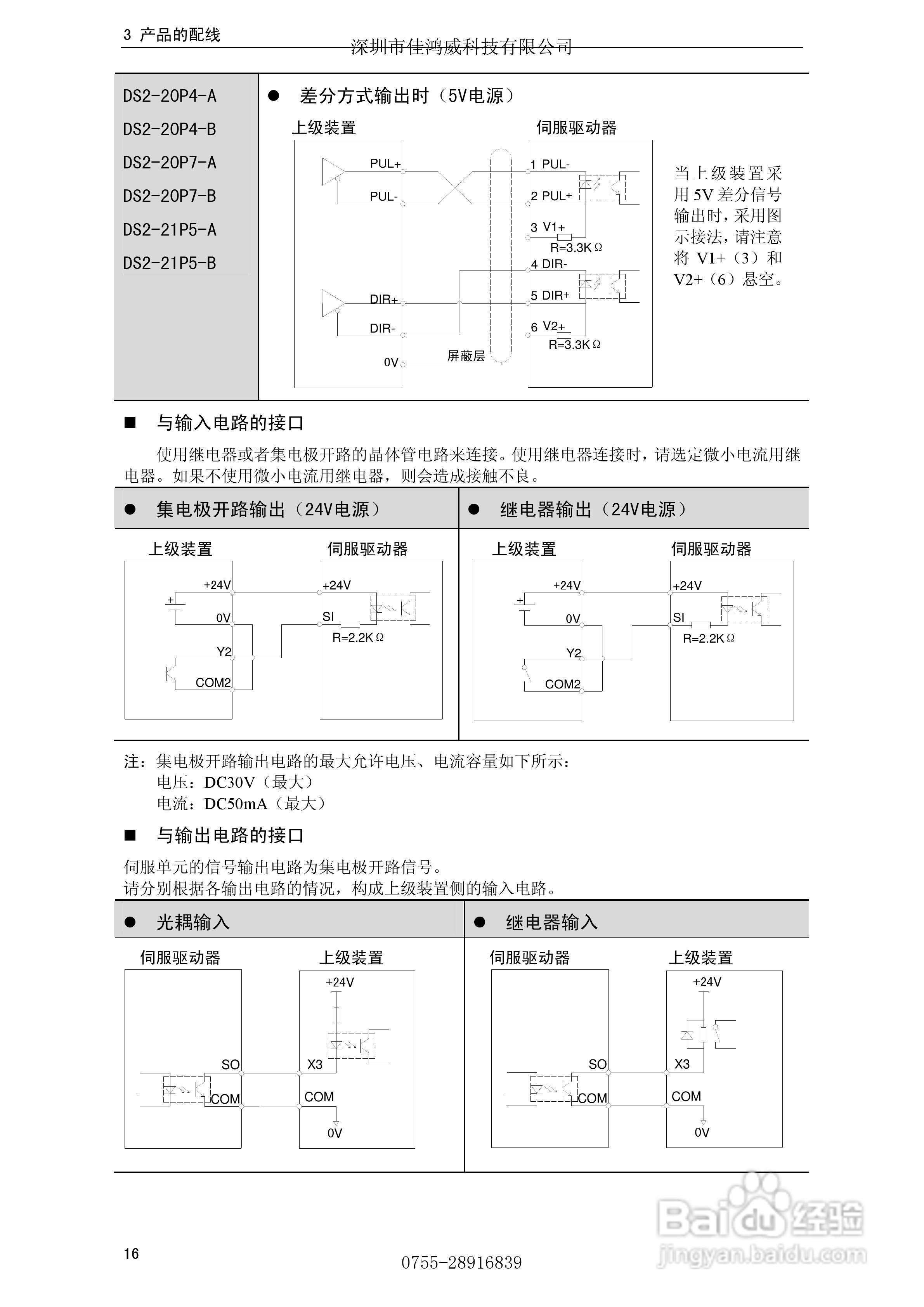
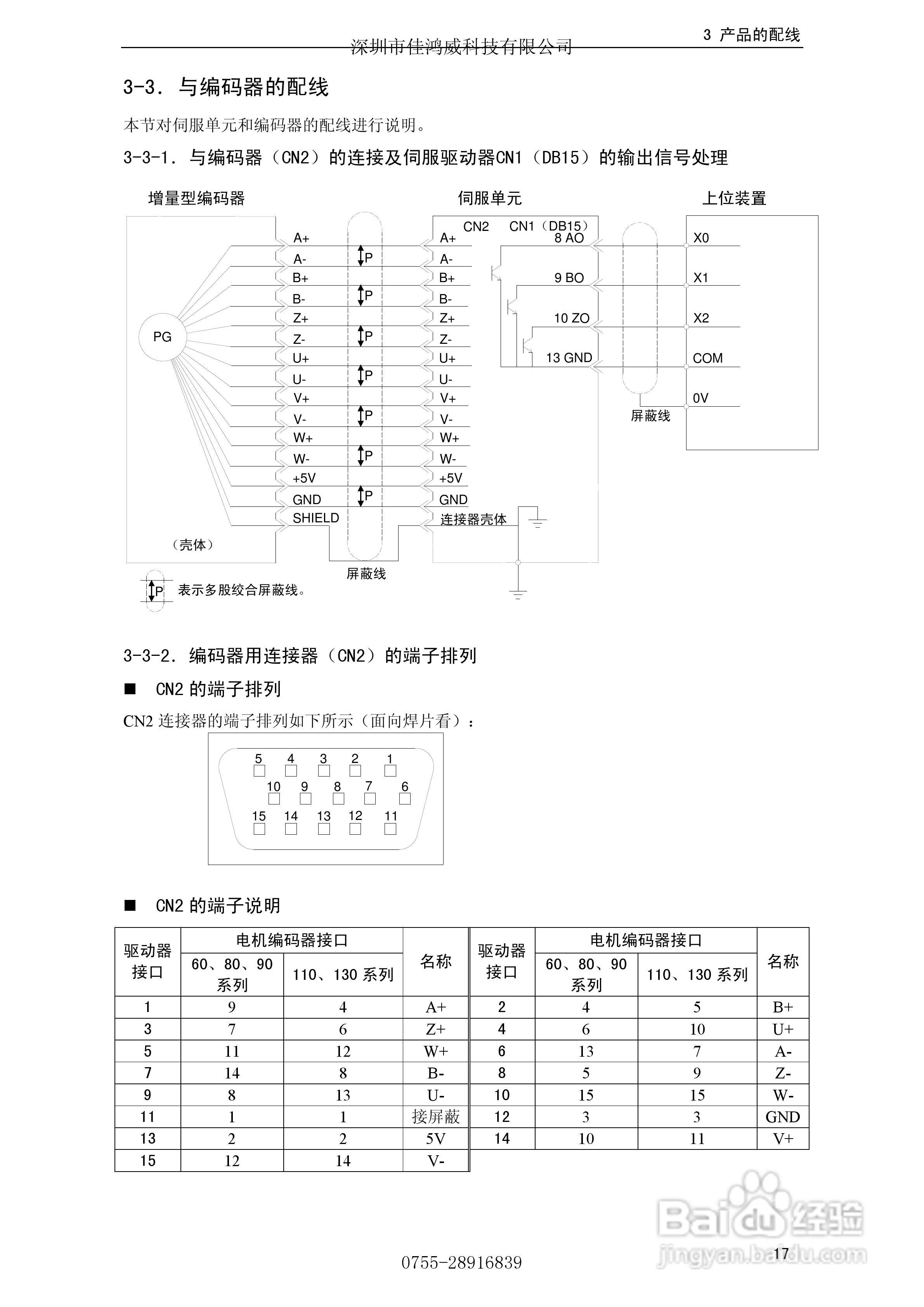
佳鸿威DS2系列伺服驱动器用户手册:[3]
2026-05-06 21:19:29
本篇为《佳鸿威DS2系列伺服驱动器用户手册》,主要介绍该产品的使用方法以及常见故障解决方案。
(共篇)
上一篇:
|
下一篇:
声明:
本网站引用、摘录或转载内容仅供网站访问者交流或参考,不代表本站立场,如存在版权或非法内容,请联系站长删除,联系邮箱:site.kefu@qq.com。
相关推荐
佳鸿威DS2系列伺服驱动器用户手册:[2]
阅读量:82
佳鸿威DS2系列伺服驱动器用户手册:[1]
阅读量:159
佳鸿威DP-708/DP-5022步进驱动器用户手册:[2]
阅读量:30
伺服驱动器的七个常见故障及其检修
阅读量:25
佳鸿威DS2系列伺服驱动器用户手册:[4]
阅读量:39
猜你喜欢
奇珍异宝的意思
佛系是什么意思啊
弹冠相庆的意思
汽车上牌需要什么资料
风情是什么意思
什么是舆情信息
ancient是什么意思
买手表什么牌子好
什么是基金单位净值
证券公司是做什么的
猜你喜欢
damage是什么意思
dn20是什么意思
看到什么我知道秋天来了
黛的意思
今年什么时候冬至
zone是什么意思
新婚祝福语简短上档次
莫衷一是是什么意思
淘宝子账号有什么用
豆芽机什么牌子好