指南生活
首页
美食营养
手工爱好
生活家居
返回
指南生活
首页
美食营养
游戏数码
手工爱好
生活家居
健康养生
运动户外
职场理财
情感交际
母婴教育
时尚美容
知识问答
生活知识
搜索
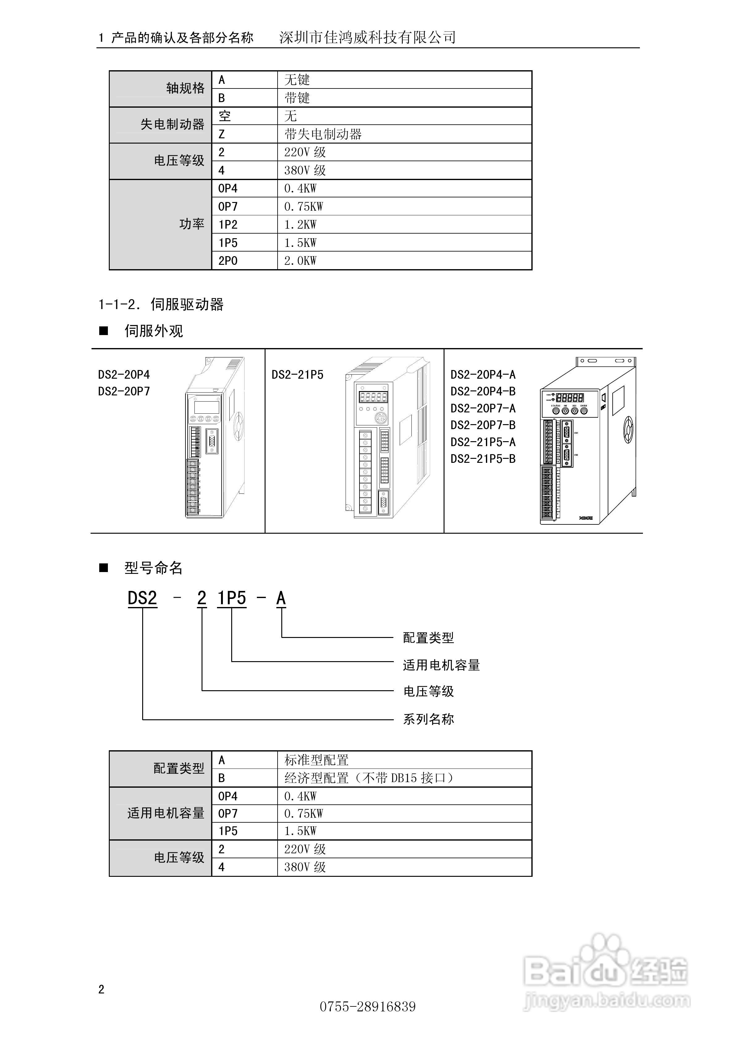
佳鸿威DS2系列伺服驱动器用户手册:[1]
2025-12-14 22:22:43
本篇为《佳鸿威DS2系列伺服驱动器用户手册》,主要介绍该产品的使用方法以及常见故障解决方案。
(共篇)
下一篇:
声明:
本网站引用、摘录或转载内容仅供网站访问者交流或参考,不代表本站立场,如存在版权或非法内容,请联系站长删除,联系邮箱:site.kefu@qq.com。
相关推荐
佳鸿威DS2系列伺服驱动器用户手册:[2]
阅读量:77
佳鸿威DS2系列伺服驱动器用户手册:[6]
阅读量:40
伺服驱动器的七个常见故障及其检修
阅读量:109
佳鸿威DS2系列伺服驱动器用户手册:[4]
阅读量:147
佳鸿威DS2系列伺服驱动器用户手册:[3]
阅读量:84
猜你喜欢
敕勒歌的意思
过户是什么意思
蓦然是什么意思
淘宝运费险是什么意思
十八岁生日祝福语
宵衣旰食的意思
瑞雪初降的意思
洋洋得意是什么意思
美味佳肴的意思
在职教育是什么意思
猜你喜欢
男学什么技术有前途
稗官野史的意思
fat是什么意思啊
心无旁骛是什么意思
汽车gt是什么意思
除权是什么意思
一箭双雕的意思
从容不迫的意思是什么
采风是什么意思
lily是什么意思