指南生活
首页
美食营养
手工爱好
生活家居
返回
指南生活
首页
美食营养
游戏数码
手工爱好
生活家居
健康养生
运动户外
职场理财
情感交际
母婴教育
时尚美容
知识问答
生活知识
搜索
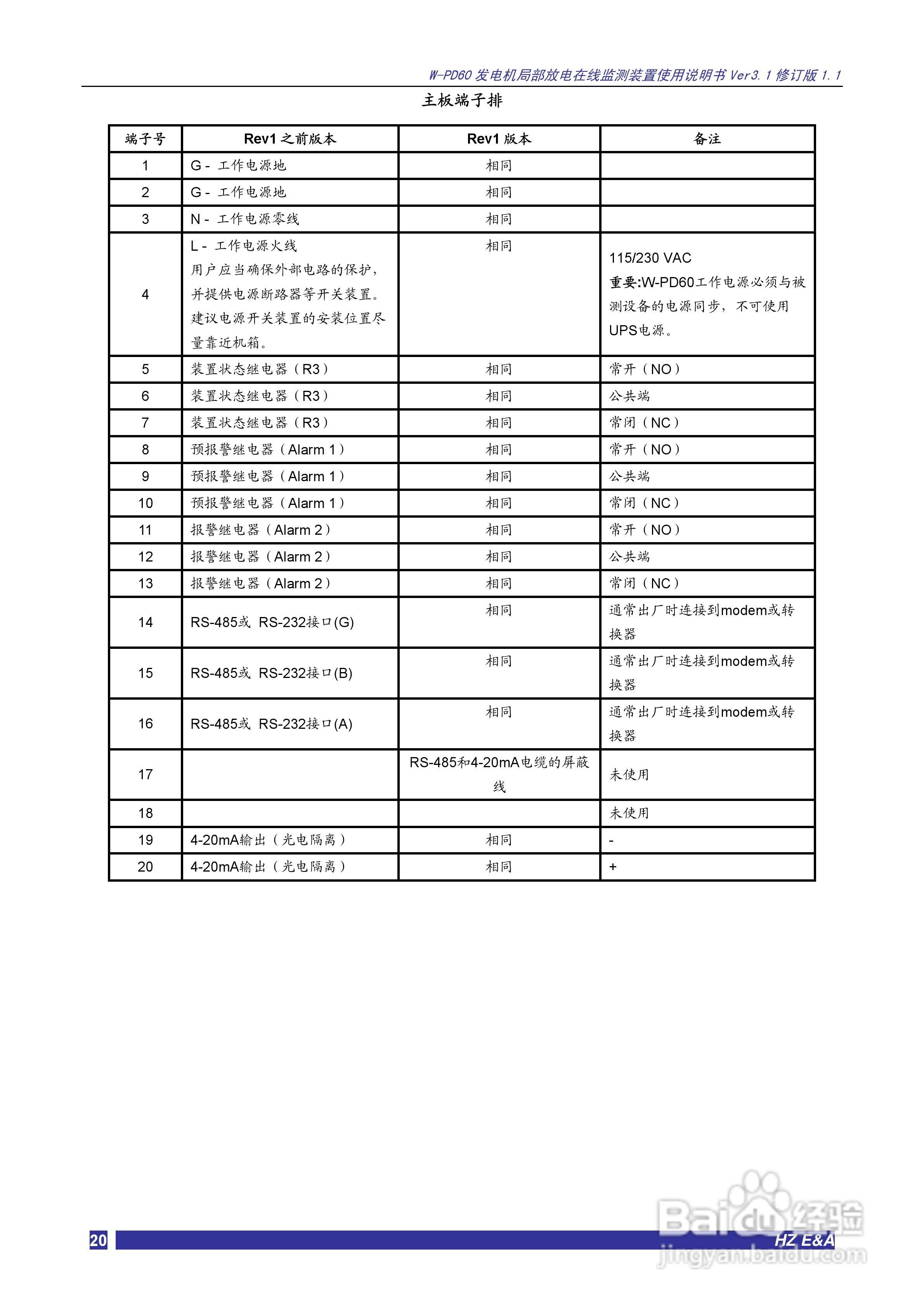
W-PD60发电机局部放电在线监测装置说明书V3.1:[2]
2025-12-28 18:56:10
本篇为《W-PD60发电机局部放电在线监测装置说明书V3.1》,主要介绍该产品的使用方法以及常见故障解决方案。
(共篇)
上一篇:
|
下一篇:
声明:
本网站引用、摘录或转载内容仅供网站访问者交流或参考,不代表本站立场,如存在版权或非法内容,请联系站长删除,联系邮箱:site.kefu@qq.com。
相关推荐
W-PD60发电机局部放电在线监测装置说明书V3.1:[3]
阅读量:162
BIOS怎么放电?
阅读量:182
W-PD60发电机局部放电在线监测装置说明书V3.1:[1]
阅读量:54
W-PD60发电机局部放电在线监测装置说明书V3.1:[4]
阅读量:65
JF系列局部放电检测系统说明书:[1]
阅读量:58
猜你喜欢
什么是自考
运动会新闻
养殖龙虾
滴虫性阴炎的症状用什么药效果好
出血热是什么病
运动衫
pv值是什么意思
8月25日是什么日子
送女朋友什么礼物好
fancy是什么意思
猜你喜欢
12月5号是什么日子
母夜叉是什么意思
什么是慕课
月经第三天属于什么期
什么是g大调
菅怎么读什么意思
什么是对冲基金
白化病是什么遗传
什么是法制
sneaker是什么意思