指南生活
首页
美食营养
手工爱好
生活家居
返回
指南生活
首页
美食营养
游戏数码
手工爱好
生活家居
健康养生
运动户外
职场理财
情感交际
母婴教育
时尚美容
知识问答
生活知识
生活百科
搜索
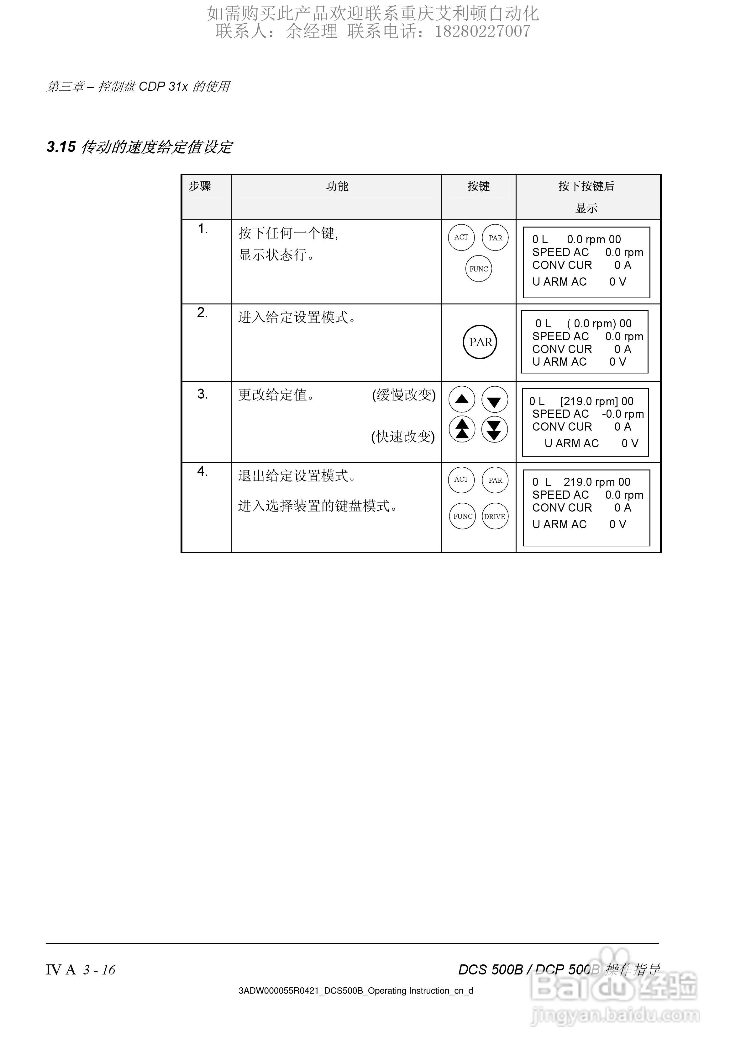
ABB DSC DCF DCP 500B直流变流器操作说明书:[6]
2026-04-18 22:52:00
本篇为《ABB DSC DCF DCP 500B直流变流器操作说明书》,主要介绍该产品的使用方法以及常见故障解决方案。
(共篇)
上一篇:
声明:
本网站引用、摘录或转载内容仅供网站访问者交流或参考,不代表本站立场,如存在版权或非法内容,请联系站长删除,联系邮箱:site.kefu@qq.com。
相关推荐
ABB DSC DCF DCP 500B直流变流器操作说明书:[5]
阅读量:41
ABB DCS500B/DCF500B/DCP500B直流变流器操作说明书:[8]
阅读量:36
DCS800ABB变流器说明书:[1]
阅读量:120
ABB/REX521保护继电器操作说明书:[1]
阅读量:188
ABB/REX521保护继电器操作说明书:[3]
阅读量:44
猜你喜欢
饥不择食什么意思
泡温泉穿什么
橄榄油有什么用
老公过生日送什么好
牛肉和什么相克
日加立念什么
炒山药的功效与作用
顺式作用元件
法律法规知识
弱水三千只取一瓢什么意思
猜你喜欢
妊娠反应什么时候结束
猪肝的功效与作用禁忌
大黄的功效与作用
糯米的功效与作用
大学生心理健康知识
榛子的功效与作用
表达方式有哪些及作用
消防安全知识图片
华素片的功效与作用
人工牛黄甲硝锉胶囊的功效与作用