指南生活
首页
美食营养
手工爱好
生活家居
返回
指南生活
首页
美食营养
游戏数码
手工爱好
生活家居
健康养生
运动户外
职场理财
情感交际
母婴教育
时尚美容
知识问答
生活知识
搜索
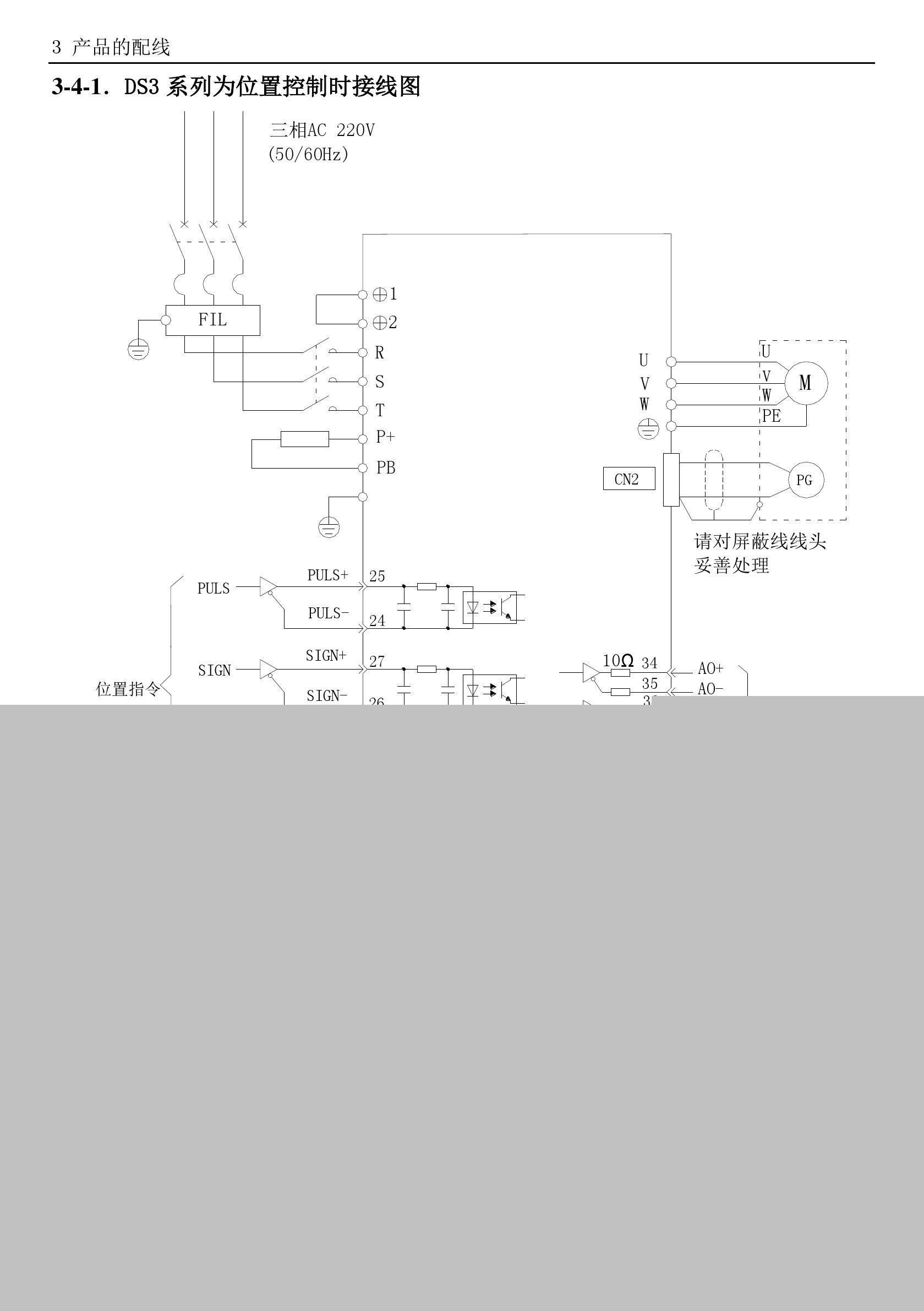
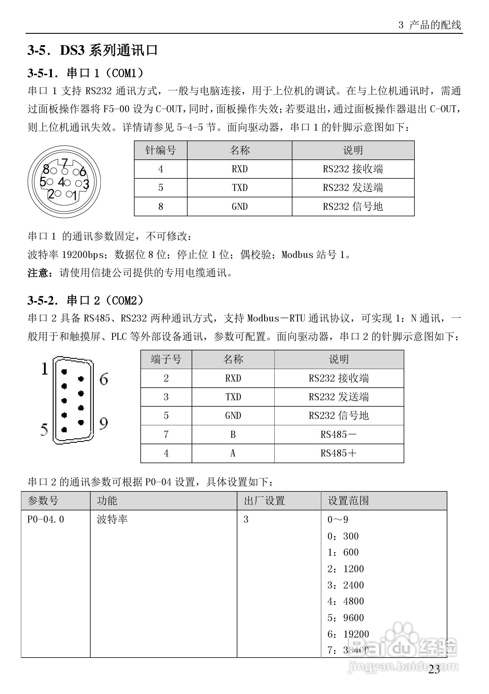
信捷电气DS3系列伺服驱动器用户手册:[4]
2025-11-26 17:59:40
本篇为《信捷电气DS3系列伺服驱动器用户手册》,主要介绍该产品的使用方法以及常见故障解决方案。
(共篇)
上一篇:
|
下一篇:
声明:
本网站引用、摘录或转载内容仅供网站访问者交流或参考,不代表本站立场,如存在版权或非法内容,请联系站长删除,联系邮箱:site.kefu@qq.com。
相关推荐
膜片联轴器安装特点及计算方法
阅读量:188
多道心电图机维修
阅读量:85
UQK-1000系列浮球液位控制器说明书
阅读量:155
万能式断路器双电源控制器
阅读量:106
浦科特 M6S+ SATA3固态硬盘开箱测评
阅读量:149
猜你喜欢
寻根究底的意思
相忘于江湖是什么意思
云水禅心的意思
什么鬼片恐怖又好看
宝宝买什么保险合适
cest la vie什么意思
扼杀的意思
惊心动魄是什么意思
account是什么意思
20岁生日送什么礼物
猜你喜欢
come out是什么意思
有什么别有病
烂桃花是什么意思
bell是什么意思
一片冰心在玉壶是什么意思
工业吸尘器什么牌子好
深圳欢乐谷有什么好玩的
贮藏的意思
什么是财务报表
深明大义的意思