指南生活
首页
美食营养
手工爱好
生活家居
返回
指南生活
首页
美食营养
游戏数码
手工爱好
生活家居
健康养生
运动户外
职场理财
情感交际
母婴教育
时尚美容
知识问答
生活知识
搜索
苏州一光RTS322R5全站仪使用说明书:[3]
2025-12-30 10:11:36
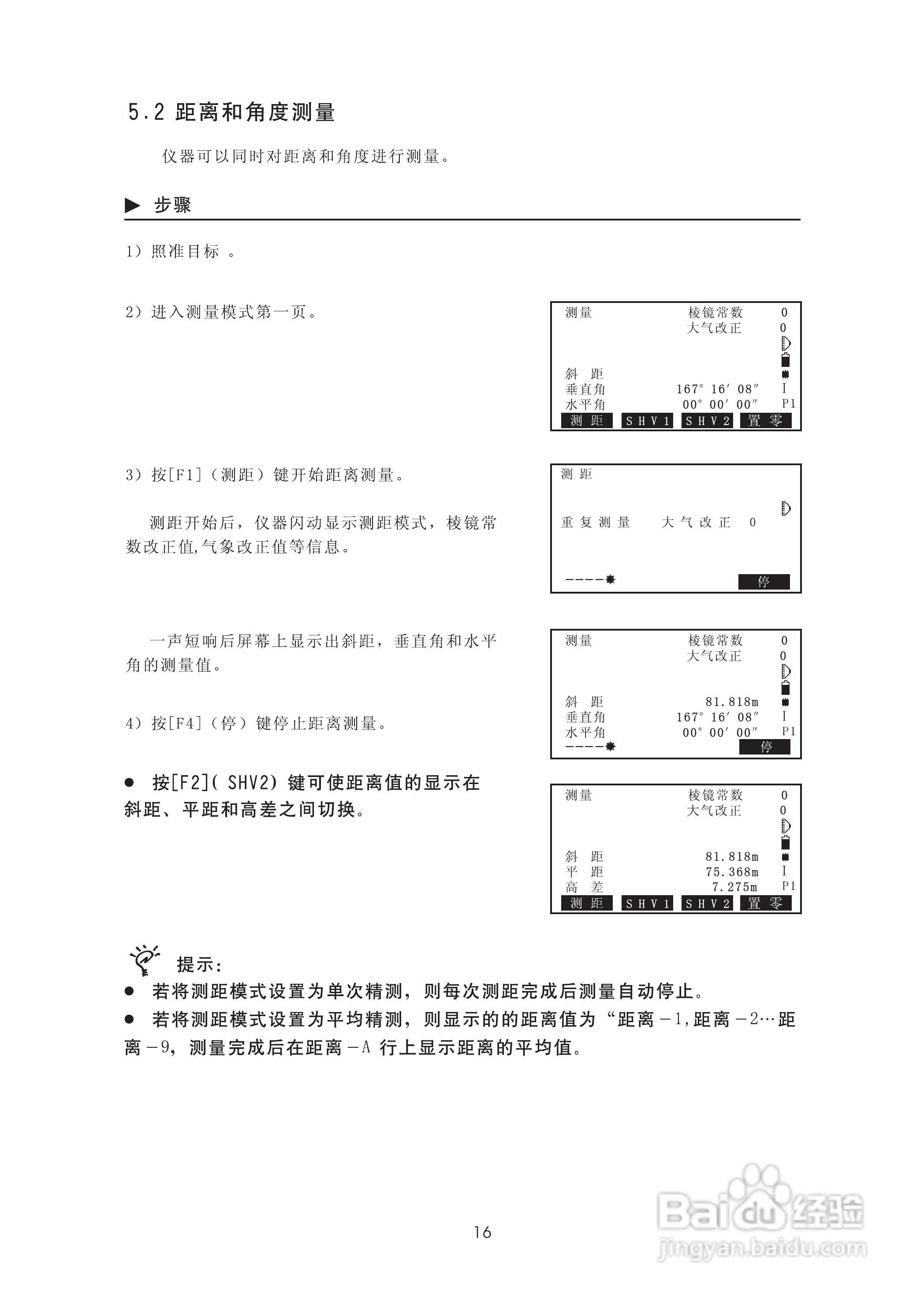
本篇为《苏州一光RTS322R5全站仪使用说明书》,主要介绍该产品的使用方法以及常见故障解决方案。
(共篇)
上一篇:
|
下一篇:
声明:
本网站引用、摘录或转载内容仅供网站访问者交流或参考,不代表本站立场,如存在版权或非法内容,请联系站长删除,联系邮箱:site.kefu@qq.com。
相关推荐
魅族手机的微信更新后如何设置通话和视频
阅读量:176
一加9pro怎么设置通话上网
阅读量:105
珍珠鲍鱼珍珠鲍鱼
阅读量:133
三八妇女节英语祝福 要有翻译的
阅读量:30
一加8pro怎么设置高清通话
阅读量:109
猜你喜欢
behave是什么意思
树欲静而风不止是什么意思
河虾养殖
什么是烂尾楼
r级是什么意思
戒指带中指什么意思
ie浏览器是什么
pace是什么意思
不卑不亢什么意思
办结婚证需要什么
猜你喜欢
水有什么作用
蟹爪兰的养殖方法和注意事项
茶花的养殖方法
虎皮兰的养殖方法和注意事项
卫冕是什么意思
七夕送什么礼物好
failed是什么意思
乌托邦是什么
落花流水是什么生肖
delete是什么意思