指南生活
首页
美食营养
手工爱好
生活家居
返回
指南生活
首页
美食营养
游戏数码
手工爱好
生活家居
健康养生
运动户外
职场理财
情感交际
母婴教育
时尚美容
知识问答
生活知识
搜索
实达BP-660K打印机使用说明书:[5]
2025-12-30 20:07:43
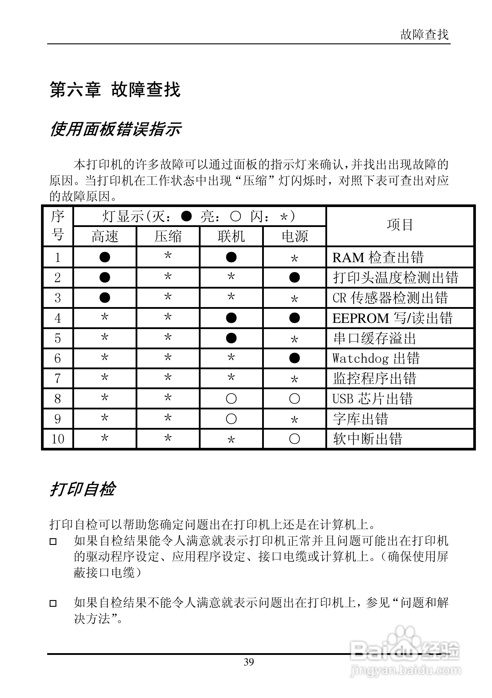
本篇为《实达BP-660K打印机使用说明书》,主要介绍该产品的使用方法以及常见故障解决方案。
(共篇)
上一篇:
|
下一篇:
声明:
本网站引用、摘录或转载内容仅供网站访问者交流或参考,不代表本站立场,如存在版权或非法内容,请联系站长删除,联系邮箱:site.kefu@qq.com。
相关推荐
道勤DQ-P5数码播放器使用说明书:[4]
阅读量:188
教你慎用Lin.ux find命令
阅读量:151
巨龙电气 WCK-7011/7012 馈线/线路保护测控装置说明书:[1]
阅读量:144
如何安装discuz! X3.1?
阅读量:42
如何使用89BSD压力传感器
阅读量:101
猜你喜欢
松山湖攻略
rav4怎么样
lol卡屏怎么解决
太和殿简介
怎么才能快速减肥
神之墓地攻略
呵斥怎么读
徐霞客简介
手机游戏攻略
减肥食谱一周瘦20斤
猜你喜欢
正确的跳绳减肥方法
薄暮传说攻略
有机菜花怎么做好吃
减肥励志语录
睾丸胀痛怎么回事
密室逃脱绝境系列8酒店惊魂攻略
白醋蜂蜜减肥法
凤凰攻略
减肥计划月瘦20斤
快速减肥方法