指南生活
首页
美食营养
手工爱好
生活家居
返回
指南生活
首页
美食营养
游戏数码
手工爱好
生活家居
健康养生
运动户外
职场理财
情感交际
母婴教育
时尚美容
知识问答
生活知识
搜索
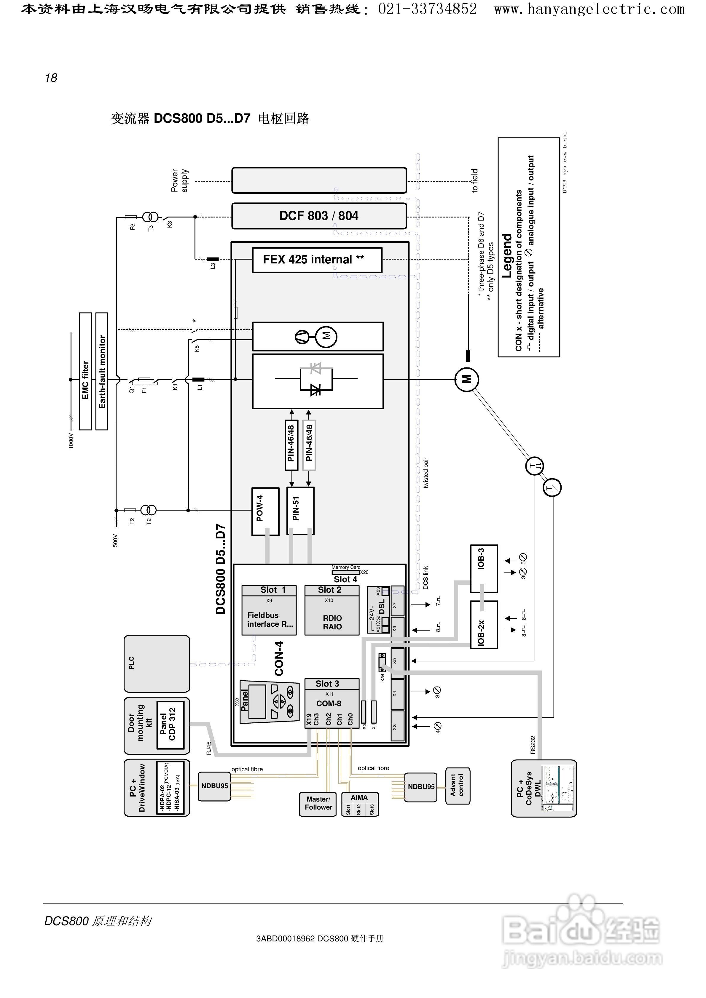
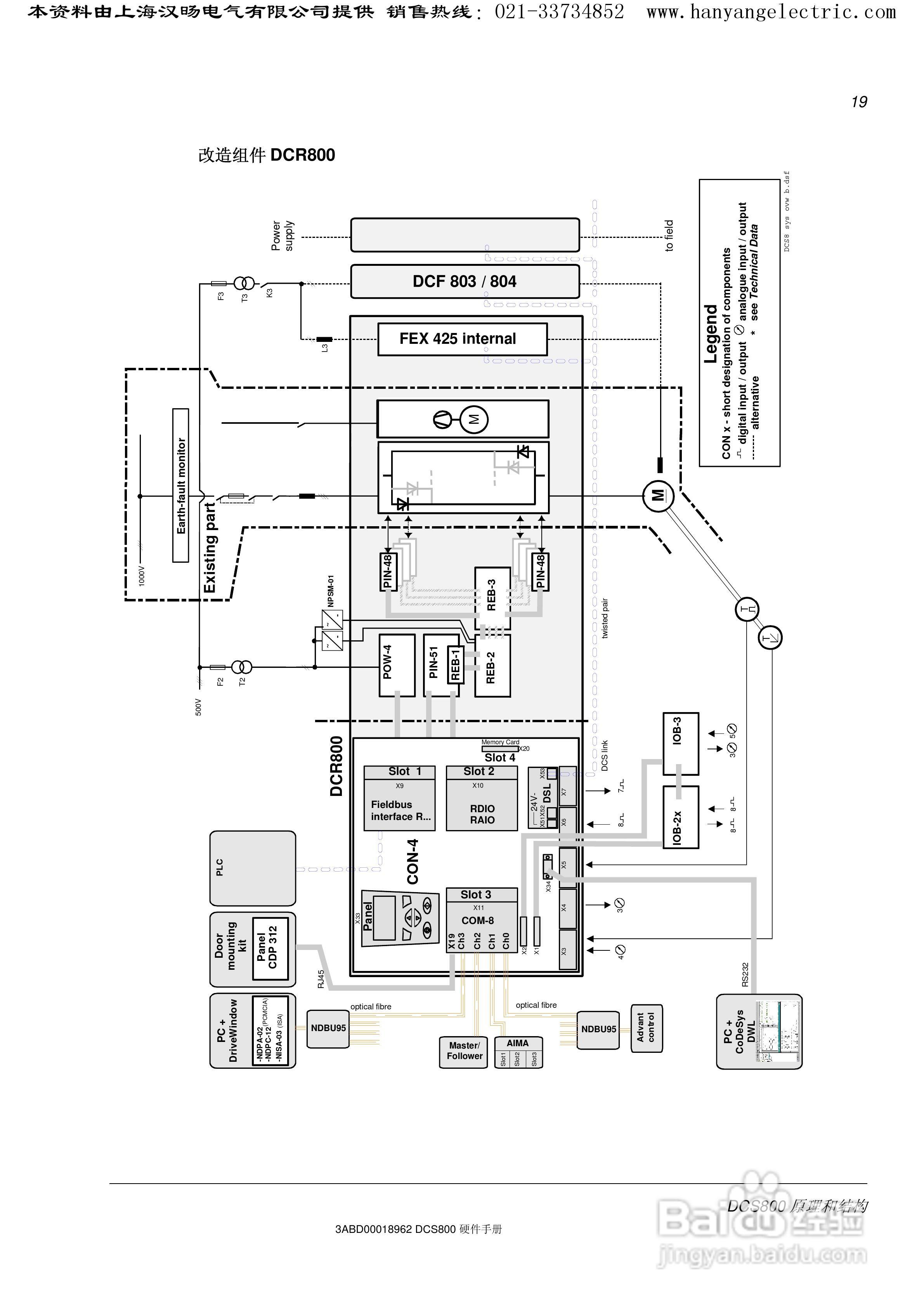
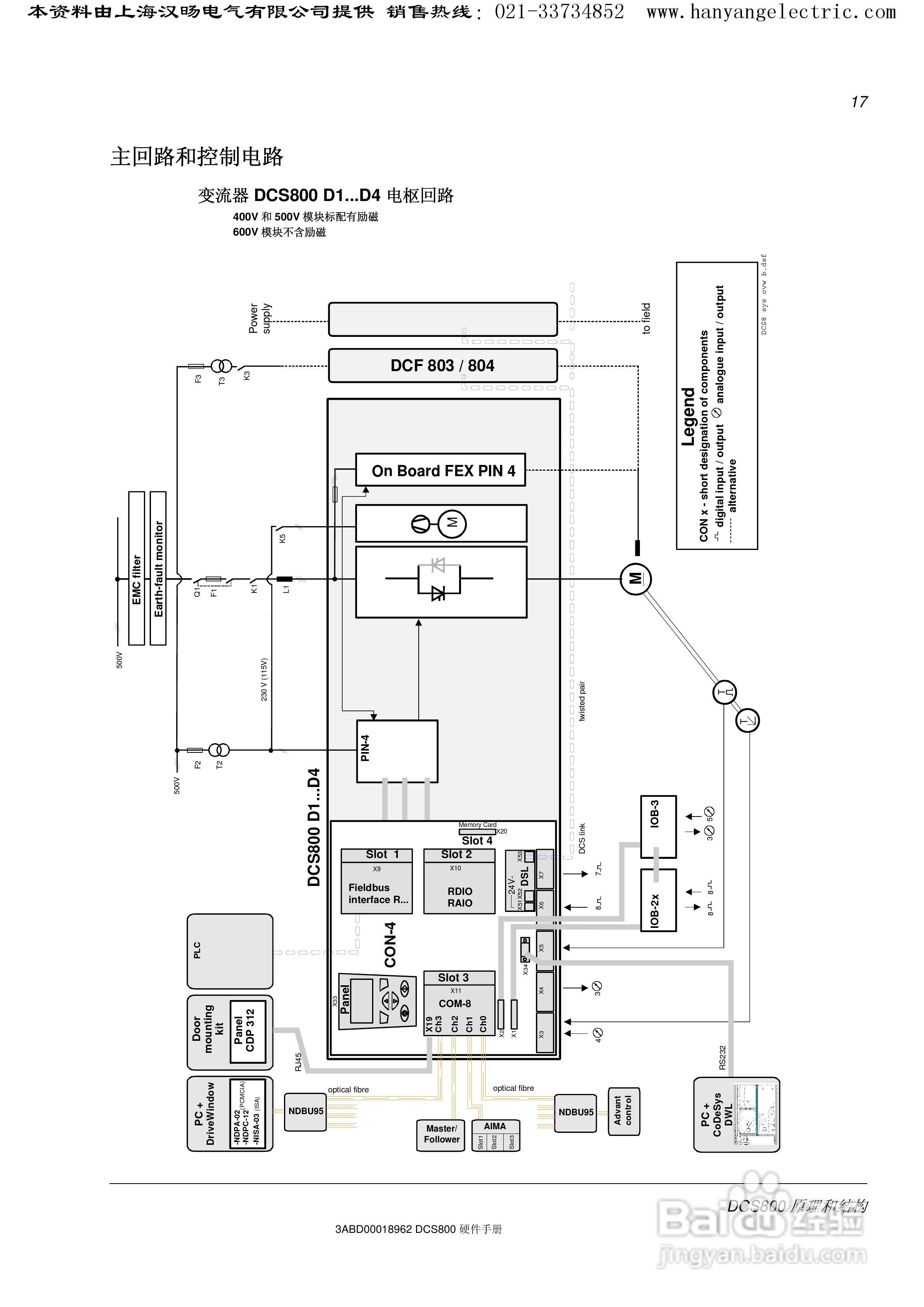
ABB DCS800直流驱动器中文手册:[2]
2025-12-21 11:28:28
本篇为《ABB DCS800直流驱动器中文手册》,主要介绍该产品的使用方法以及常见故障解决方案。
(共篇)
上一篇:
|
下一篇:
声明:
本网站引用、摘录或转载内容仅供网站访问者交流或参考,不代表本站立场,如存在版权或非法内容,请联系站长删除,联系邮箱:site.kefu@qq.com。
相关推荐
ABB DCS800直流驱动器中文手册:[9]
阅读量:153
ABB DCS800直流驱动器中文手册:[11]
阅读量:33
DCS800ABB变流器说明书:[2]
阅读量:67
DCS800ABB变流器说明书:[1]
阅读量:29
驱动器d中的磁盘没有格式化怎么办
阅读量:23
猜你喜欢
小心翼翼的意思是什么
forever是什么意思
6月14日是什么节日
莫衷一是是什么意思
puk码是什么
喝什么茶减肥
莫名其妙是什么意思
honey是什么意思中文
膝盖痛是什么原因
什么不什么什么成语
猜你喜欢
京东e卡是什么
鹤立鸡群是什么意思
系动词是什么
什么是鸡眼
羊驼是什么意思
ps是什么软件
胎动什么时候开始
badminton是什么意思
诗和远方是什么意思
卡贴是什么