指南生活
首页
美食营养
手工爱好
生活家居
返回
指南生活
首页
美食营养
游戏数码
手工爱好
生活家居
健康养生
运动户外
职场理财
情感交际
母婴教育
时尚美容
知识问答
生活知识
生活百科
搜索
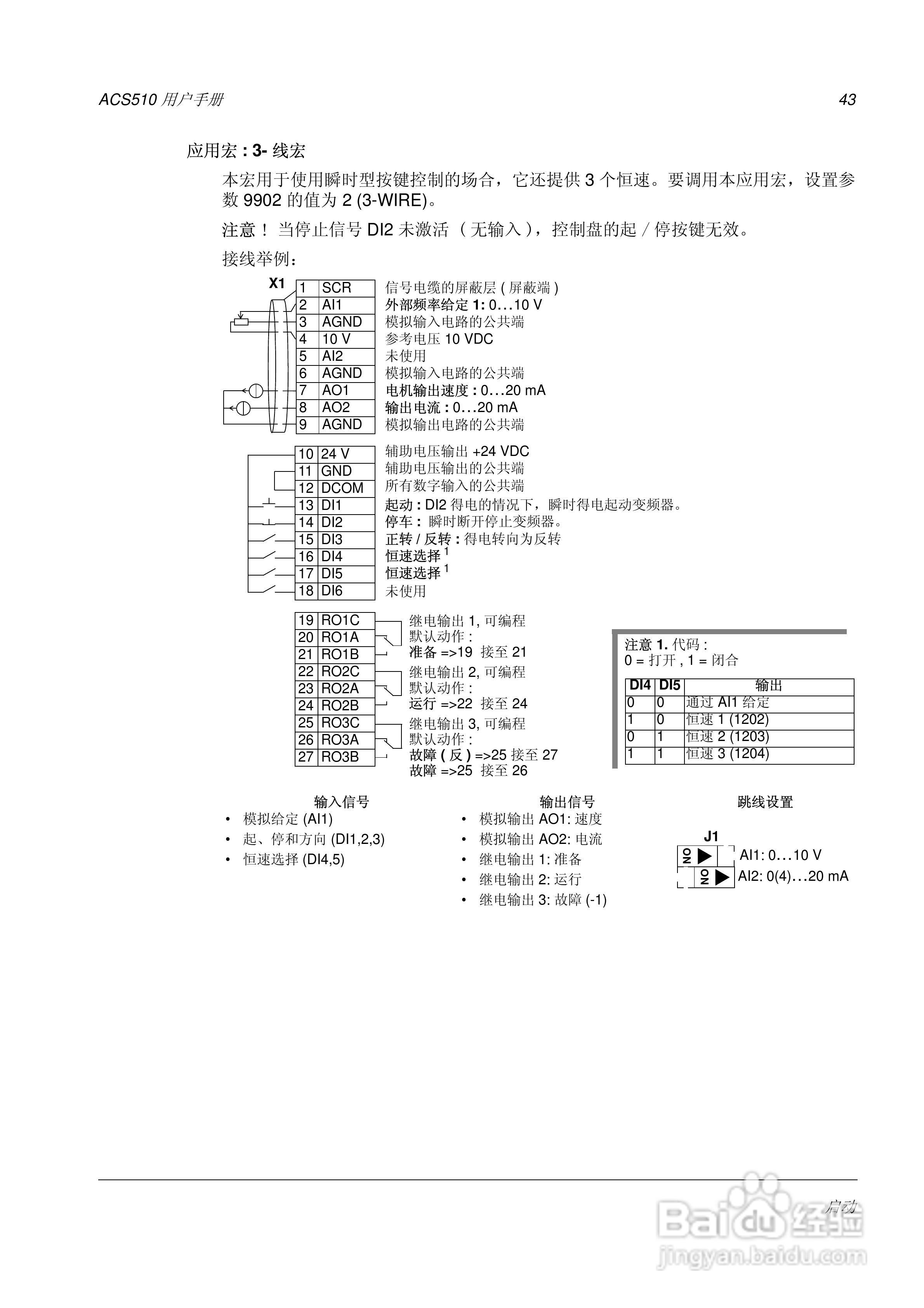
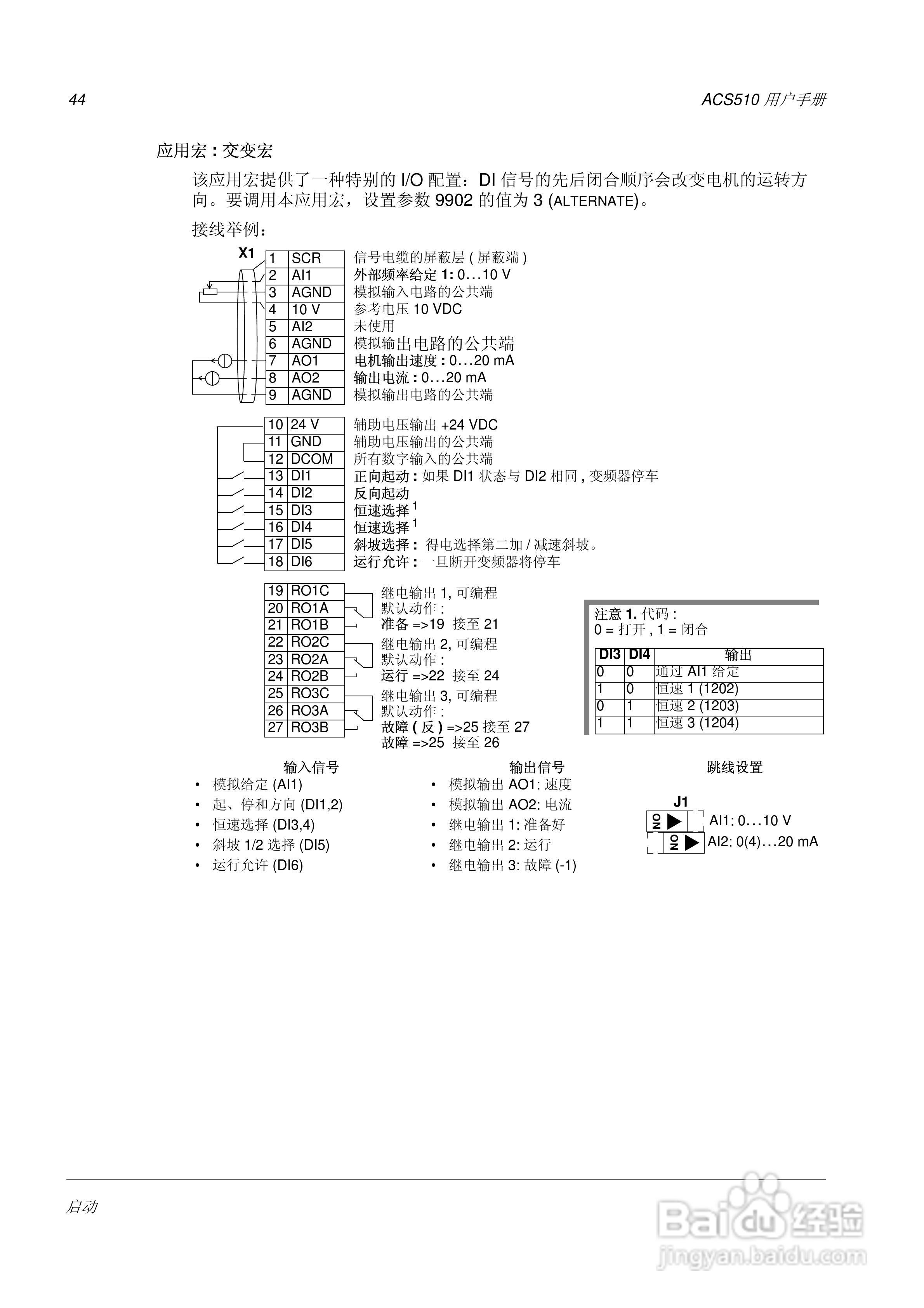
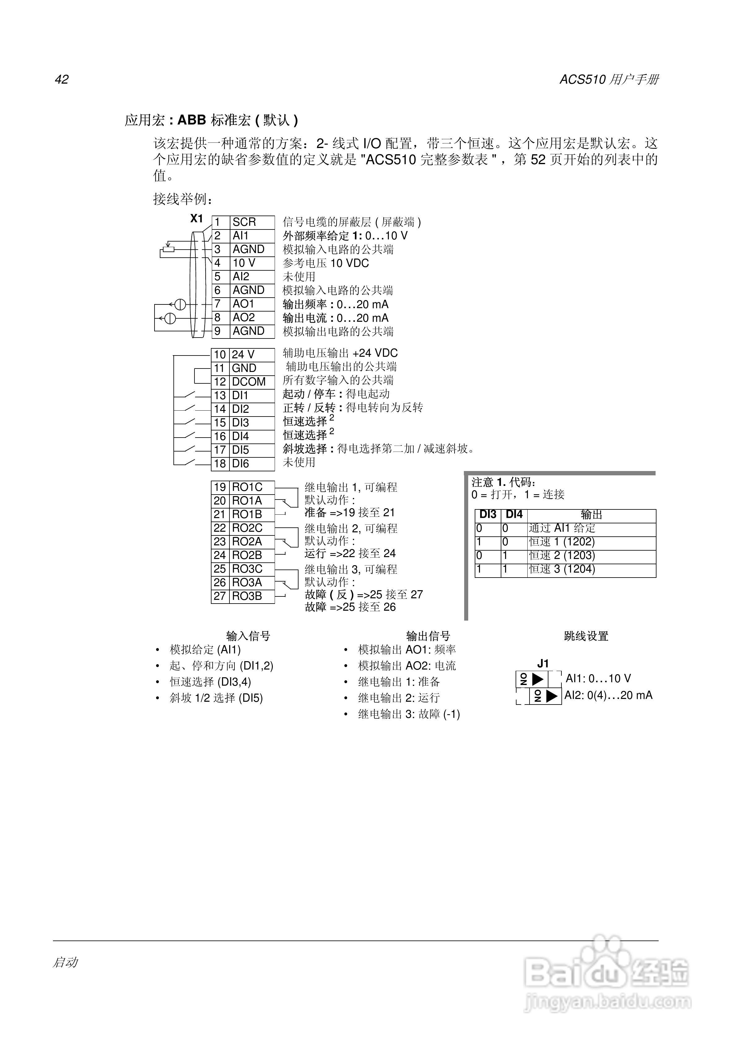
ACS510-01变频器用户手册:[5]
2026-03-24 10:04:05
本篇为《ACS510-01变频器用户手册》,主要介绍该产品的使用方法以及常见故障解决方案。
(共篇)
上一篇:
|
下一篇:
声明:
本网站引用、摘录或转载内容仅供网站访问者交流或参考,不代表本站立场,如存在版权或非法内容,请联系站长删除,联系邮箱:site.kefu@qq.com。
相关推荐
ABB ACS510变频器故障
阅读量:142
ACS510变频器故障解决办法
阅读量:66
ABB ACS101-1H6-1变频器使用说明书:[4]
阅读量:21
ABB ACS101-1H6-1变频器使用说明书:[2]
阅读量:27
变频器工作原理及应用
阅读量:124
猜你喜欢
tablet是什么意思
不羁的意思
default是什么意思
100万投资什么
points是什么意思
冒险岛战士转什么好
什么空调好又省电
什么食物补气血最好
三十而立是什么意思
言必行行必果的意思
猜你喜欢
盛气凌人的凌是什么意思
昏昏欲睡的意思
中秋祝福语
attack是什么意思
电影点映是什么意思
中秋送礼送什么好
庞然大物是什么意思
九死不悔的意思
舍本逐末是什么意思
里程碑的意思