指南生活
首页
美食营养
手工爱好
生活家居
返回
指南生活
首页
美食营养
游戏数码
手工爱好
生活家居
健康养生
运动户外
职场理财
情感交际
母婴教育
时尚美容
知识问答
生活知识
搜索
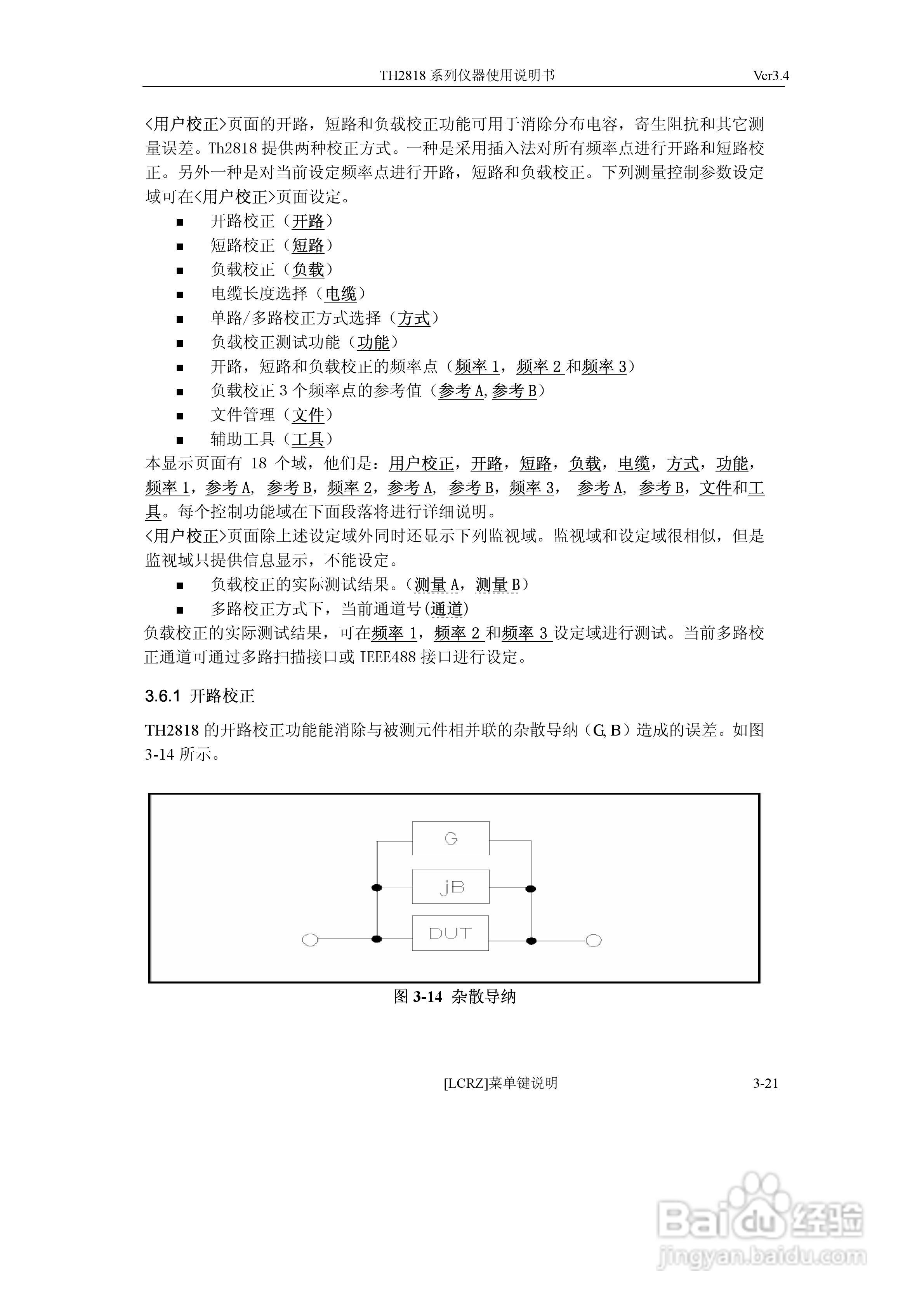
锦流源电子TH2818/TH2819 LCR数字电桥说明书:[6]
2025-12-20 05:18:01
本篇为《锦流源电子TH2818/TH2819 LCR数字电桥说明书》,主要介绍该产品的使用方法以及常见故障解决方案。
(共篇)
上一篇:
声明:
本网站引用、摘录或转载内容仅供网站访问者交流或参考,不代表本站立场,如存在版权或非法内容,请联系站长删除,联系邮箱:site.kefu@qq.com。
相关推荐
锦流源电子TH2819XA LCR数字电桥说明书:[6]
阅读量:122
锦流源电子TH2819XA LCR数字电桥说明书:[3]
阅读量:176
锦流源电子TH2819XA LCR数字电桥说明书:[2]
阅读量:125
TH2818/TH2819数字电桥使用说明书:[6]
阅读量:141
TH2818/TH2819数字电桥使用说明书:[1]
阅读量:165
猜你喜欢
信息是什么
味精的主要成分是什么
美联储加息什么意思
指日可待是什么意思
ict是什么
异想天开是什么意思
彬彬有礼的意思是什么
三角梅的养殖方法
资源不足是什么意思
ahead是什么意思
猜你喜欢
绘声绘色是什么意思
生猪养殖
绿茶表是什么意思
counter是什么意思
古文运动
however是什么意思
打两个喷嚏是什么意思
北岳是什么山
核电站是什么
计提工资是什么意思