指南生活
首页
美食营养
手工爱好
生活家居
返回
指南生活
首页
美食营养
游戏数码
手工爱好
生活家居
健康养生
运动户外
职场理财
情感交际
母婴教育
时尚美容
知识问答
生活知识
生活百科
搜索
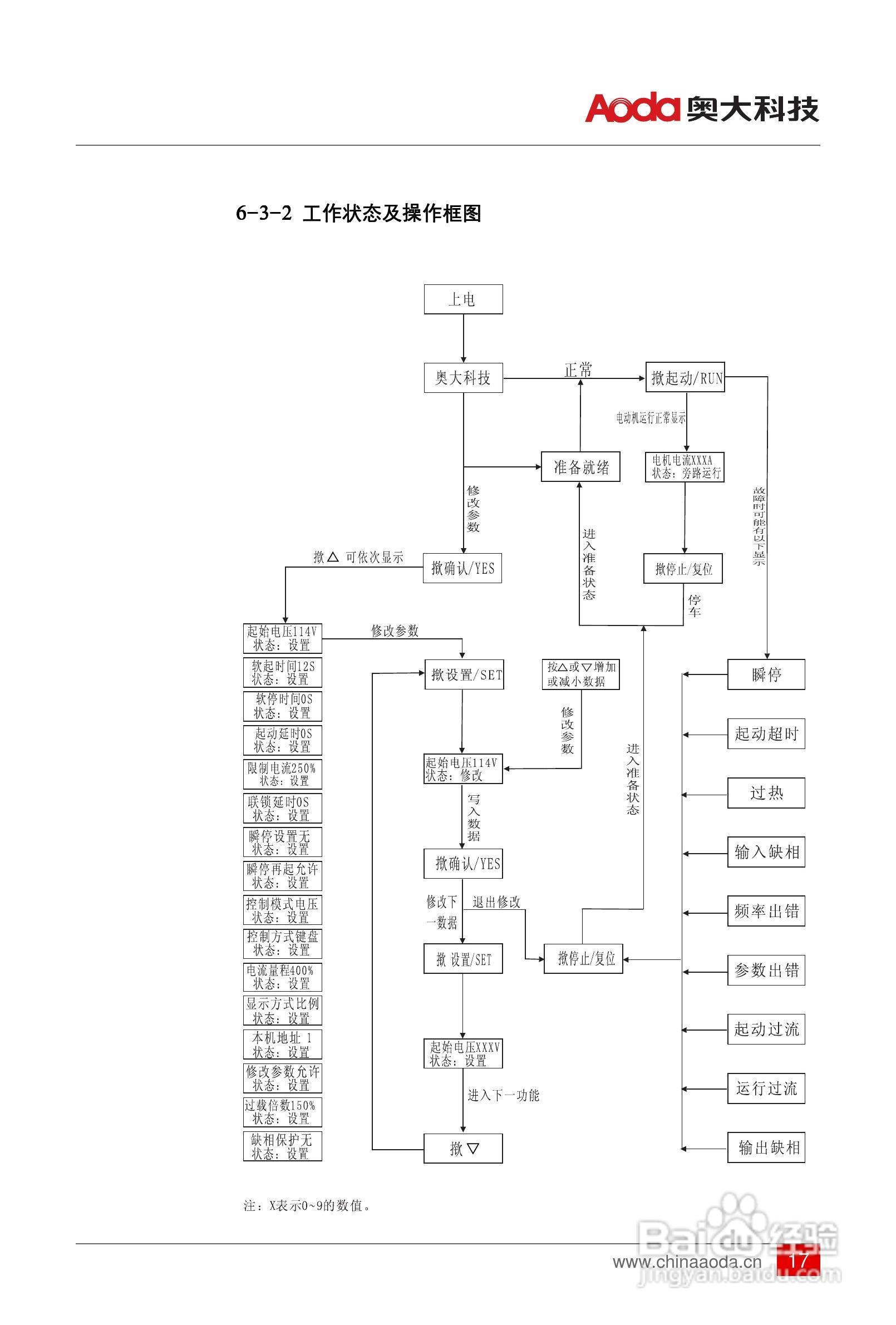
AOR5000网络智能软起动器用户手册:[2]
2026-03-28 05:42:09
本篇为《AOR5000网络智能软起动器用户手册》,主要介绍该产品的使用方法以及常见故障解决方案。
(共篇)
上一篇:
|
下一篇:
声明:
本网站引用、摘录或转载内容仅供网站访问者交流或参考,不代表本站立场,如存在版权或非法内容,请联系站长删除,联系邮箱:site.kefu@qq.com。
相关推荐
AOR5000网络智能软起动器用户手册:[3]
阅读量:153
AOR3000中文智能软起动器用户手册:[2]
阅读量:141
AOR2000数字式智能软起动器用户手册:[1]
阅读量:144
AOR3000中文智能软起动器用户手册:[3]
阅读量:196
ITS811智能软起动器用户手册:[2]
阅读量:131
猜你喜欢
中学生如何瘦腿
过敏性咳嗽如何治疗
10月20日是什么星座
win7如何添加打印机
笔记本如何连接投影仪
怎么下载阿里旺旺
生活委员职责
9月是什么星座
辞职报告如何写
空白网名怎么弄
猜你喜欢
定投基金怎么买
为了胜利向我开炮是什么电影
日光性皮炎怎么治
剑网3怎么赚钱
孩子不学怎么办
天帝的悠闲生活
邮政编码是什么
淘宝店铺如何装修
ob是什么意思
梦见乌龟是什么意思