指南生活
首页
美食营养
手工爱好
生活家居
返回
指南生活
首页
美食营养
游戏数码
手工爱好
生活家居
健康养生
运动户外
职场理财
情感交际
母婴教育
时尚美容
知识问答
生活知识
生活百科
搜索
南瑞继保RCS-928A型断路器闪络保护装置使用说明书:[2]
2026-04-24 08:18:40
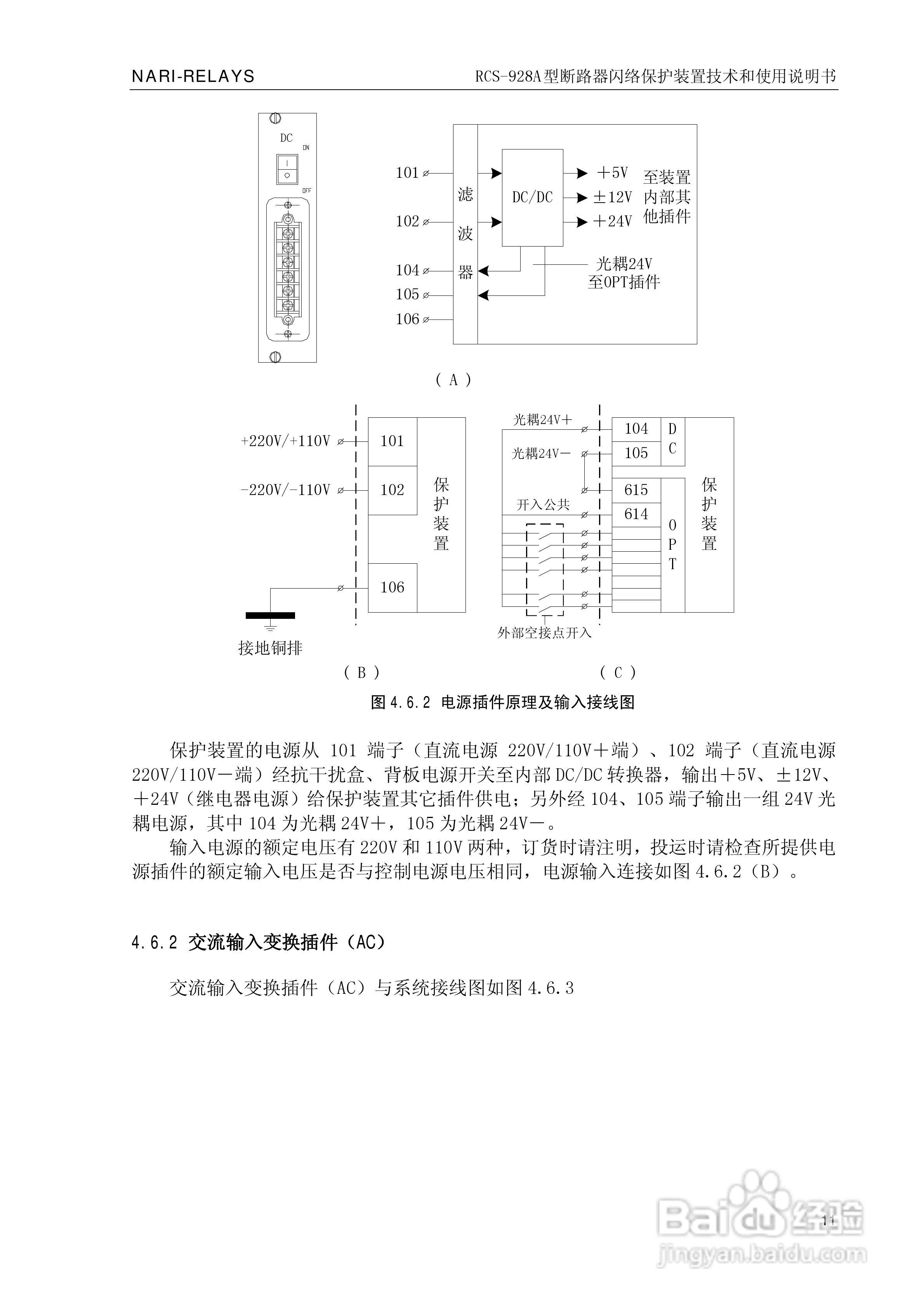
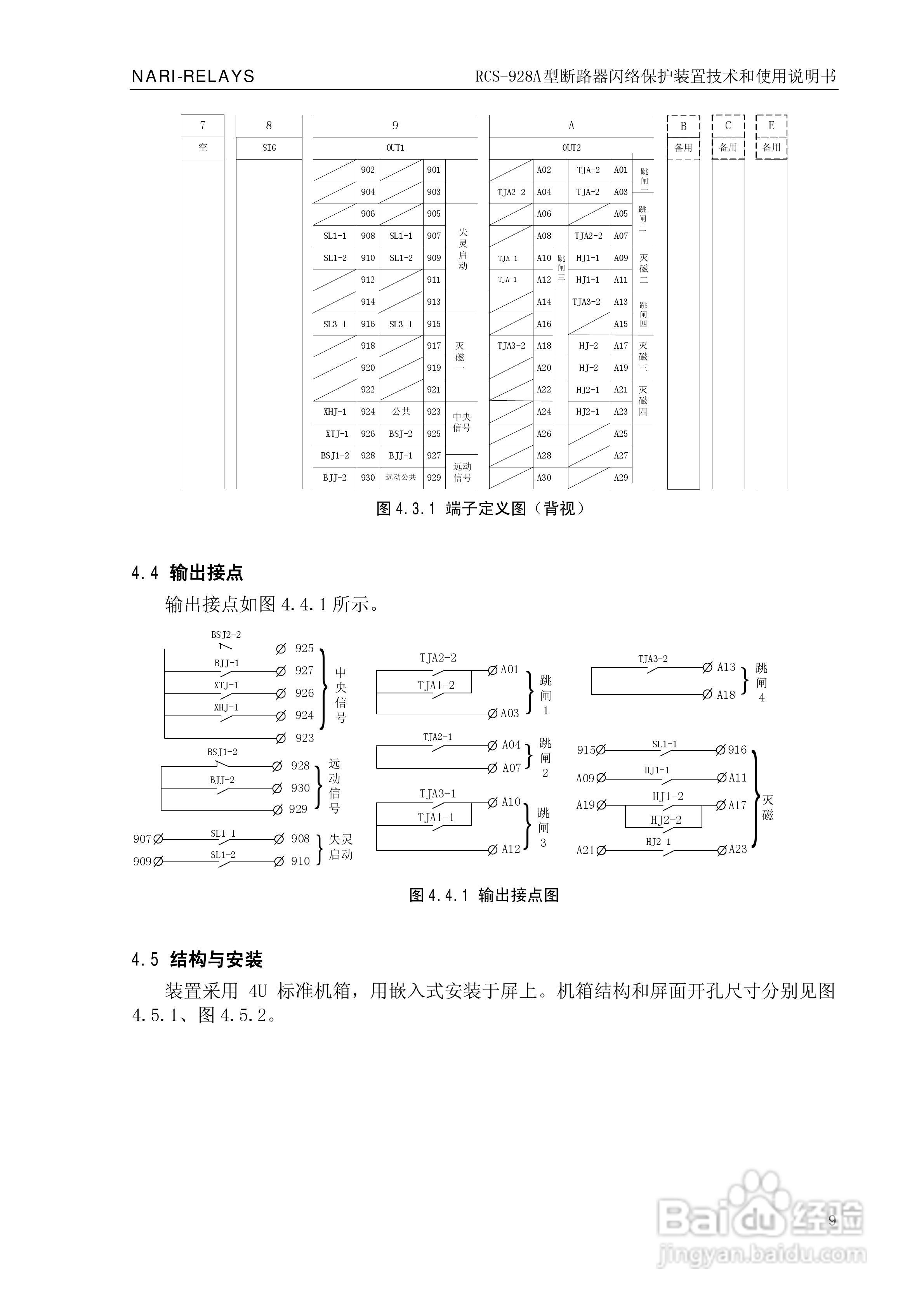
本篇为《南瑞继保RCS-928A型断路器闪络保护装置使用说明书》,主要介绍该产品的使用方法以及常见故障解决方案。
(共篇)
上一篇:
|
下一篇:
声明:
本网站引用、摘录或转载内容仅供网站访问者交流或参考,不代表本站立场,如存在版权或非法内容,请联系站长删除,联系邮箱:site.kefu@qq.com。
相关推荐
南瑞继保RCS-928A型断路器闪络保护装置使用说明书:[3]
阅读量:112
南瑞继保RCS-926A型过电压保护装置技术和使用说明书:[4]
阅读量:167
南瑞继保RCS-926A型过电压保护装置技术和使用说明书:[3]
阅读量:144
断路器接触电阻测试仪
阅读量:49
南瑞继保RCS-921A型断路器失灵保护及自动重合闸装置技:[2]
阅读量:28
猜你喜欢
无后为大是什么意思
mdb用什么打开
couple是什么意思
男闺蜜是什么意思
施舍是什么意思
豁然开朗是什么意思
力不从心是什么意思
炒锅用什么材质的好
帽子戏法是什么意思
爆菊是什么意思
猜你喜欢
什么网游能赚钱
德艺双馨的意思
稻子熟了像什么
somebody是什么意思
boos是什么意思
草量级是什么意思
电链锯什么牌子好
五湖四海是什么意思
什么姿势女的最爽
夜书所见的书什么意思