指南生活
首页
美食营养
手工爱好
生活家居
返回
指南生活
首页
美食营养
游戏数码
手工爱好
生活家居
健康养生
运动户外
职场理财
情感交际
母婴教育
时尚美容
知识问答
生活知识
搜索
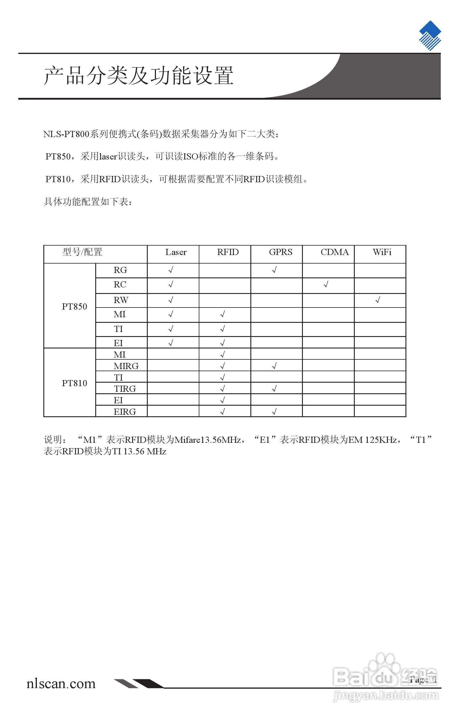
NLS-PT800系列便携式(条码)数据采集器用户手册:[1]
2026-01-10 19:53:31
本篇为《NLS-PT800系列便携式(条码)数据采集器用户手册》,主要介绍该产品的使用方法以及常见故障解决方案。
(共篇)
下一篇:
声明:
本网站引用、摘录或转载内容仅供网站访问者交流或参考,不代表本站立场,如存在版权或非法内容,请联系站长删除,联系邮箱:site.kefu@qq.com。
相关推荐
NEWLAND NLS-PT980系列便携式数据采集器用户手册:[1]
阅读量:172
NEWLAND NLS-PT980系列便携式数据采集器用户手册:[5]
阅读量:137
NEWLAND NLS-PT980系列便携式数据采集器用户手册:[6]
阅读量:142
新大陆NLS-FM100一维扫描模组
阅读量:138
新大陆NLS-HR200二维码扫描器
阅读量:185
猜你喜欢
动画片大全
纸花怎么折
红烧带鱼的家常做法
笔记本电脑卡怎么办
营销方案怎么写
家常菜剧情
粉丝娃娃菜的家常做法
豆角的做法大全家常
北京好吃的地方
单田芳评书大全免费听
猜你喜欢
幸福的方法读后感
支票大写日期怎么写
跳跳糖怎么玩
在校表现怎么写
欧利时手表怎么样
微信名字大全男
焖面怎么做好吃
ppt怎么加背景图片
关节炎的治疗方法
小米手机死机怎么办