指南生活
首页
美食营养
手工爱好
生活家居
返回
指南生活
首页
美食营养
游戏数码
手工爱好
生活家居
健康养生
运动户外
职场理财
情感交际
母婴教育
时尚美容
知识问答
生活知识
生活百科
搜索
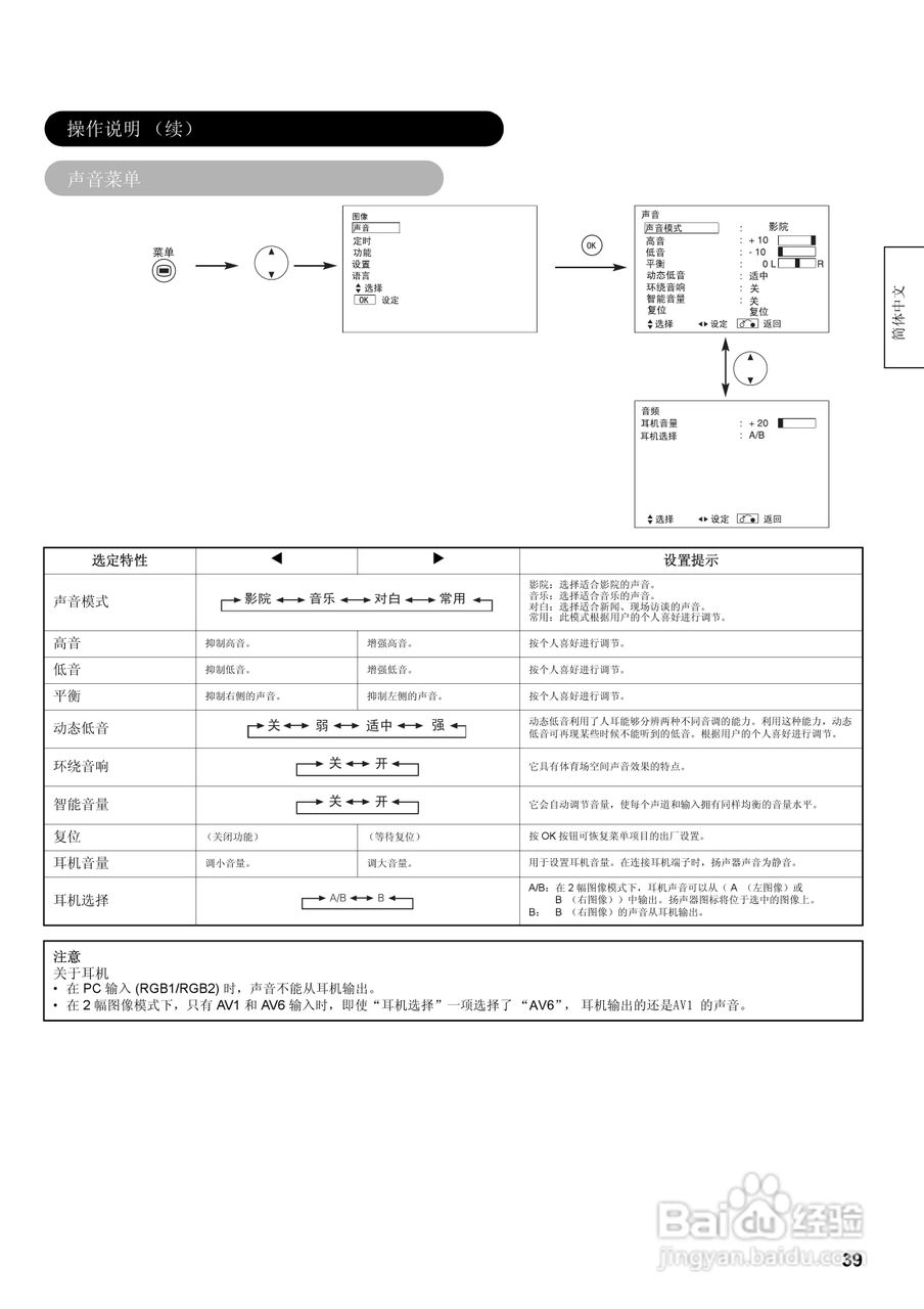
日立32液晶彩色电视接收机说明书:[5]
2026-04-22 01:44:24
(共篇)
上一篇:
|
下一篇:
声明:
本网站引用、摘录或转载内容仅供网站访问者交流或参考,不代表本站立场,如存在版权或非法内容,请联系站长删除,联系邮箱:site.kefu@qq.com。
相关推荐
日立32液晶彩色电视接收机说明书:[3]
阅读量:157
海尔彩色电视接收机L29A9-AK使用说明书:[1]
阅读量:162
海尔彩色电视接收机L29A9-AK使用说明书:[2]
阅读量:104
海尔彩色电视接收机L29A9-AK使用说明书:[4]
阅读量:109
日立硬盘固件升级教程
阅读量:191
猜你喜欢
下午5点是什么时辰
淬火是什么意思
毛线是什么意思
水痘疫苗什么时候打
次第是什么意思
sap是什么
雅人四好指的是什么
诰命夫人是什么意思
什么什么什么
蒙顶甘露属于什么茶
猜你喜欢
杏花是什么颜色
来而不往非礼也什么意思
什么是自然数
凤凰男什么意思啊
ears是什么意思
crs是什么
武汉什么时候封城
一什么阳光
罗志祥多人运动是什么意思
usd是什么