指南生活
首页
美食营养
手工爱好
生活家居
返回
指南生活
首页
美食营养
游戏数码
手工爱好
生活家居
健康养生
运动户外
职场理财
情感交际
母婴教育
时尚美容
知识问答
生活知识
生活百科
搜索
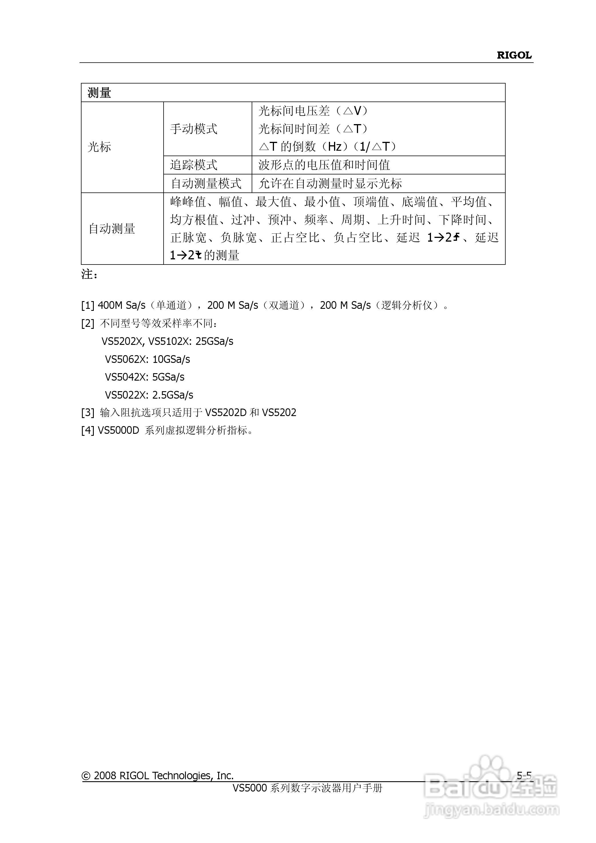
普源VS5000系列虚拟示波器说明书:[14]
2026-04-26 14:25:39
本篇为《普源VS5000系列虚拟示波器说明书》,主要介绍该产品的使用方法以及常见故障解决方案。
(共篇)
上一篇:
|
下一篇:
声明:
本网站引用、摘录或转载内容仅供网站访问者交流或参考,不代表本站立场,如存在版权或非法内容,请联系站长删除,联系邮箱:site.kefu@qq.com。
相关推荐
普源VS5000系列虚拟示波器说明书:[15]
阅读量:119
普源VS5000系列虚拟示波器说明书:[8]
阅读量:104
普源DS1000A系列数字示波器说明书:[14]
阅读量:87
示波器快速入门使用指南
阅读量:117
示波器的使用方法介绍
阅读量:28
猜你喜欢
黄褐斑是怎么形成的
普洱茶怎么泡
方兴未艾怎么读
停牌的股票怎么办
电脑桌面怎么设置密码
土豆饼怎么做好吃
案例分析怎么写
佛手瓜怎么种植
淘宝评价怎么修改
果郡王怎么死的
猜你喜欢
wifi怎么设置
女孩英语怎么说
wps怎么拆分单元格
耳朵进水出不来怎么办
怎么鉴别和田玉
福特锐界怎么样
docm文件怎么打开
无线鼠标怎么连接
心怎么读
乌鸡白凤丸怎么样