指南生活
首页
美食营养
手工爱好
生活家居
返回
指南生活
首页
美食营养
游戏数码
手工爱好
生活家居
健康养生
运动户外
职场理财
情感交际
母婴教育
时尚美容
知识问答
生活知识
生活百科
搜索
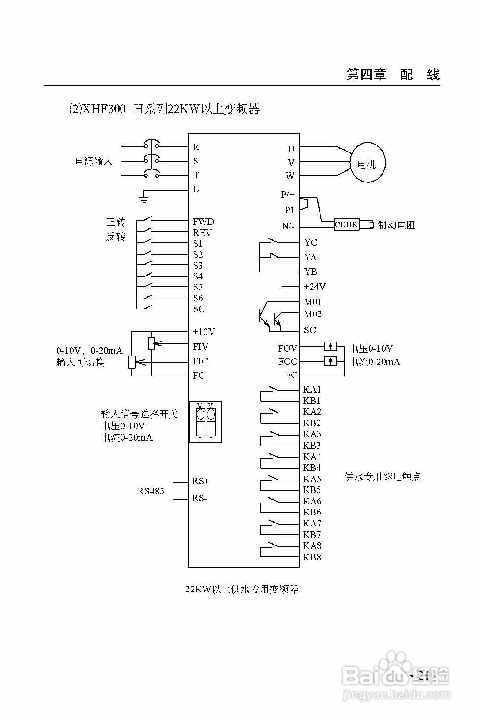
西普XHF300-475变频器使用说明书:[3]
2026-04-13 17:57:34
本篇为《西普XHF300-475变频器使用说明书》,主要介绍该产品的使用方法以及常见故障解决方案。
(共篇)
上一篇:
|
下一篇:
声明:
本网站引用、摘录或转载内容仅供网站访问者交流或参考,不代表本站立场,如存在版权或非法内容,请联系站长删除,联系邮箱:site.kefu@qq.com。
相关推荐
西普XHF300-475变频器使用说明书:[6]
阅读量:79
西普XHF300-475变频器使用说明书:[11]
阅读量:158
使用说明书封面怎么做
阅读量:28
使用说明书wf2651使用指南
阅读量:36
西普XHF300-475变频器使用说明书:[12]
阅读量:136
猜你喜欢
轻易的近义词
汽车怎么漂移
融360怎么样
天真的近义词
鸣人的假期怎么下载
得意忘形的近义词
怎么写诗歌
蜂王浆怎么保存
经营性质怎么填
眉飞色舞的近义词
猜你喜欢
天龙八部星宿怎么样
枯萎的近义词
网上怎么申请信用卡
丰硕的近义词
怎么连接网络打印机
胆囊息肉怎么治疗最好
怎么去除黄褐斑
鼠标坏了怎么修
前戏怎么做水更多
传承的近义词