指南生活
首页
美食营养
手工爱好
生活家居
返回
指南生活
首页
美食营养
游戏数码
手工爱好
生活家居
健康养生
运动户外
职场理财
情感交际
母婴教育
时尚美容
知识问答
生活知识
生活百科
搜索
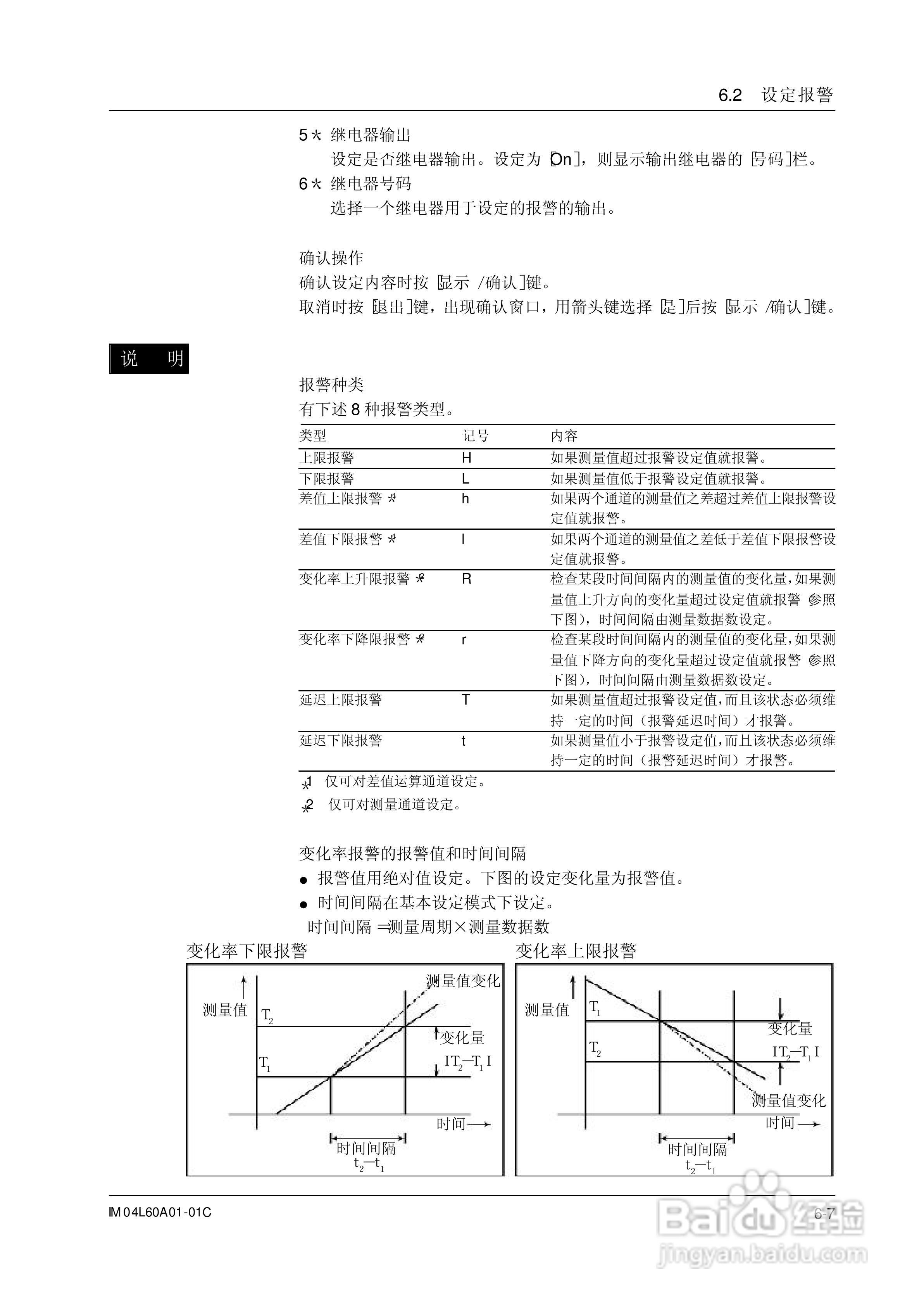
AX100无纸记录仪说明书:[12]
2026-04-11 05:56:01
本篇为《AX100无纸记录仪说明书》,主要介绍该产品的使用方法以及常见故障解决方案。
(共篇)
上一篇:
|
下一篇:
声明:
本网站引用、摘录或转载内容仅供网站访问者交流或参考,不代表本站立场,如存在版权或非法内容,请联系站长删除,联系邮箱:site.kefu@qq.com。
相关推荐
AX100无纸记录仪说明书:[14]
阅读量:22
AX100无纸记录仪说明书:[17]
阅读量:160
AX100无纸记录仪说明书:[19]
阅读量:129
AX100无纸记录仪说明书:[16]
阅读量:123
AX100无纸记录仪说明书:[26]
阅读量:111
猜你喜欢
不慌不忙的意思
happy new year什么意思
什么电视机最好
不声不响的意思
4396什么意思
久别重逢的意思
foreverlove什么意思
什么叫abc
隐患的意思
什么是ko
猜你喜欢
cinema是什么意思
ie系列浏览器是指什么
赋得古原草送别古诗的意思
什么也不说歌词
羽毛球鞋什么牌子好
微信号改成什么比较好
漳州有什么好玩的地方
效力的意思
伐木累什么意思
无奈的意思