指南生活
首页
美食营养
手工爱好
生活家居
返回
指南生活
首页
美食营养
游戏数码
手工爱好
生活家居
健康养生
运动户外
职场理财
情感交际
母婴教育
时尚美容
知识问答
生活知识
搜索
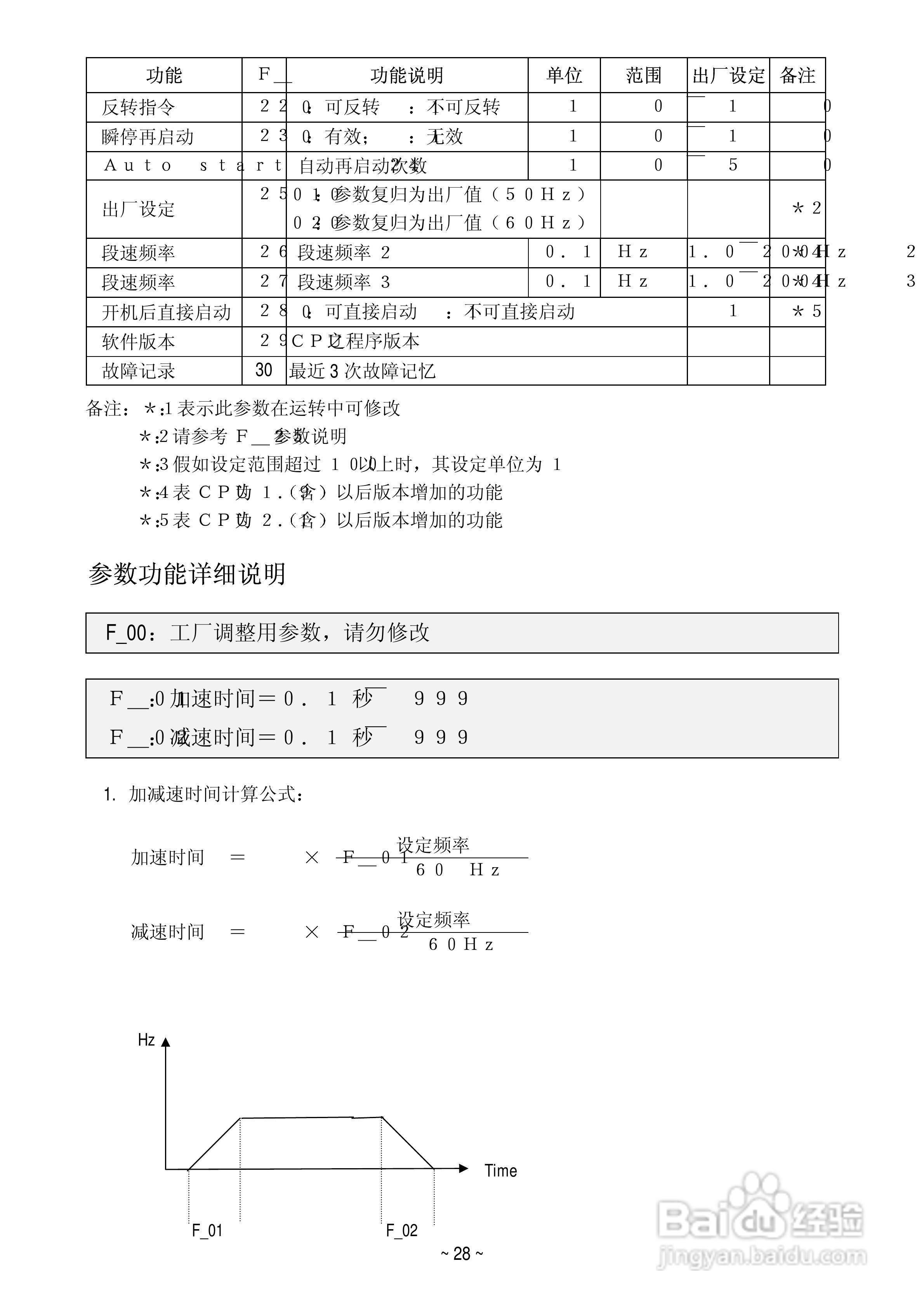
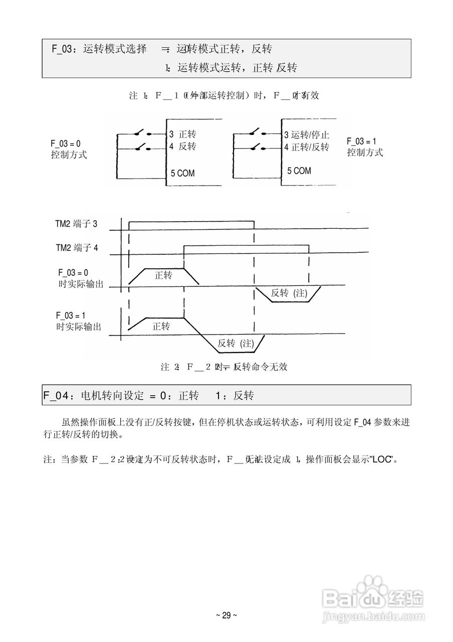
变频器E2-201-M1F使用手册:[3]
2026-03-20 02:05:21
本篇为《变频器E2-201-M1F使用手册》,主要介绍该产品的使用方法以及常见故障解决方案。
(共篇)
上一篇:
|
下一篇:
声明:
本网站引用、摘录或转载内容仅供网站访问者交流或参考,不代表本站立场,如存在版权或非法内容,请联系站长删除,联系邮箱:site.kefu@qq.com。
相关推荐
禽舍环境控制器
阅读量:188
如何用赚点赚积分
阅读量:148
螺纹钢锚杆的作用
阅读量:191
如何获得全家福卡?全家福卡有什么用?
阅读量:33
塑胶水分测定仪使用方法和注意事项
阅读量:30
猜你喜欢
怎么瘦脸上的肉
选择的近义词
手指麻是怎么回事
上海自然博物馆门票
微商代理怎么做
感冒流鼻涕吃什么药
地震自救常识
微信怎么发纯文字
男生蘑菇头发型图片
男生短发发型图片及名称
猜你喜欢
博物馆奇妙夜1
怎么在图片上打字
恐惧症怎么治疗
无非的近义词
word怎么调行距
地理常识
井冈山革命博物馆
怎么截取视频片段
辽宁古生物博物馆
个人陈述怎么写