指南生活
首页
美食营养
手工爱好
生活家居
返回
指南生活
首页
美食营养
游戏数码
手工爱好
生活家居
健康养生
运动户外
职场理财
情感交际
母婴教育
时尚美容
知识问答
生活知识
搜索
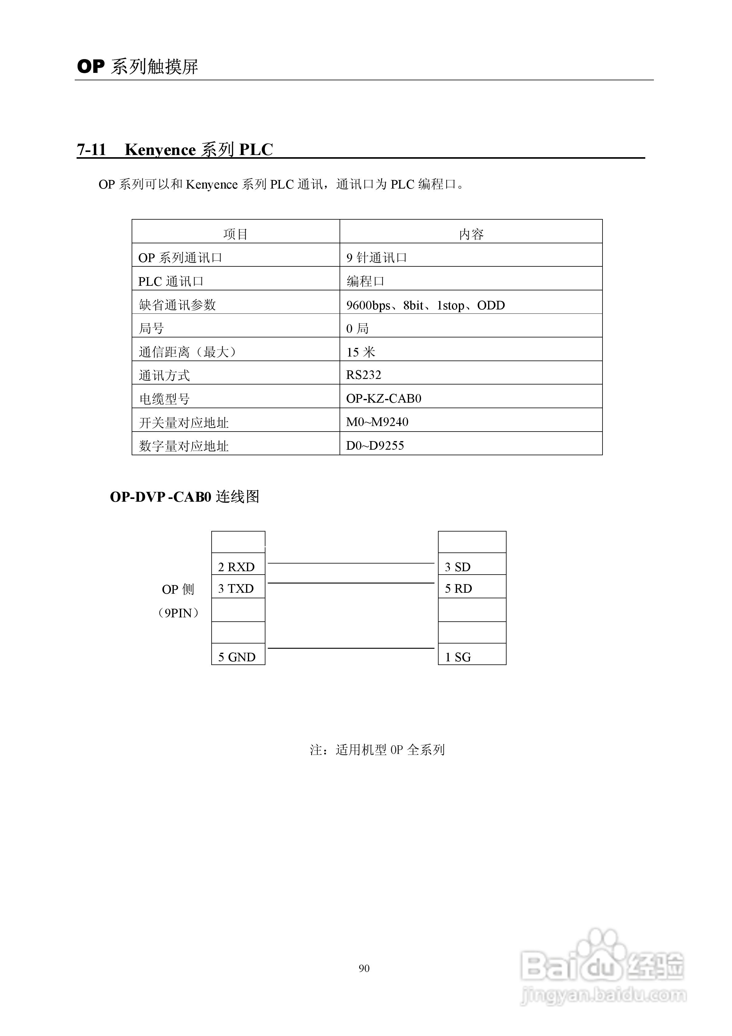
信捷电子OP系列文本显示器使用手册:[10]
2025-11-20 17:29:13
(共篇)
上一篇:
声明:
本网站引用、摘录或转载内容仅供网站访问者交流或参考,不代表本站立场,如存在版权或非法内容,请联系站长删除,联系邮箱:site.kefu@qq.com。
相关推荐
怎样让v3驱动安装在xp系统上
阅读量:172
UG建模公称直径40的B型螺栓紧固轴端挡圈并渲染
阅读量:134
信捷PLC如何建立多点重复传送指令
阅读量:138
变频器E2-201-M1F使用手册:[2]
阅读量:191
UG10.0如何创建B型端面带槽圆螺母?
阅读量:49
猜你喜欢
dha什么时候吃
水性杨花的意思
纸上谈兵是什么意思
rpg游戏是什么意思
诚惶诚恐是什么意思
什么姿势女的最爽
信用社考试考什么
祝福的英文
硬盘录像机什么牌子好
俞灏明为什么烧伤
猜你喜欢
什么叫寡妇年
无线桥接是什么意思
汽油添加剂什么牌子好
神出鬼没的意思
查水表是什么意思
耳麦什么牌子好
20几万买什么车好
惠州有什么旅游景点
世界纷纷扰扰喧喧闹闹什么是真实
glue是什么意思