指南生活
首页
美食营养
手工爱好
生活家居
返回
指南生活
首页
美食营养
游戏数码
手工爱好
生活家居
健康养生
运动户外
职场理财
情感交际
母婴教育
时尚美容
知识问答
生活知识
搜索
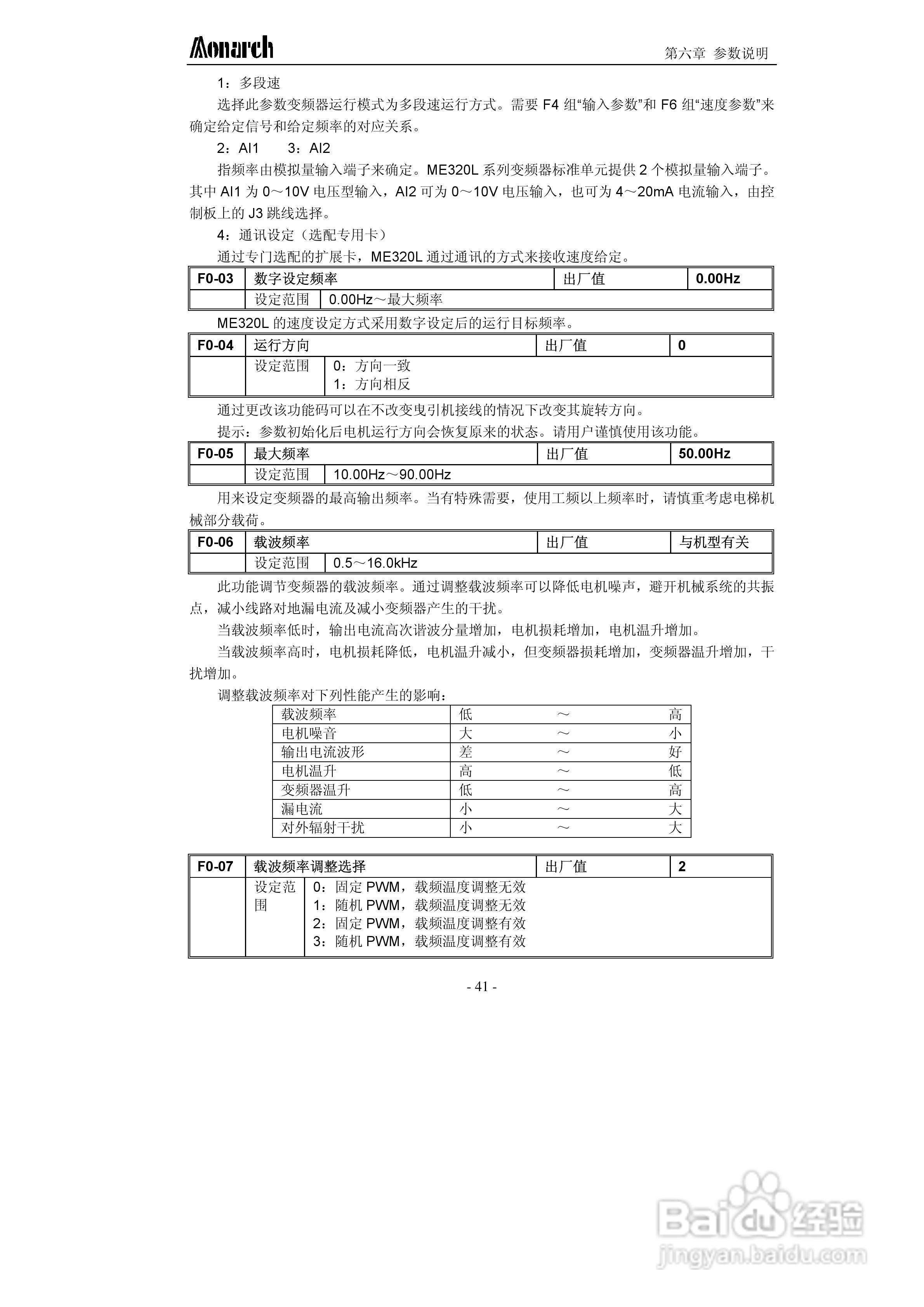
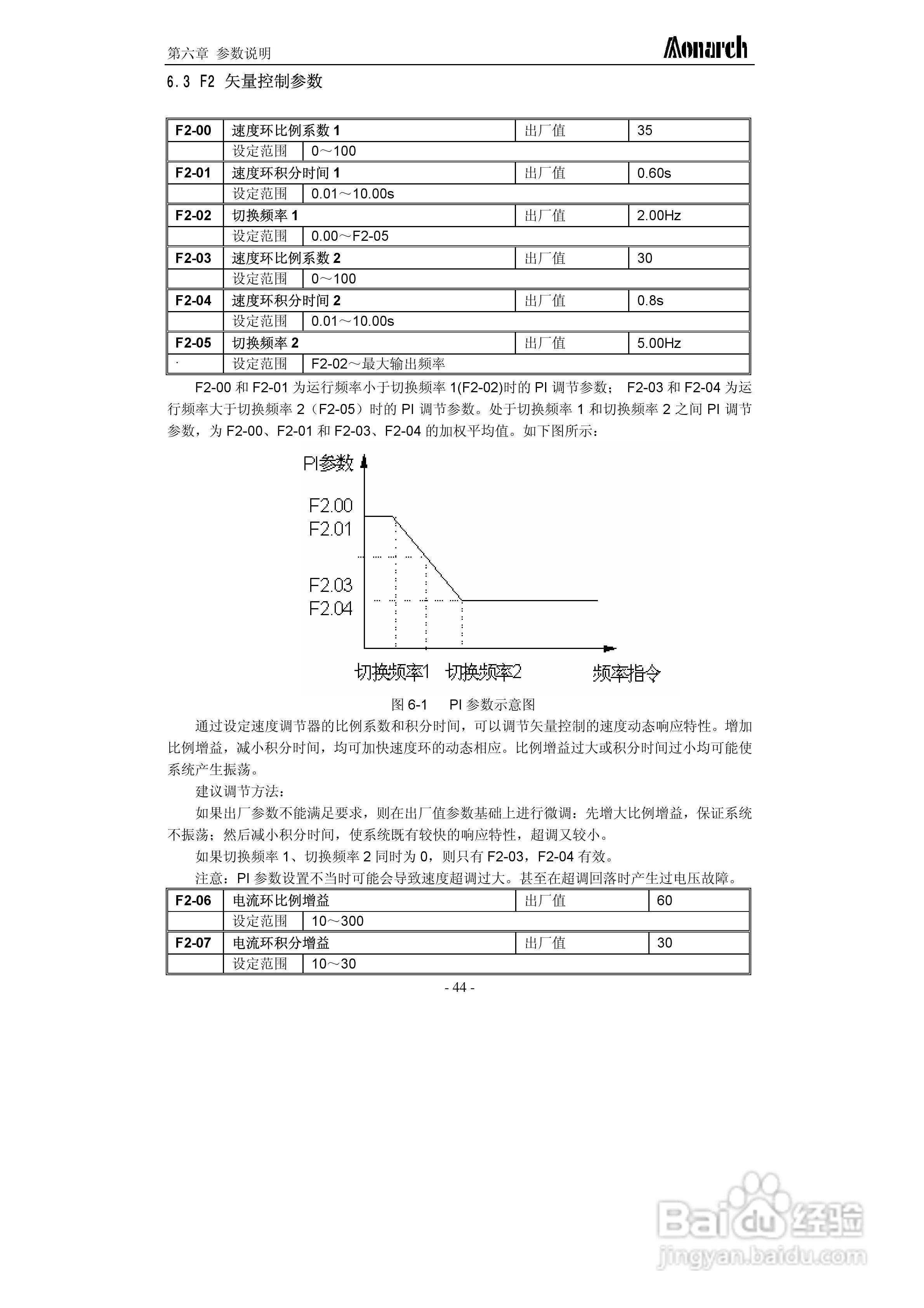
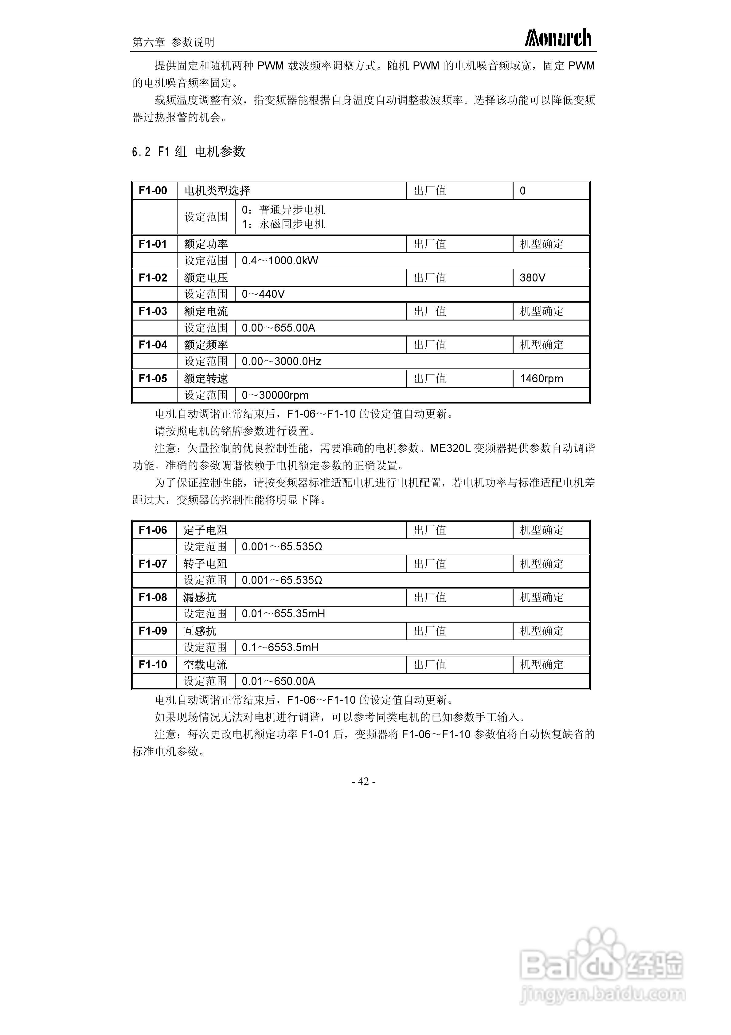
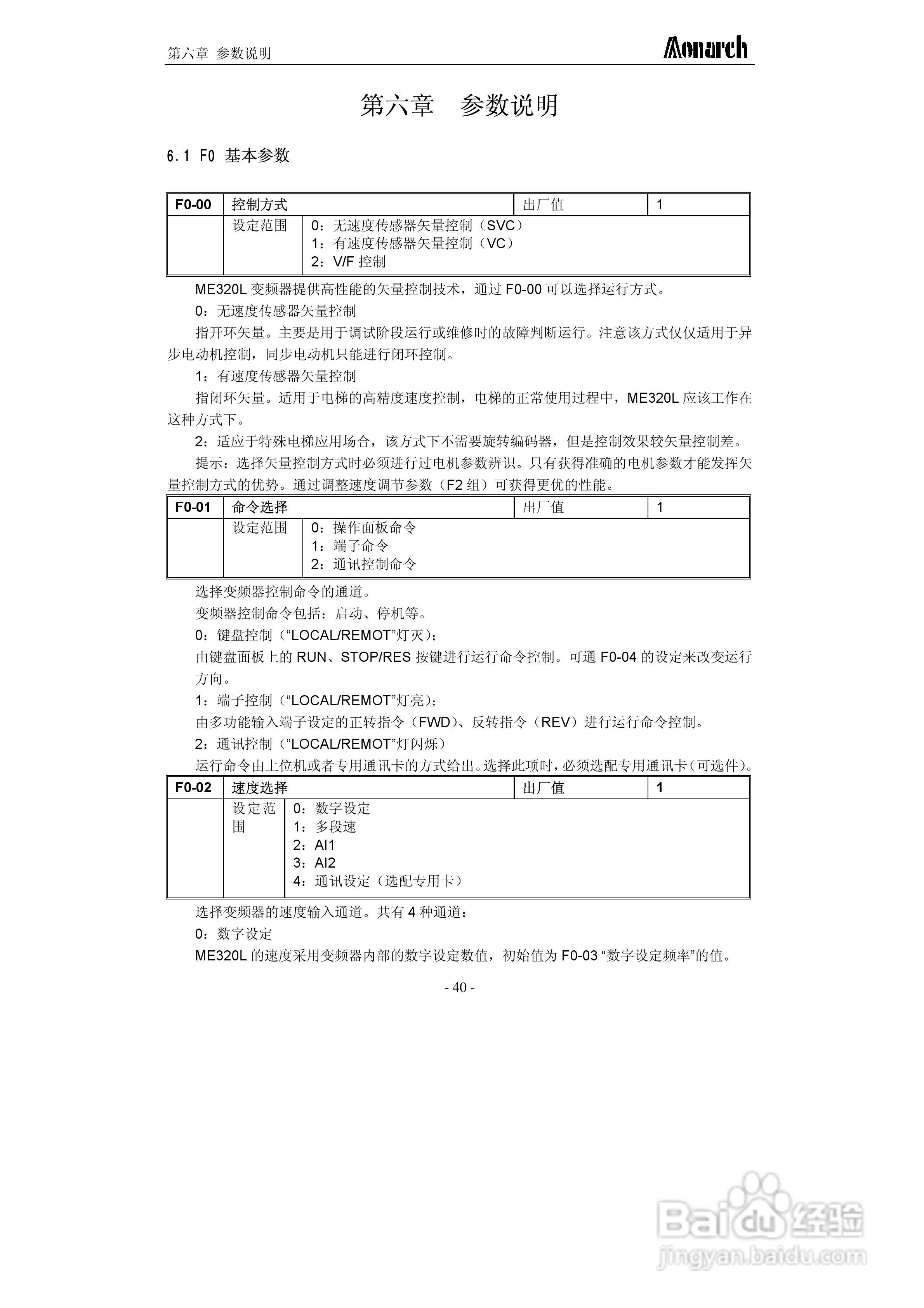
汇川ME320L-4045电梯专用变频器用户手册:[5]
2025-12-11 12:54:52
本篇为《汇川ME320L-4045电梯专用变频器用户手册》,主要介绍该产品的使用方法以及常见故障解决方案。
(共篇)
上一篇:
|
下一篇:
声明:
本网站引用、摘录或转载内容仅供网站访问者交流或参考,不代表本站立场,如存在版权或非法内容,请联系站长删除,联系邮箱:site.kefu@qq.com。
相关推荐
汇川ME320L-4045电梯专用变频器用户手册:[4]
阅读量:113
海浦蒙特HD5L-4T045电梯专用驱动控制器用户手册:[1]
阅读量:101
海浦蒙特HD5L-4T045电梯专用驱动控制器用户手册:[12]
阅读量:29
海浦蒙特HD5L-4T045电梯专用驱动控制器用户手册:[13]
阅读量:52
海浦蒙特HD5L-4T045电梯专用驱动控制器用户手册:[8]
阅读量:69
猜你喜欢
盆栽茉莉的养殖方法和注意事项
九江有什么好玩的地方
hours是什么意思
举案齐眉什么意思
什么叫取保候审
演绎是什么意思
括约肌是什么
中性皮肤适合什么护肤品
鹅蛋脸适合什么眉形
queen什么意思
猜你喜欢
心悦会员是什么
吃黑豆有什么好处
bite什么意思
uno是什么
91年是什么命
橄榄油什么牌子好
新生儿打嗝是什么原因
大义凛然是什么意思
身份证后四位代表什么
缘木求鱼是什么意思