指南生活
首页
美食营养
手工爱好
生活家居
返回
指南生活
首页
美食营养
游戏数码
手工爱好
生活家居
健康养生
运动户外
职场理财
情感交际
母婴教育
时尚美容
知识问答
生活知识
生活百科
搜索
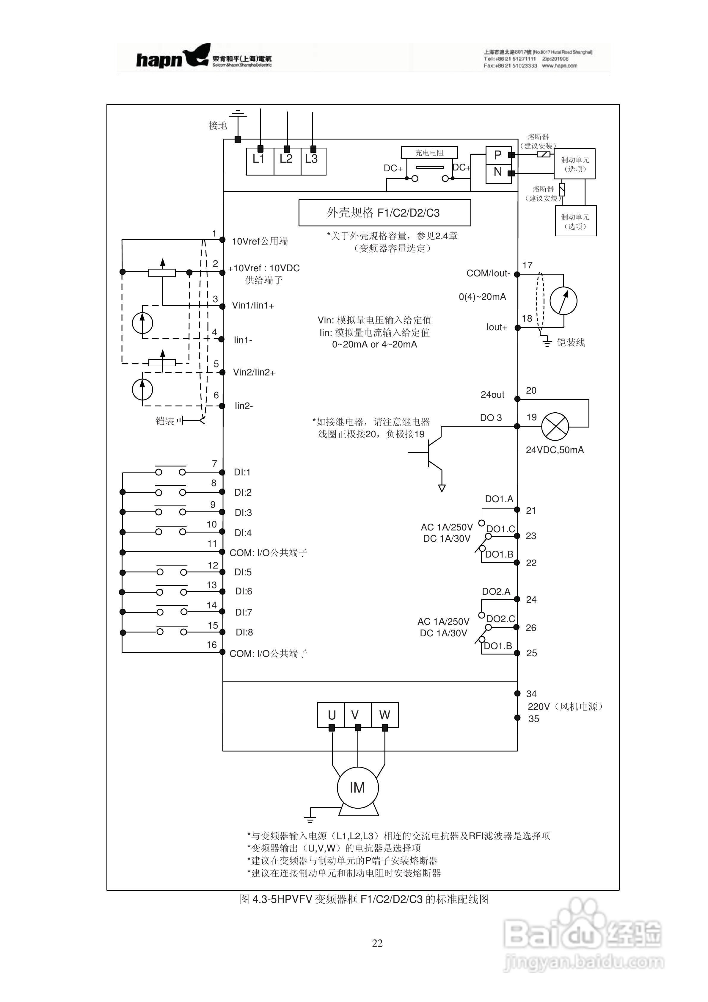
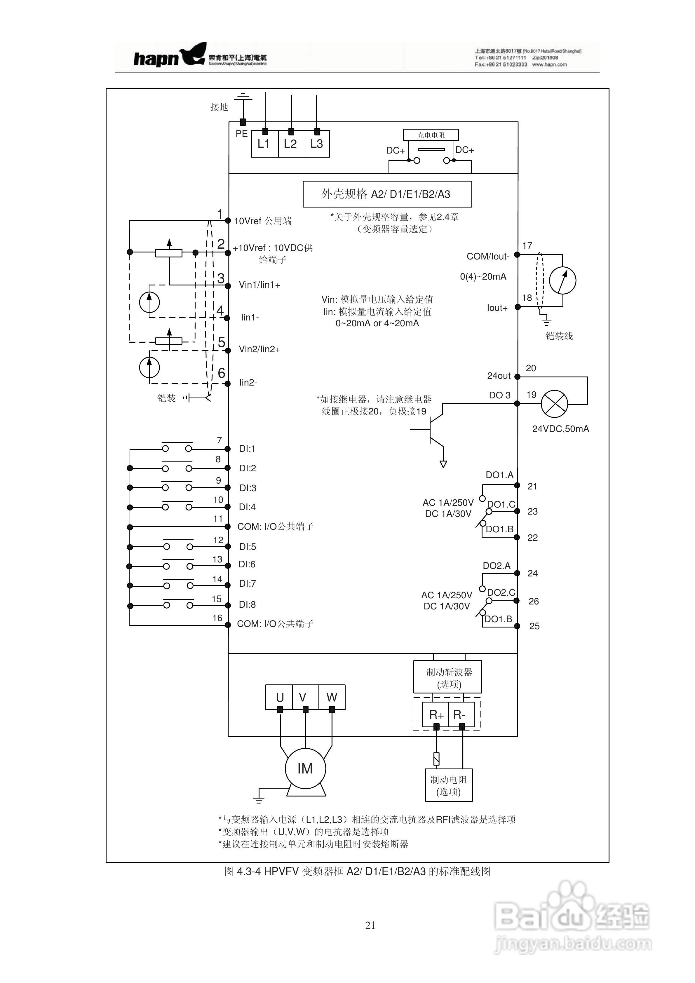
索肯和平HPVFV12560矢量变频器说明书:[3]
2026-04-29 11:47:26
本篇为《索肯和平HPVFV12560矢量变频器说明书》,主要介绍该产品的使用方法以及常见故障解决方案。
(共篇)
上一篇:
|
下一篇:
声明:
本网站引用、摘录或转载内容仅供网站访问者交流或参考,不代表本站立场,如存在版权或非法内容,请联系站长删除,联系邮箱:site.kefu@qq.com。
相关推荐
索肯和平HPVFV12560矢量变频器说明书:[1]
阅读量:165
海康威视监控调试步骤
阅读量:87
介绍什么是p2p网络摄像机
阅读量:190
海康威视网络设置教程
阅读量:164
如何设置海康摄像头IP、网关、时间和密码
阅读量:185
猜你喜欢
茯苓的功效和作用
什么品牌的电动车好
鸡蛋花的功效与作用
男人需要什么
表示知识渊博的成语
邮票的知识
精液的作用
运动会项目有哪些
现金流量表的作用
青霉素的作用
猜你喜欢
茜草的功效与作用
提子的功效与作用
中药龙骨的功效与作用
区域地理知识点
荷花粉的功效与作用
元明粉的功效与作用
什么是电子书
大豆异黄酮的功效与作用
猫爪草的功效与作用
综合知识考什么