指南生活
首页
美食营养
手工爱好
生活家居
返回
指南生活
首页
美食营养
游戏数码
手工爱好
生活家居
健康养生
运动户外
职场理财
情感交际
母婴教育
时尚美容
知识问答
生活知识
生活百科
搜索
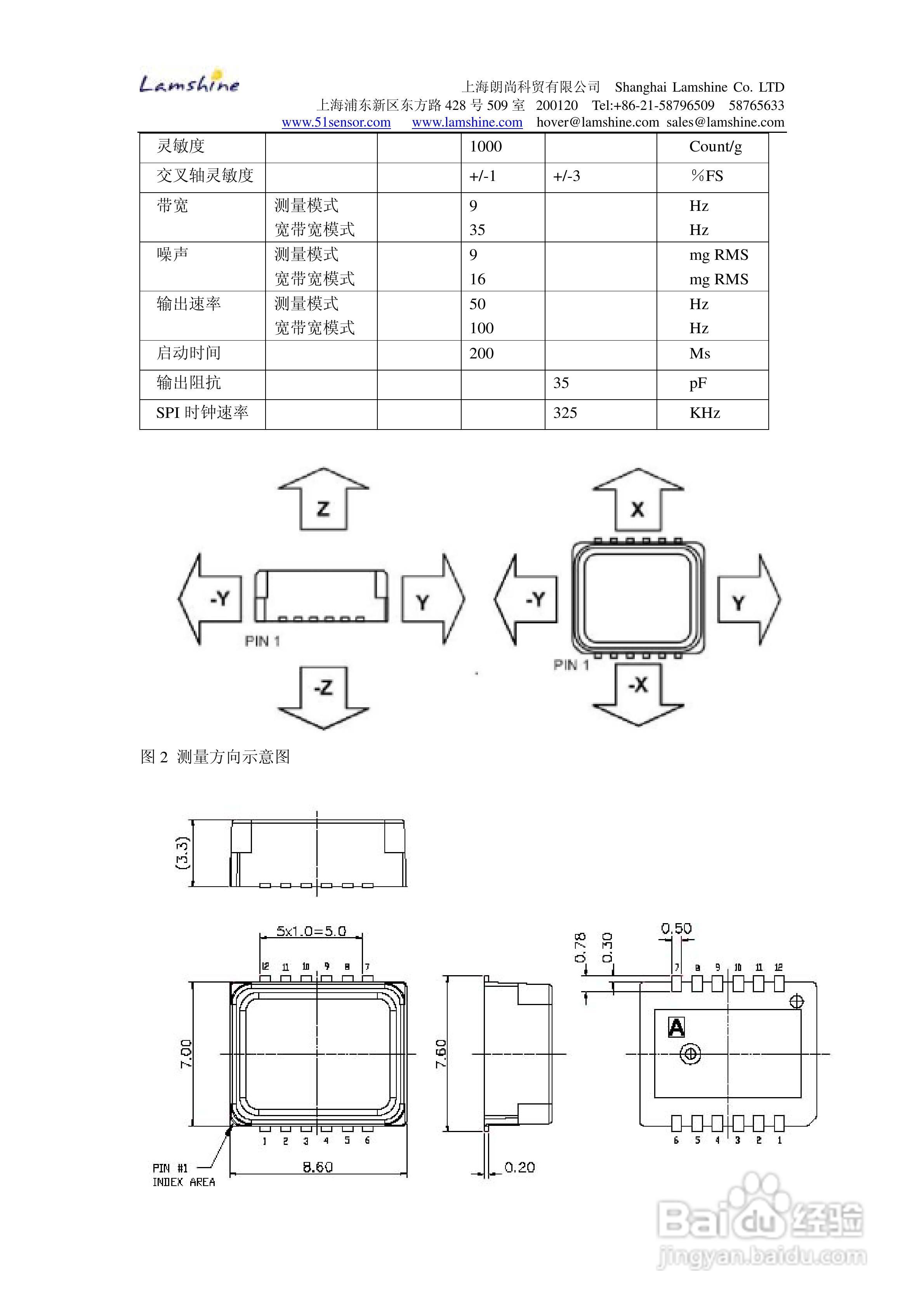
朗尚SCA3060型加速传感器使用说明书
2026-03-29 02:45:54
声明:
本网站引用、摘录或转载内容仅供网站访问者交流或参考,不代表本站立场,如存在版权或非法内容,请联系站长删除,联系邮箱:site.kefu@qq.com。
相关推荐
朗尚SCA620型加速传感器使用说明书
阅读量:135
朗尚SCA2100型加速传感器使用说明书
阅读量:76
朗尚SCA820-D04型加速传感器使用说明书
阅读量:48
朗尚AT-201-SC-001型倾角传感器使用说明书
阅读量:29
常用的传感器
阅读量:33
猜你喜欢
苹果4s怎么下载软件
ios怎么升级
寿司怎么做好吃
怎么样才能快速减肥
5日均线怎么看
伟大的近义词
保利艺术博物馆
小孩感冒鼻塞怎么办
脚后跟麻是怎么回事
ps怎么调清晰度
猜你喜欢
逼近的近义词
山东省博物馆开放时间
安静的近义词是什么
智联招聘怎么样
小叶增生怎么治疗
怎么注册apple id
景德镇陶瓷博物馆
淘宝账单怎么查
即食燕窝怎么吃
婴儿感冒怎么办