指南生活
首页
美食营养
手工爱好
生活家居
返回
指南生活
首页
美食营养
游戏数码
手工爱好
生活家居
健康养生
运动户外
职场理财
情感交际
母婴教育
时尚美容
知识问答
生活知识
生活百科
搜索
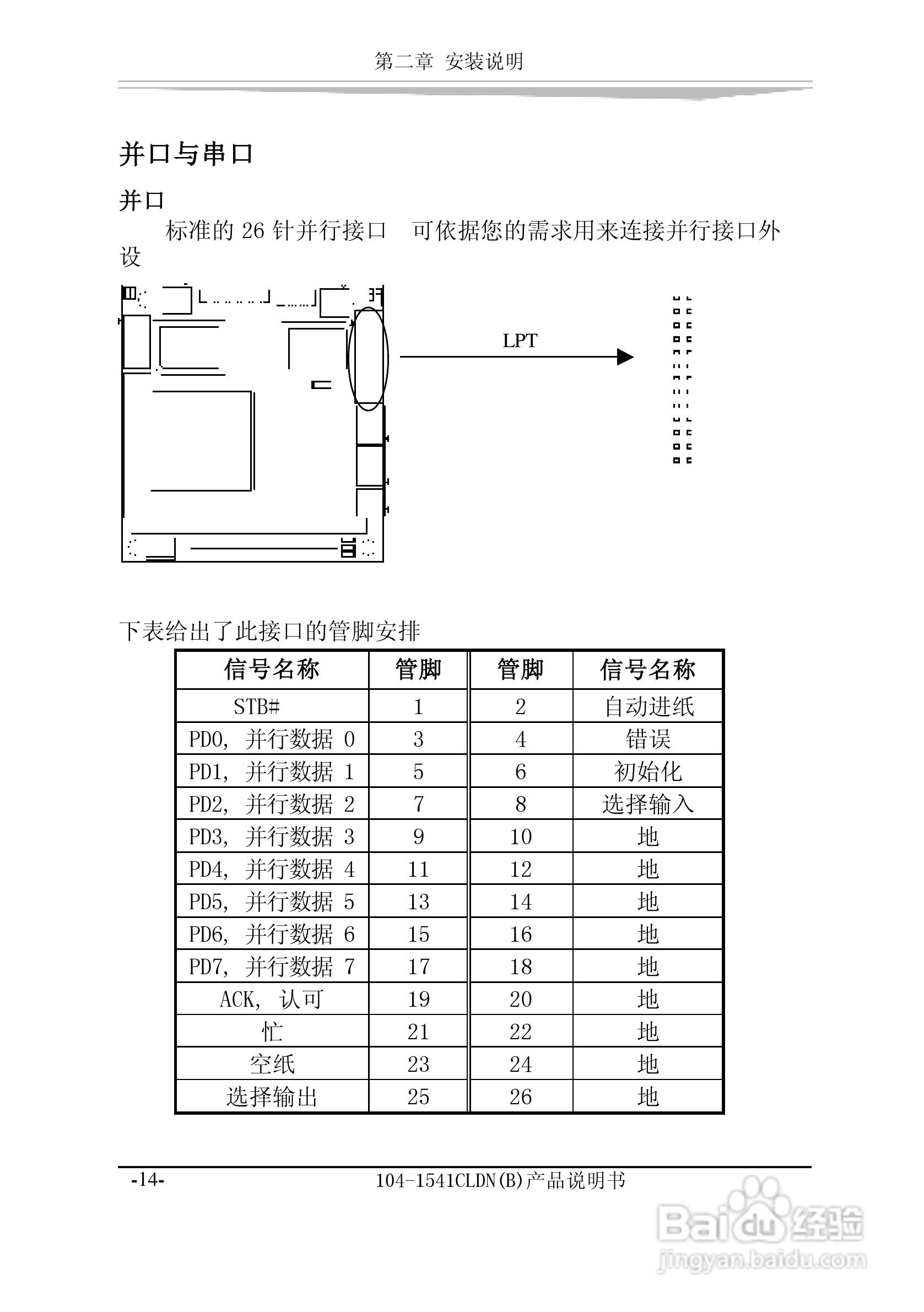
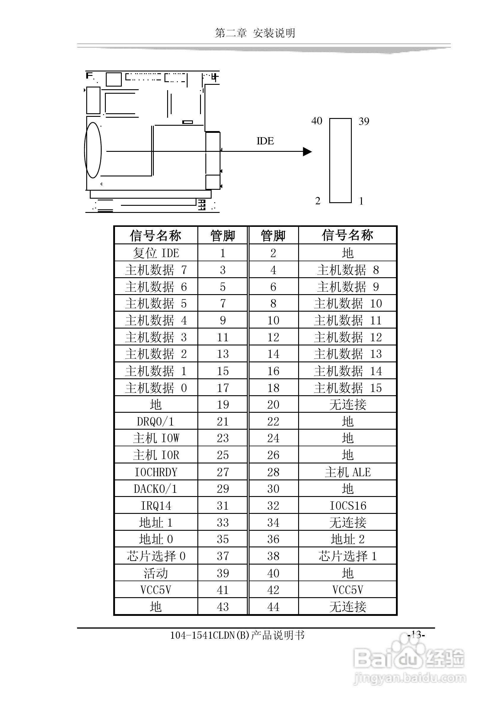
研祥104-1541CLDN(B)工业级主机CPU板卡说明书:[2]
2026-03-26 04:08:27
本篇为《研祥104-1541CLDN(B)工业级主机CPU板卡说明书》,主要介绍该产品的使用方法以及常见故障解决方案。
(共篇)
上一篇:
|
下一篇:
声明:
本网站引用、摘录或转载内容仅供网站访问者交流或参考,不代表本站立场,如存在版权或非法内容,请联系站长删除,联系邮箱:site.kefu@qq.com。
相关推荐
研祥104-1541CLDN(B)工业级主机CPU板卡说明书:[1]
阅读量:132
研祥104-1711CLDN工业级CPU板卡说明书:[2]
阅读量:173
研祥104-1462CLDN工业级CPU板卡说明书:[2]
阅读量:159
研祥104-1711CLDN工业级CPU板卡说明书:[3]
阅读量:40
研祥104-1462CLDN工业级CPU板卡说明书:[3]
阅读量:173
猜你喜欢
lof基金是什么意思
斧正是什么意思
滞留票是什么意思
两后生是什么意思
台式机电源什么牌子好
qq是什么意思
耳麦什么牌子好
写给闺蜜的生日祝福
6元麻辣烫什么意思
什么是五言律诗
猜你喜欢
万象更新是什么意思
寂寥的意思
健壮的意思
poor的意思
悸动的意思
微信认证有什么好处
孕妇喝什么奶粉比较好
打野战是什么意思
英勇无畏的意思
德能勤绩廉指什么