指南生活
首页
美食营养
手工爱好
生活家居
返回
指南生活
首页
美食营养
游戏数码
手工爱好
生活家居
健康养生
运动户外
职场理财
情感交际
母婴教育
时尚美容
知识问答
生活知识
搜索
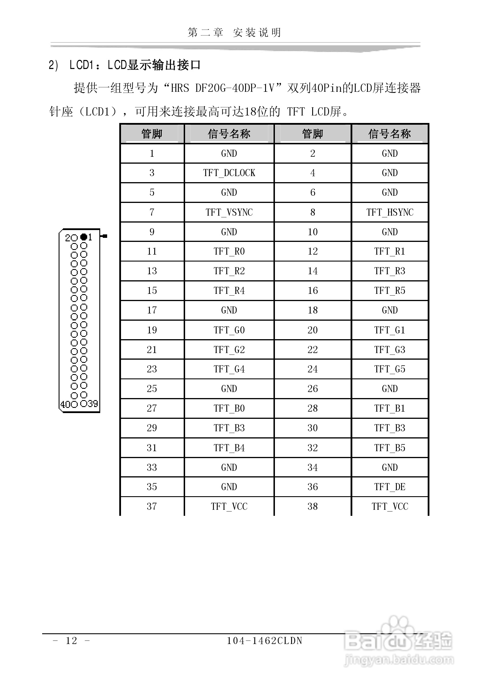
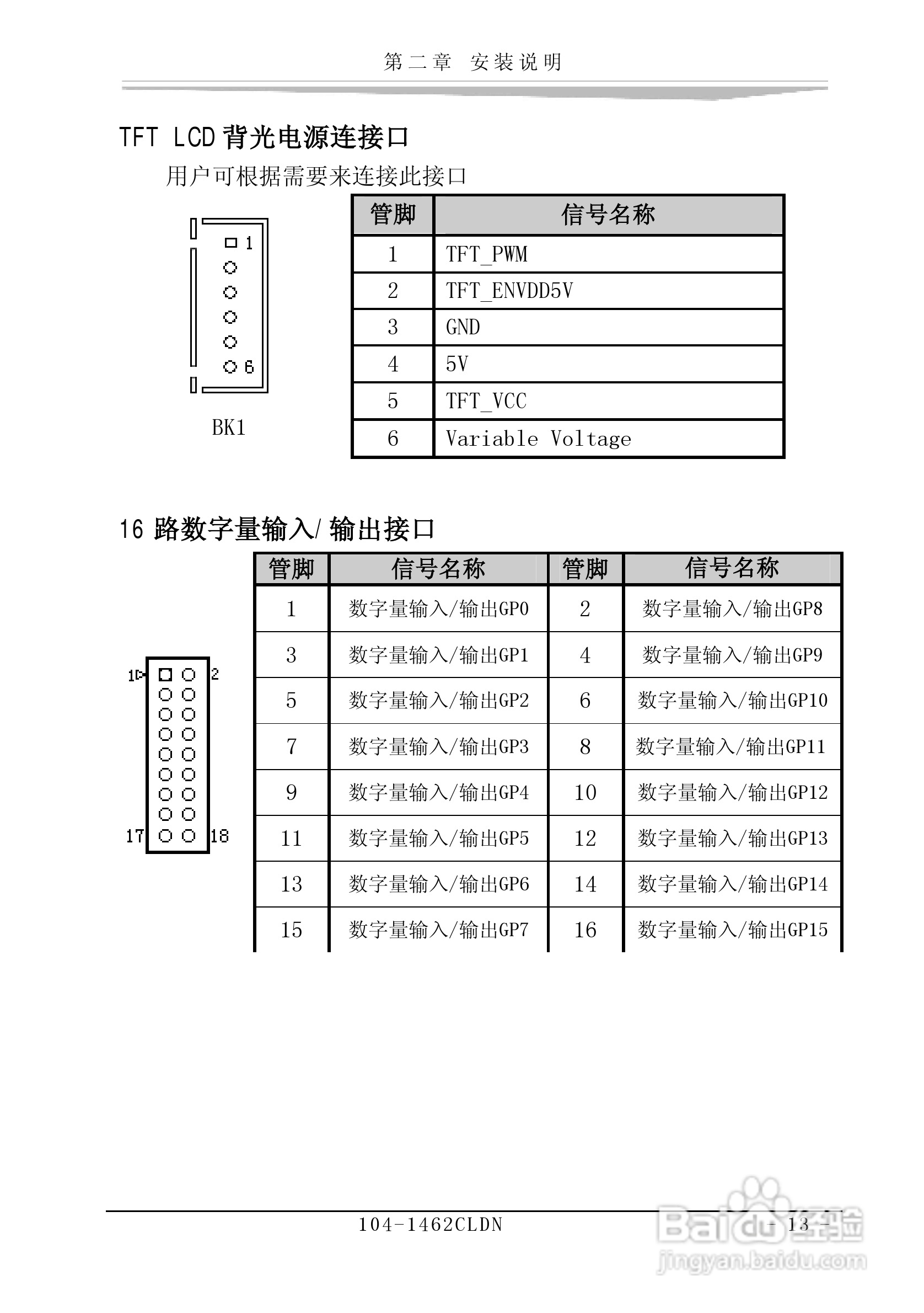
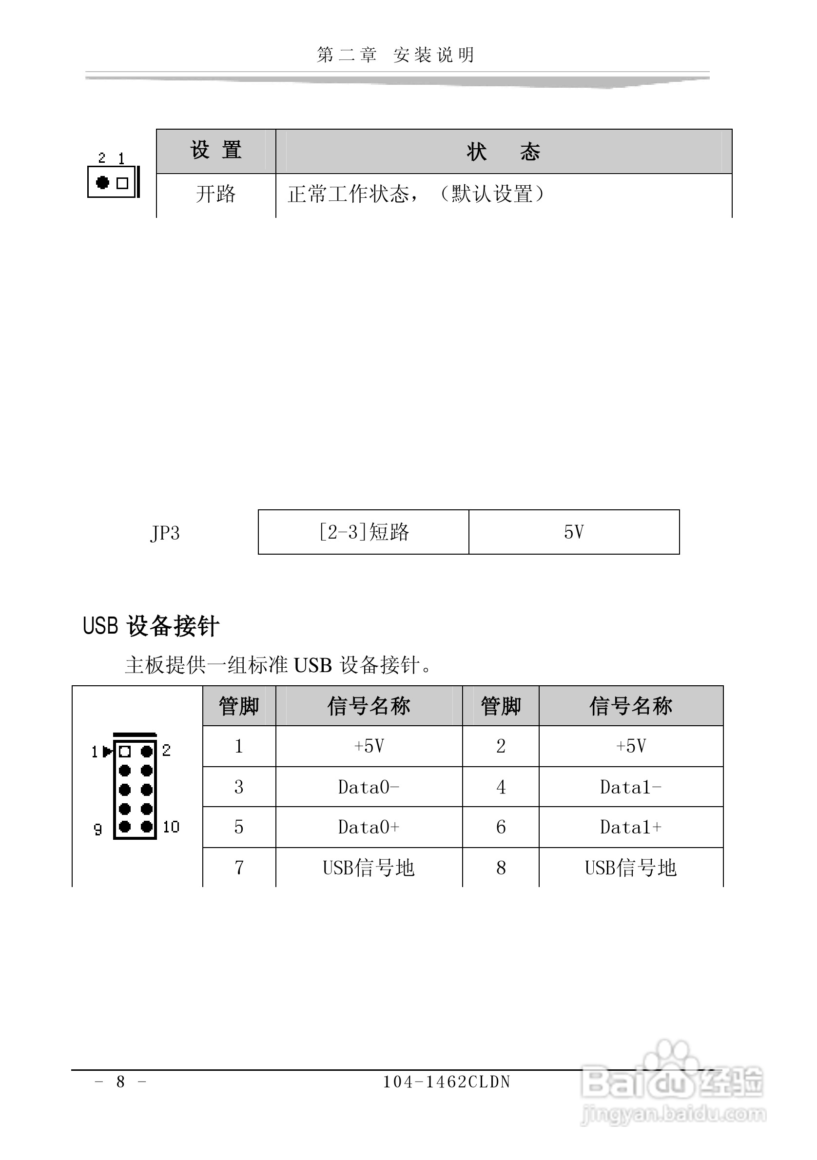
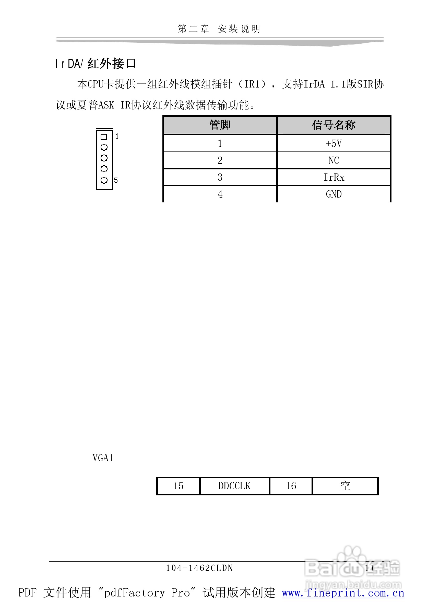
研祥104-1462CLDN工业级CPU板卡说明书:[2]
2025-12-20 19:19:46
本篇为《研祥104-1462CLDN工业级CPU板卡说明书》,主要介绍该产品的使用方法以及常见故障解决方案。
(共篇)
上一篇:
|
下一篇:
声明:
本网站引用、摘录或转载内容仅供网站访问者交流或参考,不代表本站立场,如存在版权或非法内容,请联系站长删除,联系邮箱:site.kefu@qq.com。
相关推荐
研祥104-1462CLDN工业级CPU板卡说明书:[1]
阅读量:174
研祥104-1711CLDN工业级CPU板卡说明书:[2]
阅读量:44
研祥104-1541CLDN(B)工业级主机CPU板卡说明书:[2]
阅读量:123
研祥104-1541CLDN(B)工业级主机CPU板卡说明书:[6]
阅读量:56
cpu怎么开启睿频
阅读量:80
猜你喜欢
什么电烤箱好
回族的传统节日是什么
85年属什么
什么鱼好养
大快朵颐是什么意思
世俗是什么意思
nh3是什么
共享航班是什么意思
英雄联盟什么时候出的
电脑上怎么截图按什么键
猜你喜欢
梦见鬼是什么意思
如果你有空陪我过个冬是什么歌
toy什么意思
4月29日是什么星座
seiko手表是什么牌子
什么菜好吃
online是什么意思
于是什么意思
郑州有什么好玩的地方
安宫牛黄丸什么时候吃