指南生活
首页
美食营养
手工爱好
生活家居
返回
指南生活
首页
美食营养
游戏数码
手工爱好
生活家居
健康养生
运动户外
职场理财
情感交际
母婴教育
时尚美容
知识问答
生活知识
搜索
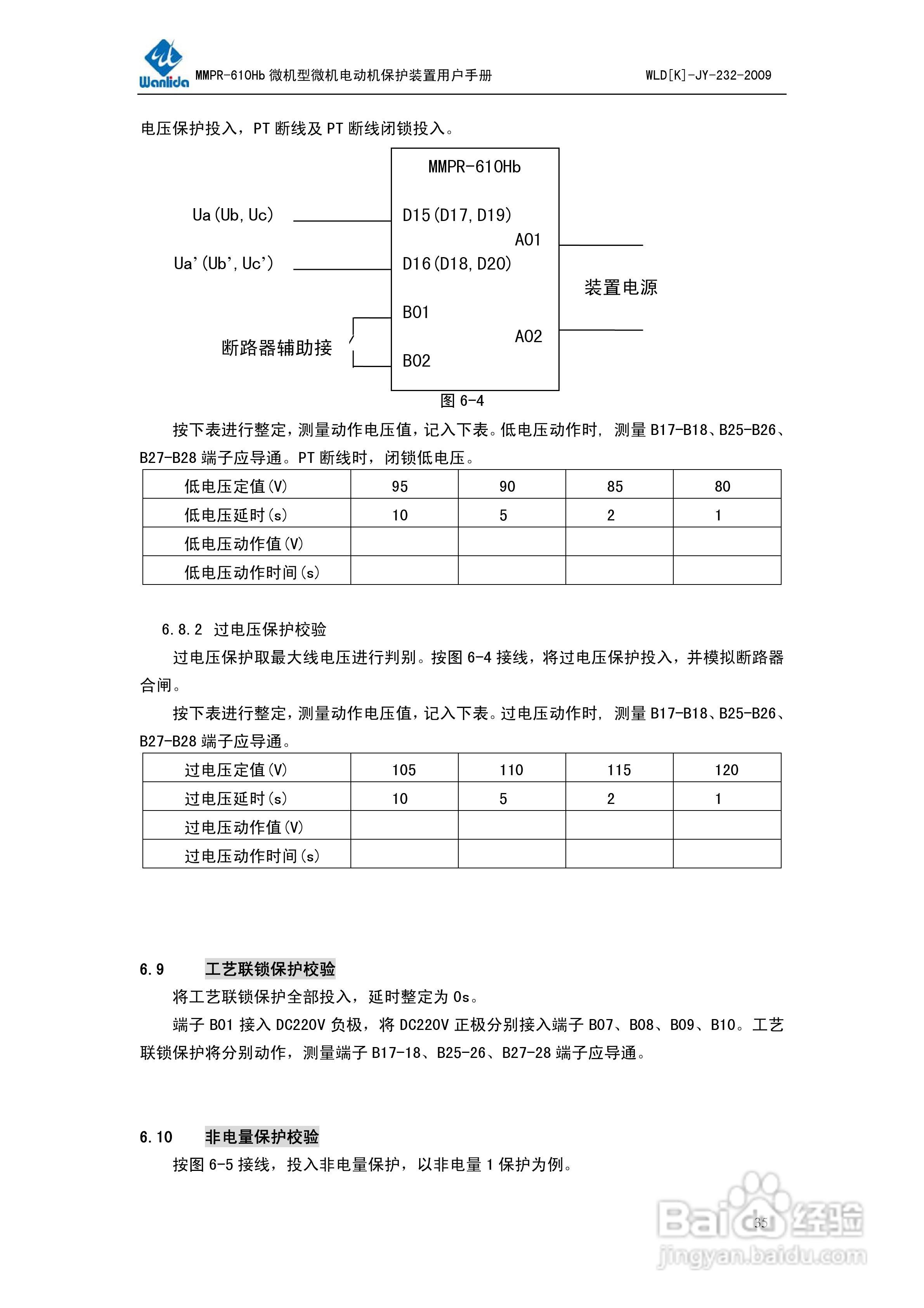
万力达MMPR-610Hb微机型电动机保护测控装置用户手册:[4]
2026-03-07 07:53:06
本篇为《万力达MMPR-610Hb微机型电动机保护测控装置用户手册》,主要介绍该产品的使用方法以及常见故障解决方案。
(共篇)
上一篇:
声明:
本网站引用、摘录或转载内容仅供网站访问者交流或参考,不代表本站立场,如存在版权或非法内容,请联系站长删除,联系邮箱:site.kefu@qq.com。
相关推荐
同种蔬菜,颜色不同,营养也会各有千秋
阅读量:65
公司商业活动推广礼品哪10种礼品好
阅读量:68
太阳能照明安装流程说明
阅读量:140
近视眼矫正方法
阅读量:44
厚厚地的拼音
阅读量:154
猜你喜欢
精日是什么意思
花椒泡脚有什么作用与功效吗
原则是什么意思
联想是什么意思
初心是什么意思
2002年属什么生肖
什刹海在北京什么地方
洪荒之力是什么意思
人为什么要读书
最怕有一天你离我远去是什么歌
猜你喜欢
guess什么意思
肠化是什么意思
dps是什么意思
桎梏是什么意思
net是什么意思
pretty是什么意思
公务员是干什么的
receive是什么意思
六书指的是什么
城府深是什么意思