指南生活
首页
美食营养
手工爱好
生活家居
返回
指南生活
首页
美食营养
游戏数码
手工爱好
生活家居
健康养生
运动户外
职场理财
情感交际
母婴教育
时尚美容
知识问答
生活知识
搜索
万力达MMPR-610Hb微机型电动机保护测控装置用户手册:[3]
2025-12-05 17:47:37
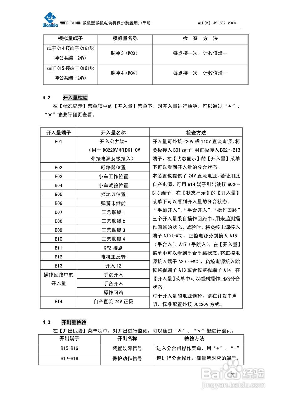
本篇为《万力达MMPR-610Hb微机型电动机保护测控装置用户手册》,主要介绍该产品的使用方法以及常见故障解决方案。
(共篇)
上一篇:
|
下一篇:
声明:
本网站引用、摘录或转载内容仅供网站访问者交流或参考,不代表本站立场,如存在版权或非法内容,请联系站长删除,联系邮箱:site.kefu@qq.com。
相关推荐
万力达MMPR-610Hb微机型电动机保护测控装置用户手册:[1]
阅读量:138
万力达MMPR-610Hb微机型电动机保护测控装置用户手册:[2]
阅读量:41
万力达MMPR-610Hb微机型电动机保护测控装置用户手册:[4]
阅读量:91
MCPR-610Hb微机型电容器保护测控装置用户手册:[3]
阅读量:78
MCPR-610Hb微机型电容器保护测控装置用户手册:[2]
阅读量:152
猜你喜欢
tplink路由器桥接
360路由器怎么设置
lol怎么解锁视角
婚假工资怎么算
如何盗qq
水星路由器密码
旅游服务
黑龙江的省会在哪里
嘴里面起泡怎么办
华为p10怎么样
猜你喜欢
女贞子泡水喝的功效
脸上的雀斑怎么去掉
小凤仙浮漂怎么样
如何报火警
京n是哪里的车牌
如何查看手机型号
上海昌硕怎么样
tenda路由器
lol美服怎么下载
路由器密码