指南生活
首页
美食营养
手工爱好
生活家居
返回
指南生活
首页
美食营养
游戏数码
手工爱好
生活家居
健康养生
运动户外
职场理财
情感交际
母婴教育
时尚美容
知识问答
生活知识
搜索
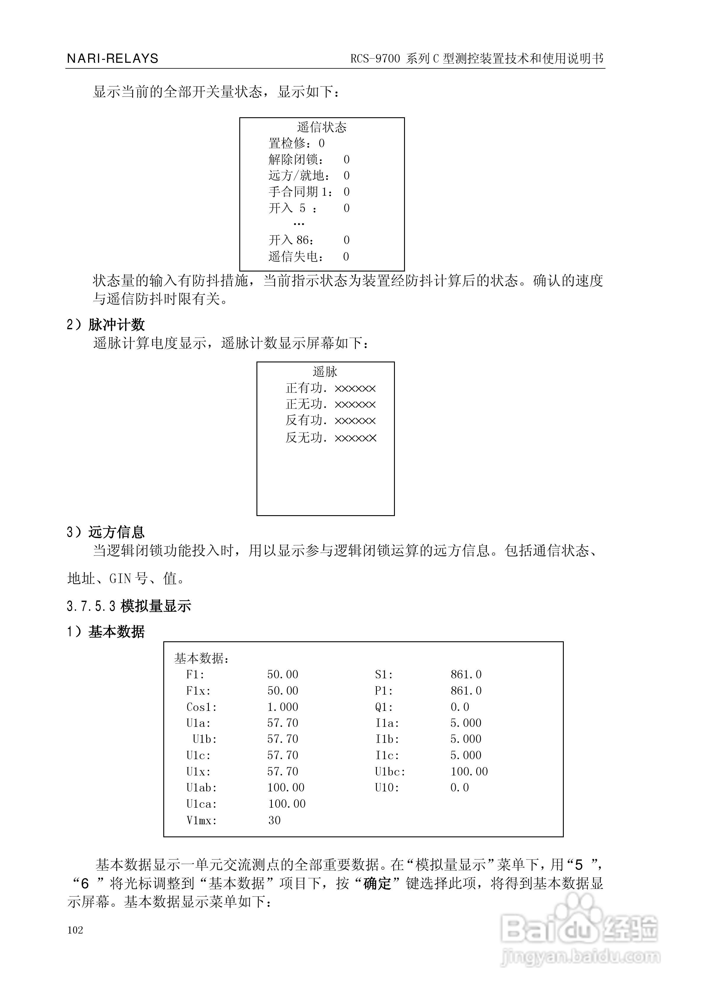
RCS-9709C测控装置技术和使用说明书:[12]
2025-12-11 00:06:51
本篇为《RCS-9709C测控装置技术和使用说明书》,主要介绍该产品的使用方法以及常见故障解决方案。
(共篇)
上一篇:
|
下一篇:
声明:
本网站引用、摘录或转载内容仅供网站访问者交流或参考,不代表本站立场,如存在版权或非法内容,请联系站长删除,联系邮箱:site.kefu@qq.com。
相关推荐
RCS-9709C测控装置技术和使用说明书:[14]
阅读量:79
RCS-9709C测控装置技术和使用说明书:[19]
阅读量:32
使用说明书封面怎么做
阅读量:81
使用说明书wf2651使用指南
阅读量:40
RCS-9709C测控装置技术和使用说明书:[18]
阅读量:76
猜你喜欢
君子之交淡如水什么意思
cp是什么
身怀六甲是什么意思
guy是什么意思
审车需要带什么资料
中专和职高有什么区别
against是什么意思
terrible是什么意思
st股票什么意思
中风的前兆有什么症状
猜你喜欢
spa什么意思
七月的风八月的雨是什么歌
86年属什么
新华门是什么地方
六弦琴是什么乐器的别称
梦到猫是什么意思
cis是什么意思
vegetables是什么意思
生命是什么
炖羊肉放什么调料最佳